电脑桌面
添加小米粒文库到电脑桌面
安装后可以在桌面快捷访问

CPA审计练习VIP免费

CPA审计练习_第1页
1/6
CPA审计练习_第2页
2/6
CPA审计练习_第3页
3/6
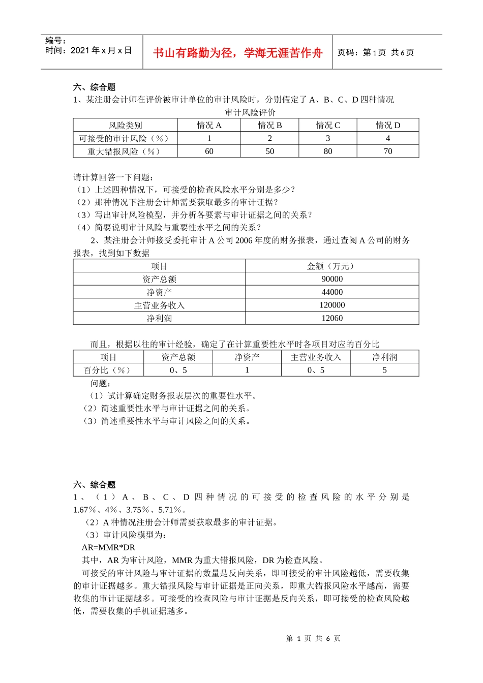
第1页共6页编号:时间:2021年x月x日书山有路勤为径,学海无涯苦作舟页码:第1页共6页六、综合题1、某注册会计师在评价被审计单位的审计风险时,分别假定了A、B、C、D四种情况审计风险评价风险类别情况A情况B情况C情况D可接受的审计风险(%)1234重大错报风险(%)60508070请计算回答一下问题:(1)上述四种情况下,可接受的检查风险水平分别是多少?(2)那种情况下注册会计师需要获取最多的审计证据?(3)写出审计风险模型,并分析各要素与审计证据之间的关系?(4)简要说明审计风险与重要性水平之间的关系?2、某注册会计师接受委托审计A公司2006年度的财务报表,通过查阅A公司的财务报表,找到如下数据项目金额(万元)资产总额90000净资产44000主营业务收入120000净利润12060而且,根据以往的审计经验,确定了在计算重要性水平时各项目对应的百分比项目资产总额净资产主营业务收入净利润百分比(%)0、510、55问题:(1)试计算确定财务报表层次的重要性水平。(2)简述重要性水平与审计证据之间的关系。(3)简述重要性水平与审计风险之间的关系。六、综合题1、(1)A、B、C、D四种情况的可接受的检查风险的水平分别是1.67%、4%、3.75%、5.71%。(2)A种情况注册会计师需要获取最多的审计证据。(3)审计风险模型为:AR=MMR*DR其中,AR为审计风险,MMR为重大错报风险,DR为检查风险。可接受的审计风险与审计证据的数量是反向关系,即可接受的审计风险越低,需要收集的审计证据越多。重大错报风险与审计证据是正向关系,即重大错报风险水平越高,需要收集的审计证据越多。可接受的检查风险与审计证据是反向关系,即可接受的检查风险越低,需要收集的手机证据越多。第2页共6页第1页共6页编号:时间:2021年x月x日书山有路勤为径,学海无涯苦作舟页码:第2页共6页(4)审计风险与重要性水平是反向关系,即重要性水平越高,审计风险越小;重要性水平越低,审计风险越大。2、(1)财务报表层次的重要性水平见表。重要性水平项目金额(万元)百分比重要性水平(万元)资产总额900000、5%450净资产440001%440主营业务收入1200000、5%600净利润120605%603所以,财务报表层次的重要性水平是440万元。(2)重要性水平和审计证据是反向关系,即重要性水平越低,需要收集的审计证据越多;反之亦然。七、案例(一)注册会计师张杰在对恒基公司2006年度财务报表进行审计时,收集到以下6组证据:1、收料单与购货发票。2、销货发票副本与产品出库单。3、领料单与材料成本计算表。4、工资计算单与工资发放单。5、存货盘点表与存货监盘记录。6、银行询证函回函与银行对账单。要求:请分别说明每组证据中哪项审计证据较为可靠,并简要说明理由。案例提示(一)案例提示1、购货发票比收料单可靠。这是因为购货发票来自于公司以外的机构或人员,而收料单是公司自行编制的。2、销货发票副本比产品出库单可靠。这是因为销货发票是在外部流转的,并获得公司以外的机构或个人的承认,而产品出库单只在公司内部流转。3、领料单比材料成本计算表可靠。这是因为领料单预先被连续编号,并且经过公司不同部门人员的审核,而材料成本计算表只在公司的会计部门内部流转。4、工资发放单比工资计算单可靠。这是因为工资发放单须经会计部门以外的工资领取人签字确认,而工资计算单只在会计部门内部流转。5、存货监盘记录比存货盘点表可靠。这是因为存货监盘记录是注册会计师自行编制的,而存货盘点表是公司提供的。6、银行询证函回函比银行对账单可靠。这是因为银行询证函回函是注册会计师直接获取的,未经公司有关职员之手,而银行对账单经过公司有关职员之手,存在伪造、涂改的可能性。五、分析题第3页共6页第2页共6页编号:时间:2021年x月x日书山有路勤为径,学海无涯苦作舟页码:第3页共6页1、ABC会计师事务所接受委托审计Y公司2008年度的财务报表。A审计人员了解和测试了与应收账款相关的内部控制,并将控制风险评估为高水平。A审计人员取得2008年12月31日的应收账款明细账,并于2009年1月15日采用积极式函证方式对所有重要客户奇发了询证函。A审计人员将与函证结果相关的重要异常情况汇总于表...

1、当您付费下载文档后,您只拥有了使用权限,并不意味着购买了版权,文档只能用于自身使用,不得用于其他商业用途(如 [转卖]进行直接盈利或[编辑后售卖]进行间接盈利)。
2、本站所有内容均由合作方或网友上传,本站不对文档的完整性、权威性及其观点立场正确性做任何保证或承诺!文档内容仅供研究参考,付费前请自行鉴别。
3、如文档内容存在违规,或者侵犯商业秘密、侵犯著作权等,请点击“违规举报”。

碎片内容

确认删除?
VIP
微信客服
  • 扫码咨询
会员Q群
  • 会员专属群点击这里加入QQ群
客服邮箱
回到顶部