电脑桌面
添加小米粒文库到电脑桌面
安装后可以在桌面快捷访问

人体感应、声光控灯头开关电路图VIP免费

人体感应、声光控灯头开关电路图_第1页
1/9
人体感应、声光控灯头开关电路图_第2页
2/9
人体感应、声光控灯头开关电路图_第3页
3/9
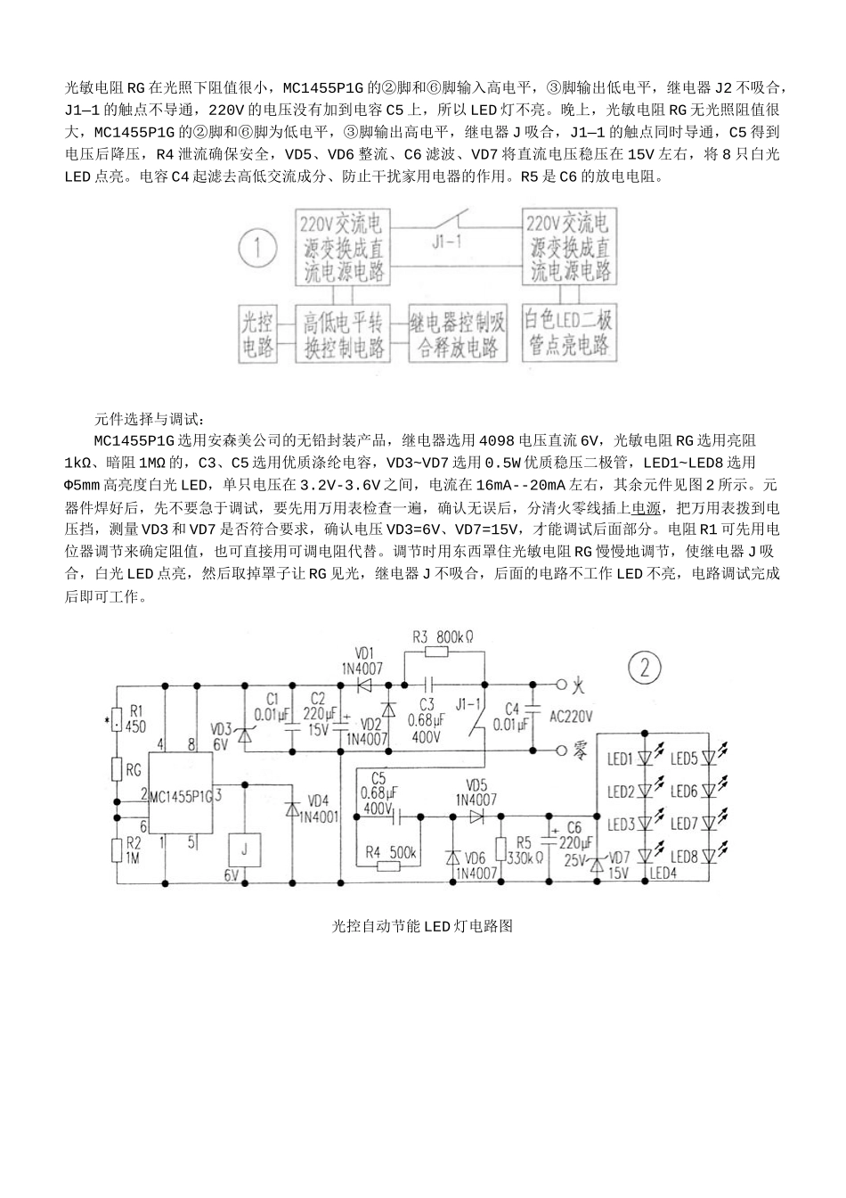
人体感应、声光控灯头开关电路图下图声光控节能灯座电路声光控节能灯座节电效果显著,采用该灯座白天灯不亮,夜间有声音灯即亮。该灯座电路简洁,声控部分采用了驻极体话筒,电路见附图所示。220V电源经桥式整流、220kΩ电阻降压、100μF电容滤波后得到5V电压供给数字集成电路HD14011工作。白天有光照时,光电二极管2CU呈低阻状态,IC的{1}、{2}脚为低电位,{3}脚为高电位,白天不论有无声音,即不论{4}脚电位如何,{13}脚始终钳位于高电位,{12}脚也为高电位。因此{11}脚为低电位,可控硅截止,灯泡不亮。夜晚无光照时,2CU呈高阻状态,{3}脚为低电位,这时若有人发出声响,驻极体话筒拾取信号,经{5}、{6}脚输入到放大器放大后由臆脚输出。当{4}脚为低时,{13}脚也为低,{11}脚为高,触发可控硅BT169导通,灯泡点亮。同时10μF电容充电,充电之初{8}、{9}脚为高电位,使{12}脚为低电位。声音过后,{13}脚恢复高电位,但由于{12}脚为低电位,所以{11}脚继续保持高电位,灯继续点亮。10μF电容继续充电。几十秒钟后,{8}、{9}脚为低电位,{11}脚也翻转为低电位,可控硅截止,灯灭。下图:VD1-VD4是IN4007,VD5是2CW56(8V),VD6是4148,VT7是9013,VS是MCR100-8;R1是22k,R2是22m,R3是33k,R4是47k,R5是1.5m,R6是5.1欧,R7是240k(全部是1/8碳膜电阻);C1是瓷介电容104(0.1uf),C2是电解电容22uf/16v,C3是100uf/16v;MIC(B)是CRZ-113F驻极体电容话筒;GR是光敏电阻MG45;IC是CD4011。声光双控延迟节能电照明灯上图:这是一个成熟的电路,你不必担心它的可靠性。灵敏度也很好,加大R3,提高灵敏度,反之减低灵敏度。串接于电路中的受声控负载(感性:如节能灯,或阻性:如灯泡)由于串接特性所以此电路可以直接接于开关点上代替原开关。下图光控自动节能LED灯电路图以往的光控电路负载都是使用白炽灯,尽管是晚上使用,白天停止工作,一年下来电费也很可观。笔者制作的电路使用8只高亮度白光LED,亮度柔和,非常省电、笔者认为应该是今后发展的方向。工作原理:电路框图见图1,电原理图见图2。AC220V电压经C3降压,R3泄流,VD1、VD2整流,C2、C1滤波得到平滑的直流电,稳压二极管VD3把电压稳定在6V,给MC1455P1G供电,并经刚给光敏电阻供电。白天,光敏电阻RG在光照下阻值很小,MC1455P1G的②脚和⑥脚输入高电平,③脚输出低电平,继电器J2不吸合,J1—1的触点不导通,220V的电压没有加到电容C5上,所以LED灯不亮。晚上,光敏电阻RG无光照阻值很大,MC1455P1G的②脚和⑥脚为低电平,③脚输出高电平,继电器J吸合,J1—1的触点同时导通,C5得到电压后降压,R4泄流确保安全,VD5、VD6整流、C6滤波、VD7将直流电压稳压在15V左右,将8只白光LED点亮。电容C4起滤去高低交流成分、防止干扰家用电器的作用。R5是C6的放电电阻。元件选择与调试:MC1455P1G选用安森美公司的无铅封装产品,继电器选用4098电压直流6V,光敏电阻RG选用亮阻1kΩ、暗阻1MΩ的,C3、C5选用优质涤纶电容,VD3~VD7选用0.5W优质稳压二极管,LED1~LED8选用Φ5mm高亮度白光LED,单只电压在3.2V-3.6V之间,电流在16mA--20mA左右,其余元件见图2所示。元器件焊好后,先不要急于调试,要先用万用表检查一遍,确认无误后,分清火零线插上电源,把万用表拨到电压挡,测量VD3和VD7是否符合要求,确认电压VD3=6V、VD7=15V,才能调试后面部分。电阻R1可先用电位器调节来确定阻值,也可直接用可调电阻代替。调节时用东西罩住光敏电阻RG慢慢地调节,使继电器J吸合,白光LED点亮,然后取掉罩子让RG见光,继电器J不吸合,后面的电路不工作LED不亮,电路调试完成后即可工作。光控自动节能LED灯电路图热释电红外传感及光照双控延时节能灯电路图人体热电自动节能灯电路图声控延时照明节能灯电路图1声控延时照明节能灯电路图2声控延时照明节能灯电路图3单向可控硅PCR606J引脚图声光控制照明电路原理图

1、当您付费下载文档后,您只拥有了使用权限,并不意味着购买了版权,文档只能用于自身使用,不得用于其他商业用途(如 [转卖]进行直接盈利或[编辑后售卖]进行间接盈利)。
2、本站所有内容均由合作方或网友上传,本站不对文档的完整性、权威性及其观点立场正确性做任何保证或承诺!文档内容仅供研究参考,付费前请自行鉴别。
3、如文档内容存在违规,或者侵犯商业秘密、侵犯著作权等,请点击“违规举报”。

碎片内容

人体感应、声光控灯头开关电路图

文泉书屋+ 关注
实名认证
内容提供者

热爱教学事业,对互联网知识分享很感兴趣

确认删除?
VIP
微信客服
  • 扫码咨询
会员Q群
  • 会员专属群点击这里加入QQ群
客服邮箱
回到顶部