电脑桌面
添加小米粒文库到电脑桌面
安装后可以在桌面快捷访问

综采工作面启封密闭排放瓦斯安全技术措施VIP免费

综采工作面启封密闭排放瓦斯安全技术措施_第1页
1/15
综采工作面启封密闭排放瓦斯安全技术措施_第2页
2/15
综采工作面启封密闭排放瓦斯安全技术措施_第3页
3/15
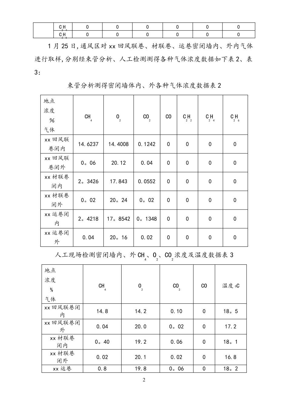
综采工作面启封密闭、排放瓦斯专项安全技术措施综采工作面封闭后瓦斯浓度逐渐升高,给矿井安全带来隐患,根据集团公司*月*日专题会议精神,计划启封综采工作面密闭,进行瓦斯排放,恢复正常通风。经闭墙内束管监测和人工实时监测,闭墙内瓦斯浓度为2.3521-14。6%,根据集团公司瓦斯分级排放制度,需制定专项排放瓦斯措施,经矿总工程师批准,矿山救护队负责人审核后,由救护大队入井后排放。为保证施工期间的安全,特制定如下安全技术措施:一、综采工作面现状1、工作面概况(1)工作面支护情况:综采工作面开采2#煤层,材、运两巷采用锚、索、网、梁联合支护,巷道为矩形断面,工作面安装有97架ZY5200/14/32型掩护式液压支架。工作面封闭时,已回采199。5m,现运巷断面为9。58m2,长度为660m;材巷断面为9。02m2,长度为493m;工作面断面为13。62m2,长度145m。(2)工作面设备情况:综采工作面密闭前,已形成回采系统,综采设备均未撤出.(3)密闭处“三断”情况:风水瓦斯管路、电缆、轨道等均按要求全部断开.(4)工作面通风情况:综采工作面密闭前,xx运巷进风,xx材巷回风,工作面需配风量900m3/min,实际配风量为986m3/min。2、密闭构筑情况综采工作面于2014年12月18日封闭,截止目前已封闭近35天。工作面共构筑3道密闭(xx回风联巷密闭,xx材联巷密闭,xx运巷密闭),3道密闭构筑位置分别位于距回风巷xx材回联巷岔口3m、距轨道巷xx材联0巷岔口2m、距xx运巷2110运巷岔口4m。密闭墙全部采用料石构筑,墙面喷浆处理,墙体厚度为0.6m.在材联巷内距xx材联巷密闭15m处存在一组无压风门,无压风门上方调节风窗处于打开状态。根据密闭日常检查情况,3道闭墙处未发现出水现象。3、闭墙内气体情况综采工作面封闭过程中敷设有3处束管监测地点(T1、T2、T3)。T1设置在xx回风联巷密闭以里40m位置处,对xx材巷气体进行采样;T2设置在综采工作面上隅角位置处,对综采工作面气体进行采样;T3设置在距xx运巷密闭以里25m位置处,对xx运巷气体进行采样.(综采工作面束管监测位置见附图1)近期综采工作面束管系统分析CH4、O2、CO、CO2等气体浓度数据如下表1:综采工作面束管系统分析CH4、O2、CO、CO2等气体浓度数据表1地点气体浓度%日期CH4O2CO2COC2H2C2H4C2H6CH4O2CO2COC2H2C2H4C2H6CH4O2CO2COC2H21月18日1月19日1月20日1月21日1月22日1月23日xx材巷T1综采工作面T2xx运巷T35。796417。87450.333600006.957417.37450.166400002。285517。87320。1397005。608217。89820.298200007.114217。44340.164000002。298917.95230.1364005。754117。96520。374000007。103617。34140。153200002。252117.96320.13400015.127717.52200.300500005。785117.35350。154100002.252117.85230.1344005。924117.93590.381000006.936617.33510。153600002.352117。84320。1340005.524217.86380.361400006。875517.40050.153400002。385717.83440.134600C2H4C2H60000000000001月25日,通风区对xx回风联巷、材联巷、运巷密闭墙内、外内气体进行取样,分别经束管分析、人工检测测得各种气体浓度数据如下表2、表3:束管分析测得密闭墙体内、外各种气体浓度数据表2地点浓度%气体xx回风联巷闭内xx回风联巷闭外xx材联巷闭内xx材联巷闭外xx运巷闭内xx运巷闭外14.62370。062。34260。0214.400820.1217.84320。240.12420.040.05520。02000000000000000000000000CH4O2CO2COC2H2C2H4C2H62。421817。85420。13480.0420。160.02人工现场检测密闭墙内、外CH4、O2、CO2浓度及温度数据表3地点浓度%气体xx回风联巷闭内xx回风联巷闭外xx材联巷闭内xx材联巷闭外xx运巷CH4O2CO2CO温度0C14.80.040。400.020.814.220.019.220.119.820.100。020.060.020。060000018。517.218。116.818。2闭内xx运巷闭外0.0420。20.02017。6通过表1、表2和表3数据对比分析,xx材运两巷闭墙内CO及其它自燃发火指标气体浓度均为0,综采工作面暂未出现自然发火预兆。通过束管分析监测与人工检测闭墙内外各种气体及温度情况,数据基本相符。闭墙内瓦斯浓度为2。3521—14.6%,二氧化碳浓度为0.0552—0.1664%,温度最高为18.50C。二、启封密闭排放瓦斯指挥部及职责1、指挥部成员...

1、当您付费下载文档后,您只拥有了使用权限,并不意味着购买了版权,文档只能用于自身使用,不得用于其他商业用途(如 [转卖]进行直接盈利或[编辑后售卖]进行间接盈利)。
2、本站所有内容均由合作方或网友上传,本站不对文档的完整性、权威性及其观点立场正确性做任何保证或承诺!文档内容仅供研究参考,付费前请自行鉴别。
3、如文档内容存在违规,或者侵犯商业秘密、侵犯著作权等,请点击“违规举报”。

碎片内容

综采工作面启封密闭排放瓦斯安全技术措施

确认删除?
VIP
微信客服
  • 扫码咨询
会员Q群
  • 会员专属群点击这里加入QQ群
客服邮箱
回到顶部