电脑桌面
添加小米粒文库到电脑桌面
安装后可以在桌面快捷访问

地坪混凝土工序质量验收记录表VIP专享VIP免费

地坪混凝土工序质量验收记录表_第1页
1/35
地坪混凝土工序质量验收记录表_第2页
2/35
地坪混凝土工序质量验收记录表_第3页
3/35
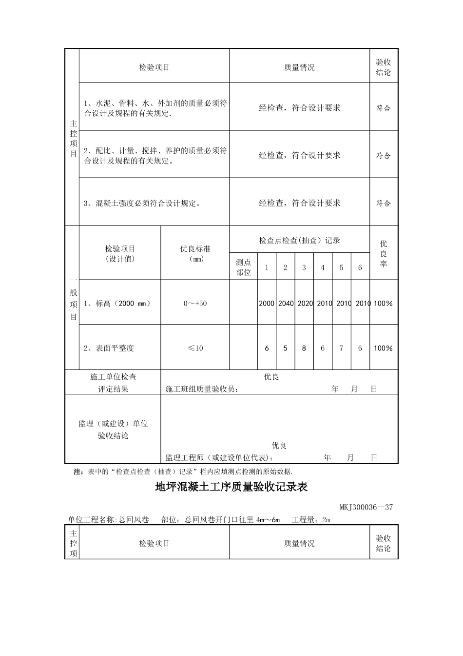
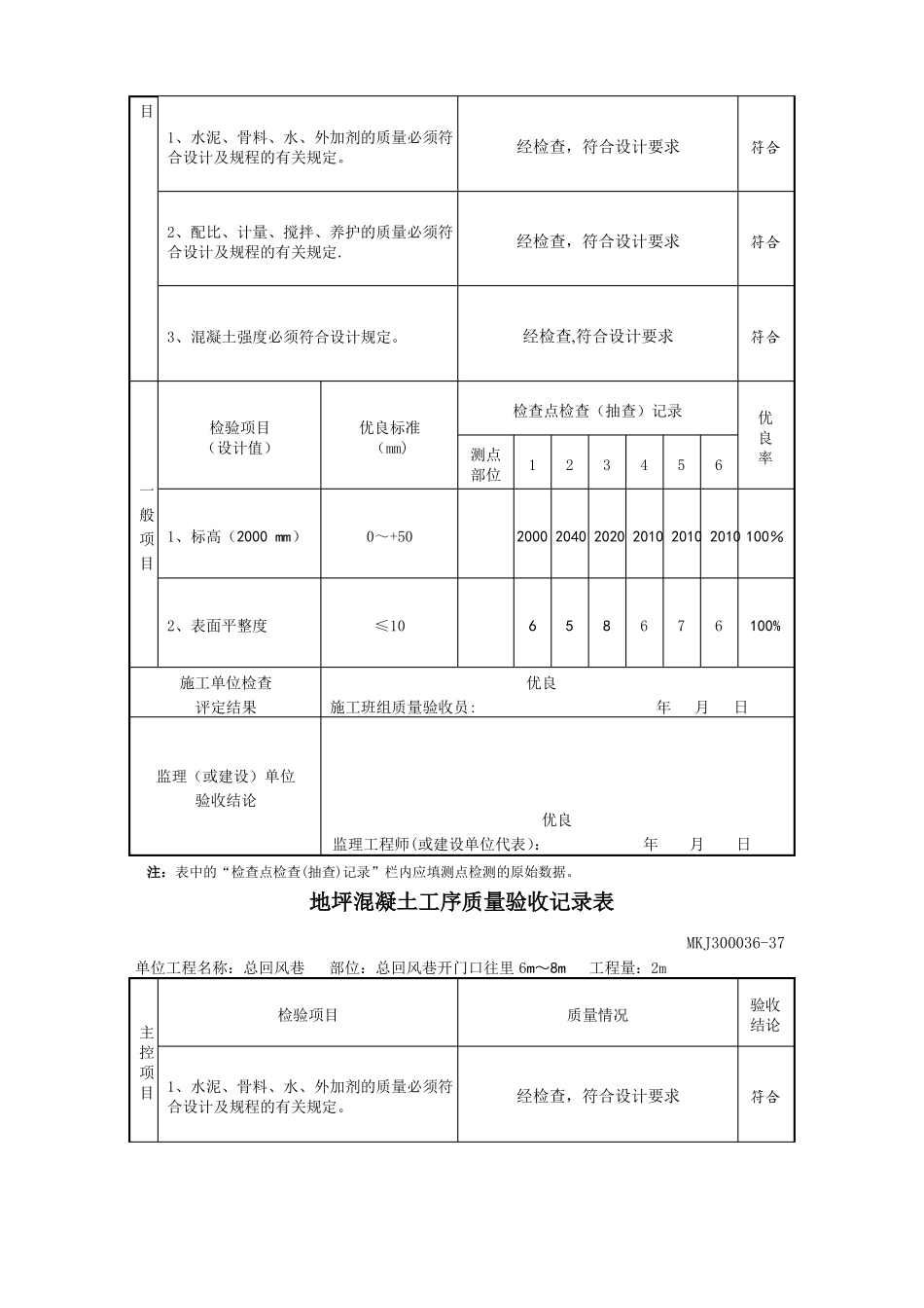
地坪混凝土工序质量验收记录表MKJ300036—37单位工程名称:总回风巷部位:总回风巷开门口往里0m~2m工程量:2m检验项目质量情况验收结论1、水泥、骨料、水、外加剂的质量必须符合设计及规程的有关规定。主控项目2、配比、计量、搅拌、养护的质量必须符合设计及规程的有关规定。经检查,符合设计要求符合经检查,符合设计要求符合3、混凝土强度必须符合设计规定。经检查,符合设计要求符合检查点检查(抽查)记录检验项目(设计值)一般项1、标高(2000mm)目0~+50优良标准(mm)测点部位123456优良率200020402020201020102010100%2、表面平整度≤10658676100%施工单位检查评定结果优良施工班组质量验收员:年月日监理(或建设)单位验收结论优良监理工程师(或建设单位代表):年月日注:表中的“检查点检查(抽查)记录”栏内应填测点检测的原始数据。地坪混凝土工序质量验收记录表MKJ300036-37单位工程名称:总回风巷部位:总回风巷开门口往里2m~4m工程量:2m检验项目质量情况验收结论1、水泥、骨料、水、外加剂的质量必须符合设计及规程的有关规定.主控项目2、配比、计量、搅拌、养护的质量必须符合设计及规程的有关规定。经检查,符合设计要求符合经检查,符合设计要求符合3、混凝土强度必须符合设计规定。经检查,符合设计要求符合检查点检查(抽查)记录检验项目(设计值)一般项1、标高(2000mm)目0~+50优良标准(mm)测点部位123456优良率200020402020201020102010100%2、表面平整度≤10658676100%施工单位检查评定结果优良施工班组质量验收员:年月日监理(或建设)单位验收结论优良监理工程师(或建设单位代表):年月日注:表中的“检查点检查(抽查)记录”栏内应填测点检测的原始数据.地坪混凝土工序质量验收记录表MKJ300036—37单位工程名称:总回风巷部位:总回风巷开门口往里4m~6m工程量:2m主控项检验项目质量情况验收结论目1、水泥、骨料、水、外加剂的质量必须符合设计及规程的有关规定。经检查,符合设计要求符合2、配比、计量、搅拌、养护的质量必须符合设计及规程的有关规定.经检查,符合设计要求符合3、混凝土强度必须符合设计规定。经检查,符合设计要求符合检查点检查(抽查)记录检验项目(设计值)一般项1、标高(2000mm)目0~+50优良标准(mm)测点部位123456优良率200020402020201020102010100%2、表面平整度≤10658676100%施工单位检查评定结果优良施工班组质量验收员:年月日监理(或建设)单位验收结论优良监理工程师(或建设单位代表):年月日注:表中的“检查点检查(抽查)记录”栏内应填测点检测的原始数据。地坪混凝土工序质量验收记录表MKJ300036-37单位工程名称:总回风巷部位:总回风巷开门口往里6m~8m工程量:2m检验项目主控项目1、水泥、骨料、水、外加剂的质量必须符合设计及规程的有关规定。质量情况验收结论经检查,符合设计要求符合2、配比、计量、搅拌、养护的质量必须符合设计及规程的有关规定.经检查,符合设计要求符合3、混凝土强度必须符合设计规定.经检查,符合设计要求符合检查点检查(抽查)记录检验项目(设计值)一般项1、标高(2000mm)目0~+50优良标准(mm)测点部位123456优良率200020402020201020102010100%2、表面平整度≤10658676100%施工单位检查评定结果优良施工班组质量验收员:年月日监理(或建设)单位验收结论优良监理工程师(或建设单位代表):年月日注:表中的“检查点检查(抽查)记录”栏内应填测点检测的原始数据。地坪混凝土工序质量验收记录表MKJ300036—37单位工程名称:总回风巷部位:总回风巷开门口往里8m~10m工程量:2m检验项目质量情况验收结论主1、水泥、骨料、水、外加剂的质量必须符控合设计及规程的有关规定.项目2、配比、计量、搅拌、养护的质量必须符合设计及规程的有关规定。经检查,符合设计要求符合经检查,符合设计要求符合3、混凝土强度必须符合设计规定。经检查,符合设计要求符合检查点检查(抽查)记录检验项目(设计值)一般项1、标高(2000mm)目0~+50优良标准(mm)测点部位123456优良率200020402020201020102010100%2、表面平整度≤10658676100%施工单位检查评定结果优良施工班组质...

1、当您付费下载文档后,您只拥有了使用权限,并不意味着购买了版权,文档只能用于自身使用,不得用于其他商业用途(如 [转卖]进行直接盈利或[编辑后售卖]进行间接盈利)。
2、本站所有内容均由合作方或网友上传,本站不对文档的完整性、权威性及其观点立场正确性做任何保证或承诺!文档内容仅供研究参考,付费前请自行鉴别。
3、如文档内容存在违规,或者侵犯商业秘密、侵犯著作权等,请点击“违规举报”。

碎片内容

地坪混凝土工序质量验收记录表

确认删除?
VIP
微信客服
  • 扫码咨询
会员Q群
  • 会员专属群点击这里加入QQ群
客服邮箱
回到顶部