电脑桌面
添加小米粒文库到电脑桌面
安装后可以在桌面快捷访问

ISO 9001审核实践工作组对ISO 9001VIP免费

ISO 9001审核实践工作组对ISO 9001_第1页
1/21
ISO 9001审核实践工作组对ISO 9001_第2页
2/21
ISO 9001审核实践工作组对ISO 9001_第3页
3/21
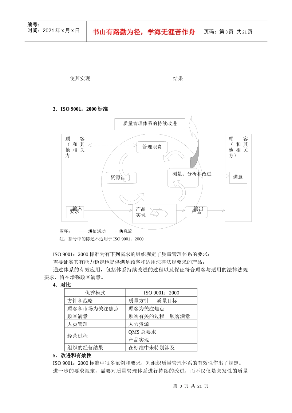
第1页共21页编号:时间:2021年x月x日书山有路勤为径,学海无涯苦作舟页码:第1页共21页ISO9001审核实践工作组对ISO9001:2000标准部分要求审核的指南性意见中国新时代质量体系中心研究发展部译译者的话国际标准化组织质量管理和质量保证技术委员会(ISO/TC176)和国际认可论坛(IAF)的质量管理专家、审核员和质量工作者组成的ISO9001审核实践工作组(ISO9001APG),针对ISO9001:2000标准审核中的疑难点,提出了指南性意见,现已发布20篇。ISO9001审核实践组ISO9001审核实践组是由ISO/TC176质量管理和质量保证技术委员会和国际认可论坛(IAF)中部分质量管理体系专家、审核员和其他业内人员组成的非正式组织。ISO9001审核实践组开发了以下一些指南和介绍性的文件,内容包括与质量管理体系审核有关的理念、案例和解释。这些文件体现了以过程为基础的方法。该方法对于审核ISO9001:2000《质量管理体系要求》是非常重要的。文件主要的对象是质量管理体系审核员、咨询人员和质量从业人员,但并不限于这些人员。这些指南和介绍性的文件反映了质量管理体系审核中的各种观点,所以这些内容可能并非始终一致,其目的也并不是要把这些文件作为规定的要求,或是用于行业内进行水平比较,或是作为所有质量管理体系审核员、咨询人员必须遵从的准则。一、需要两个阶段的审核审核依据ISO9001:2000标准建立的质量管理体系,要求审核员对受审核方的QMS及其业务的性质有很好的了解。因此,在审核前走访受审核方是有益的,进行第一阶段审核也是有好处的。第一阶段审核主要是为认证审核(第二阶段审核)界定范围、进行策划,并可使审核员了解该组织,如了解其QMS、方针、目标、风险、过程、地点等,认证机构也可利用此机会向受审核方讲明其需求和期望。在第一阶段审核中完成的活动包括:1.识别受审核方业务的关键风险以及与相关法律法规的符合性。2.评定受审核方规定的过程对满足其目标及顾客要求是否适宜。3.进行文件评审。4.确定组织的QMS文件是否充分地覆盖了ISO9001:2000标准的所有要求。这种评审通常在受审核方处进行(除非另有要求并认为合理)。作为这一活动的结果,应提交一份报告,审核员应评定支持性文件和过程说明书的内容的可获得性,同时收集有关组织QMS的范围、过程和场所的必要信息。5.起草未来的认证文件,包括范围陈述。6.策划认证审核(第二阶段审核),包括对审核组选择的要求。7.获得内审和管理评审已经策划,或已有效完成的证据。8.检查QMS已实施并为第二阶段审核作好了准备,包括适当层次的文件和支持性记录。第2页共21页第1页共21页顾客为了实现远景,我们该如何在顾客面前展现自己。财务为了在财务上获得成功,我们该如何在股东面前展现证书。内部经营过程为了股东和顾客满意,哪些经营过程须超过对手。学习与增长为了实现远景,我们将如何努力革新和改进。远景和战略领导过程组织的结果方针和战略以顾客和市场为关注焦点人员管理资源和信息管理社区的影响供方和合作者业绩顾客满意人员满意编号:时间:2021年x月x日书山有路勤为径,学海无涯苦作舟页码:第2页共21页9.假如体系有什么不足,审核员均应在审核报告中指出,以便组织有机会在认证审核(第二阶段)前改正。10.与受审核方商定第二阶段审核的日期。二、测量质量管理体系的有效性及改进在组织可选择的经营、质量和优秀模式等很多模式及工具之间有很多联系。这些模式和工具包括平衡记分卡(TheBalancedScorecard)、经营的优秀模式、ISO9001:2000质量管理体系、6希格玛、戴明和朱兰模式等。1.平衡记分卡模式将组织的任务和战略转换成一套综合的业绩测量体系,为战略测量和管理体系提供框架。2.经营的优秀模式经营的优秀模式在世界上很多类型:戴明奖;鲍德里奇奖;EFQM模式和奖项;国家经营优秀模式和奖项。典型的国家优秀模式第3页共21页第2页共21页质量管理体系的持续改进顾客(和其他相关方产品实现顾客(和其他相关方)要求满意产品测量、分析和改进资源管理管理职责编号:时间:2021年x月x日书山有路勤为径,学海无涯苦作舟页码:第3页共21页使其实现结果3.ISO9001:2000标准输入输出图释:增值...

1、当您付费下载文档后,您只拥有了使用权限,并不意味着购买了版权,文档只能用于自身使用,不得用于其他商业用途(如 [转卖]进行直接盈利或[编辑后售卖]进行间接盈利)。
2、本站所有内容均由合作方或网友上传,本站不对文档的完整性、权威性及其观点立场正确性做任何保证或承诺!文档内容仅供研究参考,付费前请自行鉴别。
3、如文档内容存在违规,或者侵犯商业秘密、侵犯著作权等,请点击“违规举报”。

碎片内容

ISO 9001审核实践工作组对ISO 9001

您可能关注的文档

确认删除?
VIP
微信客服
  • 扫码咨询
会员Q群
  • 会员专属群点击这里加入QQ群
客服邮箱
回到顶部