电脑桌面
添加小米粒文库到电脑桌面
安装后可以在桌面快捷访问

质量计划样板VIP免费

质量计划样板_第1页
1/27
质量计划样板_第2页
2/27
质量计划样板_第3页
3/27
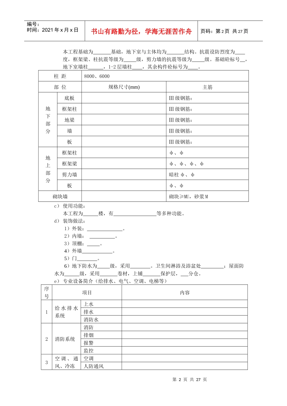
第1页共27页编号:时间:2021年x月x日书山有路勤为径,学海无涯苦作舟页码:第1页共27页1.编制说明1.1目的:建立项目质量管理,对工程质量进行有效的控制确保向顾客提供满足要求的产品。1.2适用范围:本计划适用于工程项目全过程质量管理活动。1.3编制依据:1.3.1集团公司《质量手册》、《程序文件》及相关质量体系文件。1.3.2本工程项目承包合同。1.3.3本工程项目设计文件及有关施工技术资料。1.3.4国家或行业现行《工程施工质量验收规范》、《建筑工程施工质量验收统一标准》。1.3.5本工程所在地的有关法律、法规的规定。1.3.6本工程项目施工组织设计、方案。1.4特殊例外及有效性条件声明:当出现下列情况时,对本质量计划的有效性产生影响,本项目部将针对具体情况,修订本计划。a)合同中规定的不可抗力发生时。b)重大设计变更,建筑面积增加5%以上,主体结构较大变动;大面积装修改变设计;c)新材料、新工艺、新技术中途采用或废止,施工方案较大修改;d)出现因勘探、设计、施工等原因造成较大质量问题或事故;e)因图纸、资金、环境条件、质量问题处理、业主供料等原因造成停工或大面积窝工等,累计占总工期5%以上。f)更换业主、监理方、项目部领导人。1.5说明:本质量计划是项目部质量控制文件的一部分,是保证工程质量、实现可追溯性的保障性文件。2.概述2.1本工程项目涉及各方简介:a)施工单位:河北建设集团有限公司b)业主(建设单位):c)设计单位:d)监理单位:e)政府质量监督部门:f)勘察单位:2.2工程项目概况:2.2.1计划开竣工日期:开工日期:年月日竣工日期:年月日2.2.2工程概况a)本工程项目为工程,位于,占地面积m2,总建筑面积m2,檐高m,建筑总高m。其中地下层,层高m;地上共层,首层及层层高为m,其余层高为m。b)基础和主体的结构简介:第2页共27页第1页共27页编号:时间:2021年x月x日书山有路勤为径,学海无涯苦作舟页码:第2页共27页本工程基础为基础,地下室与主体均为结构。抗震设防烈度为度,框架梁、柱抗震等级为级,剪力墙的抗震等级为级。基础砼标号,地下室墙柱,1-2层墙柱,其余构件砼标号为。柱距8000、6000部位规格尺寸(mm)主筋地下部分底板Ⅲ级钢筋:框架柱Ⅲ级钢筋:地梁Ⅲ级钢筋:墙Ⅲ级钢筋:板Ⅲ级钢筋:地上部分框架柱ф、ф框架梁ф、ф、ф、ф剪力墙暗柱ф、ф板ф、ф砌块墙砌块≥MU,砂浆Mc)使用功能:本工程为楼,有等多种功能。d)装饰做法:1)外装:。2)内墙:。3)顶棚:。4)外墙。5)门。6)地下防水为级,采用。卫生间淋浴及浴盆处;屋面防水为级,采用卷材,上铺保护层,分仓。e)专业设备简介(给排水、电气、空调、电梯等)序号项目内容1给水排水系统上水排水消防水2消防系统消防排烟报警监控3空调、通风、冷冻空调人防通风第3页共27页第2页共27页编号:时间:2021年x月x日书山有路勤为径,学海无涯苦作舟页码:第3页共27页4电力系统照明动力弱电5设备安装电梯配电箱、柜水箱污水泵螺杆机组锅炉6通讯电视、电缆7防雷8设备最大几何尺寸2.2.3本项目满足的主要法律、法规、规范、规程、验收统一标准(各项目自行调整)类别名称编号国家法律法规中华人民共和国宪法1982.12.4第五届全国人大第五次会议通过中华人民共和国建筑法1997.11.1第八届全国人大常委会第28次会议通过中华人民共和国消防法1998.4.29第九届全国人大常委会第2次会议通过建设工程质量管理条例2000.1.10国务院第25次常务会议通过建设项目环境保护管理条例第253号国务院令建筑工程施工图设计文件审查暂行办法建(2000)41号房屋建筑工程和市政基础设施工程竣工验收暂行规定建(2000)142号房屋建筑工程和市政基础设施工程竣工验收备案管理暂行办法第78号建设部令房屋建筑工程质量保修办法第80号建设部令商品住宅实行住宅质量保证书和住宅使用说明书制度的规定建房(1998)102号房屋建筑工程质量保修书(示范文本)建(2000)185号中华人民共和国合同法中华人民共和国工会法1992.4.3第七届全国人大5次会议通过中华人民共和劳动法1997.7.5第八届全国人大常委会第8次会议通过中华人民共和招投标法第4页共27页第3页共27页编号:时间:2021年x月x日书山有路...

1、当您付费下载文档后,您只拥有了使用权限,并不意味着购买了版权,文档只能用于自身使用,不得用于其他商业用途(如 [转卖]进行直接盈利或[编辑后售卖]进行间接盈利)。
2、本站所有内容均由合作方或网友上传,本站不对文档的完整性、权威性及其观点立场正确性做任何保证或承诺!文档内容仅供研究参考,付费前请自行鉴别。
3、如文档内容存在违规,或者侵犯商业秘密、侵犯著作权等,请点击“违规举报”。

碎片内容

质量计划样板

确认删除?
VIP
微信客服
  • 扫码咨询
会员Q群
  • 会员专属群点击这里加入QQ群
客服邮箱
回到顶部