电脑桌面
添加小米粒文库到电脑桌面
安装后可以在桌面快捷访问

水土保持工程质量评审表VIP专享VIP免费

水土保持工程质量评审表_第1页
1/38
水土保持工程质量评审表_第2页
2/38
水土保持工程质量评审表_第3页
3/38
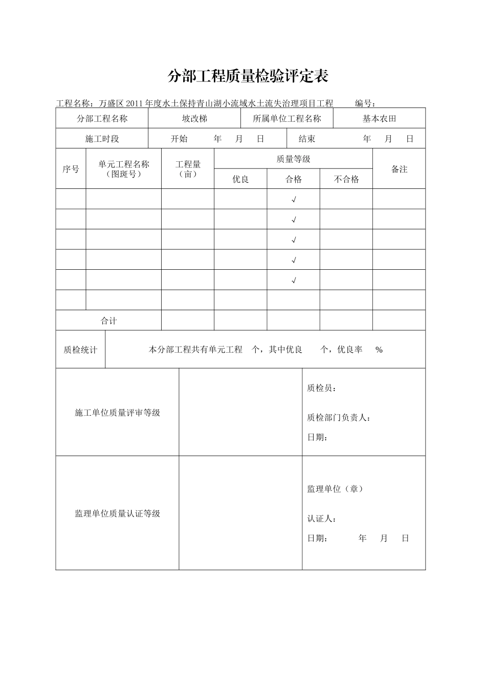
年度单位工程质量评审表(A)工程名称:万盛区2011年度水土保持青山湖小流域水土流失治理项目工程编号:工程地点:万东镇、南桐镇、金桥镇工程名称:青山湖小流域水土流夫治理项目建设单位:万盛区利民水利电力有限责任公司施工年度:2012序号单位工程项目工程量质量等级优良合格不合格坡改梯(亩).√小型水利水保工程蓄水池(口)√塘堰(座)沉沙凼(个)√沟渠(km)√道路(km)√谷坊(座)水保林(亩)√经果林(亩)√种草(亩)苗圃(亩)封禁治理(亩)√保土耕作(亩)√监理单位质量评定及认证等级:监理单位(章):总监理工程师:年月日单位工程质量评审表工程名称:万盛区2011年度水土保持青山湖小流域水土流失治理项目工程编号:单位工程名称青山湖小流域水土流夫治理项目施工时段开始2012年10月10日结束2012年11月27日序号分部工程名称质量等级单元工程数备注优良合格不合格坡改梯√施工单位质量评审等级合格质检员:质检部门负责人:日期:监理单位质量认证等级监理单位(章)认证人:日期:年月日分部工程质量检验评定表工程名称:万盛区2011年度水土保持青山湖小流域水土流失治理项目工程编号:分部工程名称坡改梯所属单位工程名称基本农田施工时段开始年月日结束年月日序号单元工程名称(图斑号)工程量(亩)质量等级备注优良合格不合格√√√√√合计质检统计本分部工程共有单元工程个,其中优良个,优良率%施工单位质量评审等级质检员:质检部门负责人:日期:监理单位质量认证等级监理单位(章)认证人:日期:年月日单元工程质量检验评定表工程名称:编号:单元工程名称所属分部工程名称坡改梯所属单位工程名称基本农田施工时段序号检查、检测项目测点数合格数备注放线检测清基检测筑埂检测填膛检验修平田面检验检测合计检验结果本检查点,其中合格点,合格率%施工单位质量评审等级质检员:质检部门负责人:日期:年月日监理单位质量认证等级监理单位(章)认证人:日期:年月日单元工程质量检验评定表工程名称:编号:单元工程名称所属分部工程名称坡改梯所属单位工程名称基本农田单元工程量亩工序编号项目名称质量检验情况工序合格、优良一保证项目定线工序合格基本项目检验项,其中优良项,优良率%允许偏差项目实测点点,其中合格点点,合格率%二保证项目清基工序合格基本项目检验项,其中优良项,优良率%允许偏差项目实测点点,其中合格点点,合格率%三保证项目筑埂工序合格基本项目检验项,其中优良项,优良率%允许偏差项目实测点点,其中合格点点,合格率%四保证项目填膛工序合格基本项目检验项,其中优良项,优良率%允许偏差项目实测点点,其中合格点点,合格率%五保证项目修平田面工序合格基本项目检验项,其中优良项,优良率%允许偏差项目实测点点,其中合格点点,合格率%检验结果工序项数项,其中优良项,优良率%单元工程质量等级评定合格施工单位意见:工程负责人:(签字)斑(组)长:(签字)日期:建设单位指定质检员终检意见:负责人:(签字)日期:监理单位核定意见:负责人:(签字)日期:单位工程质量评审表工程名称:编号:单位工程名称南方坡面水系工程施工时段开始年月日结束年月日序号分部工程名称质量等级单元工程数备注优良合格不合格蓄水池√沉沙池√排水沟√输水管网√渠道√施工单位质量评审等级质检员:质检部门负责人:日期:监理单位质量认证等级监理单位(章)认证人:日期:年月日分部工程质量检验评定表工程名称:编号:分部工程名称蓄水池所属单位工程名称南方坡面水系工程施工时段开始年月日结束年月日序号单元工程名称(图斑)工程量(口)质量等级备注优良合格不合格√√√合计质检统计本分部工程共有单元工程个,其中优良个,优良率%施工单位质量评审等级质检员:质检部门负责人:日期:监理单位质量认证等级监理单位(章)认证人:日期:年月日单元工程质量检验评定表工程名称:编号:单元工程名称所属分部工程名称所属单位工程名称蓄水池施工时段序号检查、检测项目测点数合格数备注放线检测基础开挖检测条石砌筑检测砂浆抹面检测合计0检验结果本检查点,其中合格点,合格率%施工单位质量评审等级质检员:质...

1、当您付费下载文档后,您只拥有了使用权限,并不意味着购买了版权,文档只能用于自身使用,不得用于其他商业用途(如 [转卖]进行直接盈利或[编辑后售卖]进行间接盈利)。
2、本站所有内容均由合作方或网友上传,本站不对文档的完整性、权威性及其观点立场正确性做任何保证或承诺!文档内容仅供研究参考,付费前请自行鉴别。
3、如文档内容存在违规,或者侵犯商业秘密、侵犯著作权等,请点击“违规举报”。

碎片内容

水土保持工程质量评审表

确认删除?
VIP
微信客服
  • 扫码咨询
会员Q群
  • 会员专属群点击这里加入QQ群
客服邮箱
回到顶部