电脑桌面
添加小米粒文库到电脑桌面
安装后可以在桌面快捷访问

橡胶坝安装单元工程质量评定表VIP免费

橡胶坝安装单元工程质量评定表_第1页
1/12
橡胶坝安装单元工程质量评定表_第2页
2/12
橡胶坝安装单元工程质量评定表_第3页
3/12
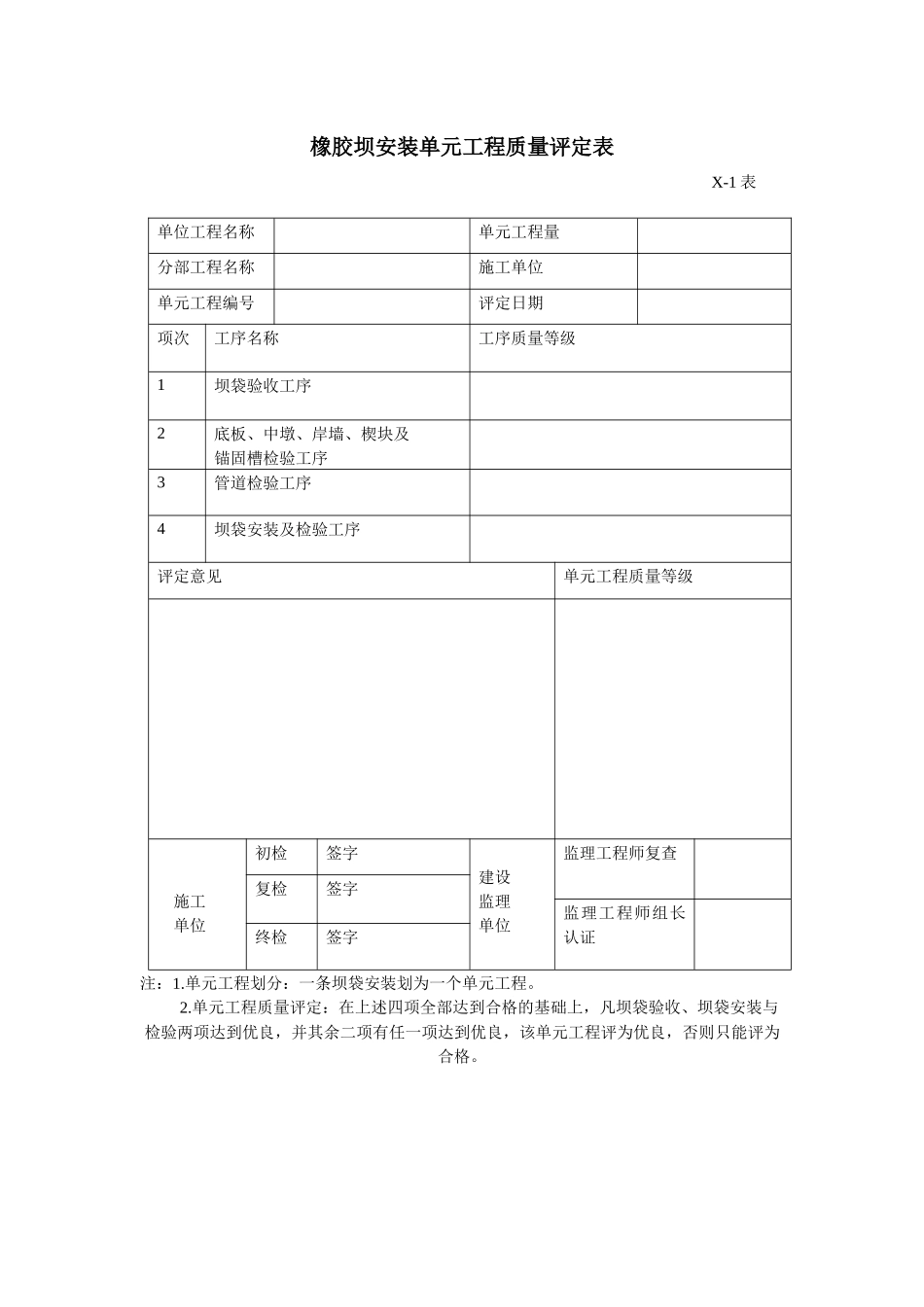
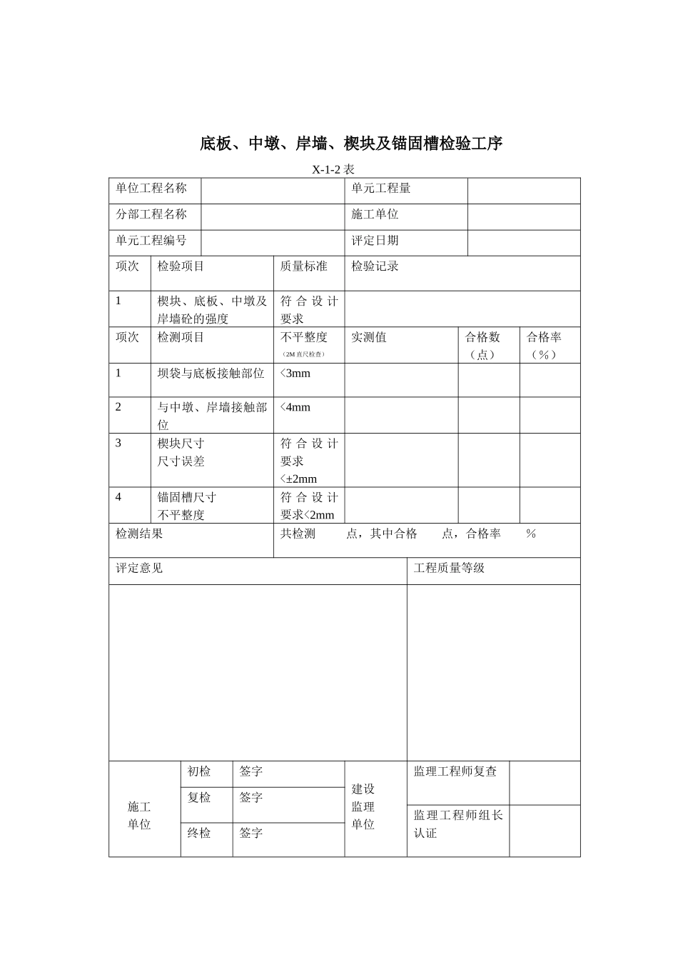
橡胶坝安装单元工程质量评定表X-1表单位工程名称单元工程量分部工程名称施工单位单元工程编号评定日期项次工序名称工序质量等级1坝袋验收工序2底板、中墩、岸墙、楔块及锚固槽检验工序3管道检验工序4坝袋安装及检验工序评定意见单元工程质量等级施工单位初检签字建设监理单位监理工程师复查复检签字监理工程师组长认证终检签字注:1.单元工程划分:一条坝袋安装划为一个单元工程。2.单元工程质量评定:在上述四项全部达到合格的基础上,凡坝袋验收、坝袋安装与检验两项达到优良,并其余二项有任一项达到优良,该单元工程评为优良,否则只能评为合格。橡胶坝袋验收工序质量评定表X-1-1表单位工程名称单元工程量分部工程名称施工单位单元工程编号评定日期项次检验项目检验记录1厂家有无橡胶坝袋生产许可证、产品合格证及保修单2有无通过国家计量认证的检测机构出具的有关参数检验报告3复查坝袋尺寸是否符合设计要求4坝袋是否画出锚固线和锚固中心线,有无上下游标记5坝袋缺陷修补情况,搬运过程中有无损伤评定意见工程质量等级施工单位初检签字建设监理单位监理工程师复查复检签字监理工程师组长认证终检签字注:1.坝袋验收应按设计要求、橡胶坝设计要求以及购销合同进行。2.坝袋所存在缺陷应详细记录。底板、中墩、岸墙、楔块及锚固槽检验工序X-1-2表单位工程名称单元工程量分部工程名称施工单位单元工程编号评定日期项次检验项目质量标准检验记录1楔块、底板、中墩及岸墙砼的强度符合设计要求项次检测项目不平整度(2M直尺检查)实测值合格数(点)合格率(%)1坝袋与底板接触部位<3mm2与中墩、岸墙接触部位<4mm3楔块尺寸尺寸误差符合设计要求<±2mm4锚固槽尺寸不平整度符合设计要求<2mm检测结果共检测点,其中合格点,合格率%评定意见工程质量等级施工单位初检签字建设监理单位监理工程师复查复检签字监理工程师组长认证终检签字注:1.检测数量:中墩、岸墙和任选三块底板,检测网格为2.0×2.0m2,每个网格测一点。2.锚固槽的上下游及内侧边缘线每三米检测一点。3.楔块尺寸抽检10﹪。管道检验工序质量评定表X-1-3表单位工程名称单元工程量分部工程名称施工单位单元工程编号评定日期项次检验项目质量标准检验记录1充排水口的位置与尺寸符合设计要求2超压溢流孔的位置与尺寸符合设计要求3测压管与通气孔的位置与尺寸符合设计要求4充排管道应畅通,无杂物,无渗漏评定意见工程质量等级初检签字建设监理工程师复查复检签字施工单位监理单位监理工程师组长认证终检签字注:1.充排管道有无渗漏现象,应通过压水实验来确定。坝袋安装与检验工序质量评定表X-1-4表单位工程名称单元工程量分部工程名称施工单位单元工程编号评定日期项次检验项目质量标准检验记录1坝袋安装按安装程序进行2(1)坝袋及安装的密封性不漏水(2)锚固构件的状况不变位(3)坝袋外观观察坝袋应平顺,局部无凹凸形态(4)坝袋变形观测三个断面9个点(5)充排观测系统情况符合设计精度要求3(1)坝袋外观观察(2)挡水高度符合设计要求4充水检查后,排除坝袋内水体,重新紧固锚固件情况评定意见工程质量等级初检签字建设监理工程师复查施工单位复检签字监理单位监理工程师组长认证终检签字注:1.坝袋具体安装必须在前三个工序检验合格后才能进行。2.有条件时应做挡水试验。坝袋尺寸检验表表1单位工程名称生产厂家坝袋编号检测时间项目标准上下游实际厚度合格点数合格率(%)坝袋总厚度mm8mm上下彩色胶厚度mm≥1mm上下面胶厚度mm包括彩胶≥2.5mm上下底胶厚度mm≥2mm上下海面胶厚度mm≥8mm垫平片厚度mm≥8mm堵头尺寸H=2500+700S1=439S=443n=323x=147左HS1Snx右HS1Snx坝袋尺寸L中=L上锚=L下锚=实际尺寸L中=L上=L下=评定意见质量等级乙方签字监理签字设代签字业主签字注:质量评定:1.检测点10个。2.长度尺寸为负误差为不合格。3.厚度误差控制在20%内为合格。4.合格率≥90%为优良,≥80%为合格。坝袋各幅缺陷统计表表2单位工程名称生产厂家坝袋编号检测时间幅数设计尺寸S1+700S+700实测尺寸余缺情况缺陷个数单幅质评123456评定意见质量等级乙方签字监理签字设代签字业主签字注:质量评定:1.缺陷包括气穴、脱胶、...

1、当您付费下载文档后,您只拥有了使用权限,并不意味着购买了版权,文档只能用于自身使用,不得用于其他商业用途(如 [转卖]进行直接盈利或[编辑后售卖]进行间接盈利)。
2、本站所有内容均由合作方或网友上传,本站不对文档的完整性、权威性及其观点立场正确性做任何保证或承诺!文档内容仅供研究参考,付费前请自行鉴别。
3、如文档内容存在违规,或者侵犯商业秘密、侵犯著作权等,请点击“违规举报”。

碎片内容

橡胶坝安装单元工程质量评定表

文泉书屋+ 关注
实名认证
内容提供者

热爱教学事业,对互联网知识分享很感兴趣

相关文档

确认删除?
VIP
微信客服
  • 扫码咨询
会员Q群
  • 会员专属群点击这里加入QQ群
客服邮箱
回到顶部