电脑桌面
添加小米粒文库到电脑桌面
安装后可以在桌面快捷访问

竣工验收质量监督、建设表VIP专享VIP免费

竣工验收质量监督、建设表_第1页
1/73
竣工验收质量监督、建设表_第2页
2/73
竣工验收质量监督、建设表_第3页
3/73
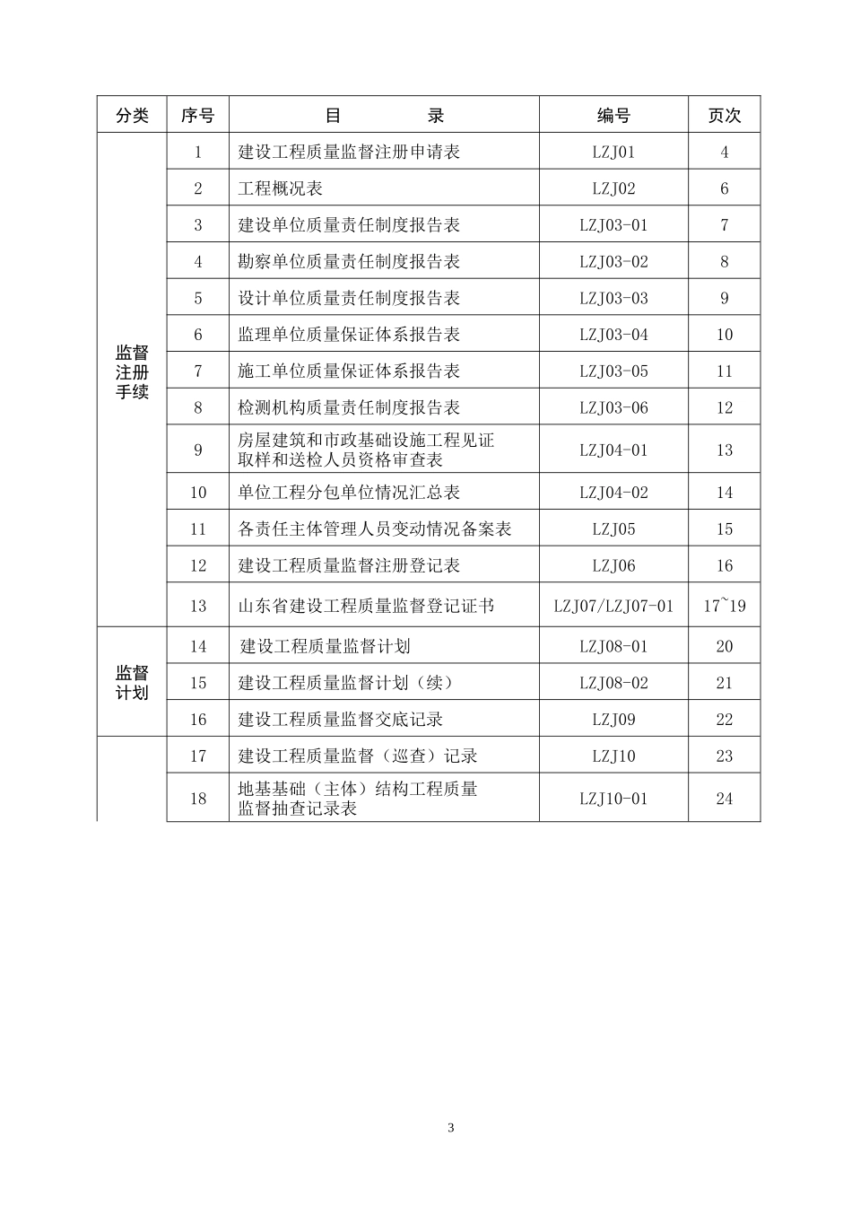
附件二档案编号:市建设工程质量监督档案(样表)工程名称:建设单位:勘察单位:设计单位:施工单位:监理单位:检测机构:图审机构:监督单位:项目监督工程师:审核:1监督注册编号:保存年限:山东省建设工程质量监督总站制年月日2分类序号目录编号页次监督注册手续1建设工程质量监督注册申请表LZJ0142工程概况表LZJ0263建设单位质量责任制度报告表LZJ03-0174勘察单位质量责任制度报告表LZJ03-0285设计单位质量责任制度报告表LZJ03-0396监理单位质量保证体系报告表LZJ03-04107施工单位质量保证体系报告表LZJ03-05118检测机构质量责任制度报告表LZJ03-06129房屋建筑和市政基础设施工程见证取样和送检人员资格审查表LZJ04-011310单位工程分包单位情况汇总表LZJ04-021411各责任主体管理人员变动情况备案表LZJ051512建设工程质量监督注册登记表LZJ061613山东省建设工程质量监督登记证书LZJ07/LZJ07-0117~19监督计划14建设工程质量监督计划LZJ08-012015建设工程质量监督计划(续)LZJ08-022116建设工程质量监督交底记录LZJ092217建设工程质量监督(巡查)记录LZJ102318地基基础(主体)结构工程质量监督抽查记录表LZJ10-01243监督巡查、检查资料19住宅工程质量通病防治检查表LZJ10-022520住宅工程质量分户验收抽查记录表LZJ10-032621混凝土、砂浆强度监督抽测情况记录表LZJ11-012722钢筋数量位置、混凝土保护层厚度、现浇楼板厚度监督抽测记录表LZJ11-022823建设工程不良质量行为记录LZJ122924建设工程质量整改(隐患)通知书LZJ133025建设工程质量整改复查意见LZJ143126建设工程质量整改报告LZJ153245分类序号目录编号页次监督巡查、检查资料27建设工程质量局部暂停施工通知书LZJ163328建设工程复工申请表LZJ173429建设工程质量复工通知书LZJ183530建设工程质量事故报告LZJ193631监督执法行政处罚建议书LZJ2037竣工验收监督资料32建设工程竣工验收监督通知书LZJ213833建设工程竣工验收人员组成名单LZJ21-013934工程竣工验收方案LZJ21-024035建设工程竣工验收记录表LZJ22/LZJ22-01、02、03、0441~4536建设工程竣工验收监督记录表LZJ234637工程质量控制资料检查记录LZJ23-01、02、0347~4938重新申请竣工备案(组织竣工验收)通知书LZJ2450工程质量监督报告39建设工程质量监督报告LZJ255140工程概况及监督工作概况表(一)LZJ25-015241工程概况及监督工作概况表(二)LZJ25-025342工程概况及监督工作概况表(三)LZJ25-035443工程概况及监督工作概况表(四)LZJ25-045544备考表LZJ2656其他资料45其他与监督工作相关的图片、影音、文字等重要文件资料备注LZJ01建设工程质量监督注册申请表工程名称_______________________监督注册编号_______________________注册日期_______________________山东省建设工程质量监督总站监制填写说明6一、本表由建设单位在申领建筑工程施工许可证前,向监督机构申请工程质量监督注册时填写,是工程资料的重要组成部分。二、本表一式四份,建设单位、施工单位、监理单位、质监站各一份。三、填写本表时应内容正确、书写规范、字迹清晰,表内子项应填写齐全,对于工程未涉及的子项应填写“无”。四、工程概况中,“基础类型”分为条形基础、独立柱基础、筏板基础、桩基等;有关单位的“资质等级及证书编号”填写资质等级和证书编号;有关人员的“资格级别及证书编号”填写执业资格类别及证书编号。五、本表填写完毕后,还应同时提交以下资料:1、工程规划许可证;2、施工中标通知书、施工合同及施工单位资质证书、项目经理资格证书;3、监理中标通知书、监理合同及监理单位资质证书、项目总监资格证书;4、施工图设计文件及审查报告、合格书;5、工程地质勘察报告;6、其他规定需要的文件资料。六、当工程项目有两家以上设计单位、监理单位时应另加附页载明。七、监督注册编号由监督机构统一组织填写。LZJ02工程概况表7工工程名称工程概况表8程概况工程地点预算造价万元工程类别□1.新建;□2.扩建;□3.改建;□4.装修;口5.其他建筑面积㎡结构类型基础类型层数计划开工时间年月日计划竣工时间年月日办理监督手续时工程形象进度施工单位单位全称资质...

1、当您付费下载文档后,您只拥有了使用权限,并不意味着购买了版权,文档只能用于自身使用,不得用于其他商业用途(如 [转卖]进行直接盈利或[编辑后售卖]进行间接盈利)。
2、本站所有内容均由合作方或网友上传,本站不对文档的完整性、权威性及其观点立场正确性做任何保证或承诺!文档内容仅供研究参考,付费前请自行鉴别。
3、如文档内容存在违规,或者侵犯商业秘密、侵犯著作权等,请点击“违规举报”。

碎片内容

竣工验收质量监督、建设表

确认删除?
VIP
微信客服
  • 扫码咨询
会员Q群
  • 会员专属群点击这里加入QQ群
客服邮箱
回到顶部