电脑桌面
添加小米粒文库到电脑桌面
安装后可以在桌面快捷访问

iso-ts169492002顾客反馈管理程序VIP免费

iso-ts169492002顾客反馈管理程序_第1页
1/5
iso-ts169492002顾客反馈管理程序_第2页
2/5
iso-ts169492002顾客反馈管理程序_第3页
3/5
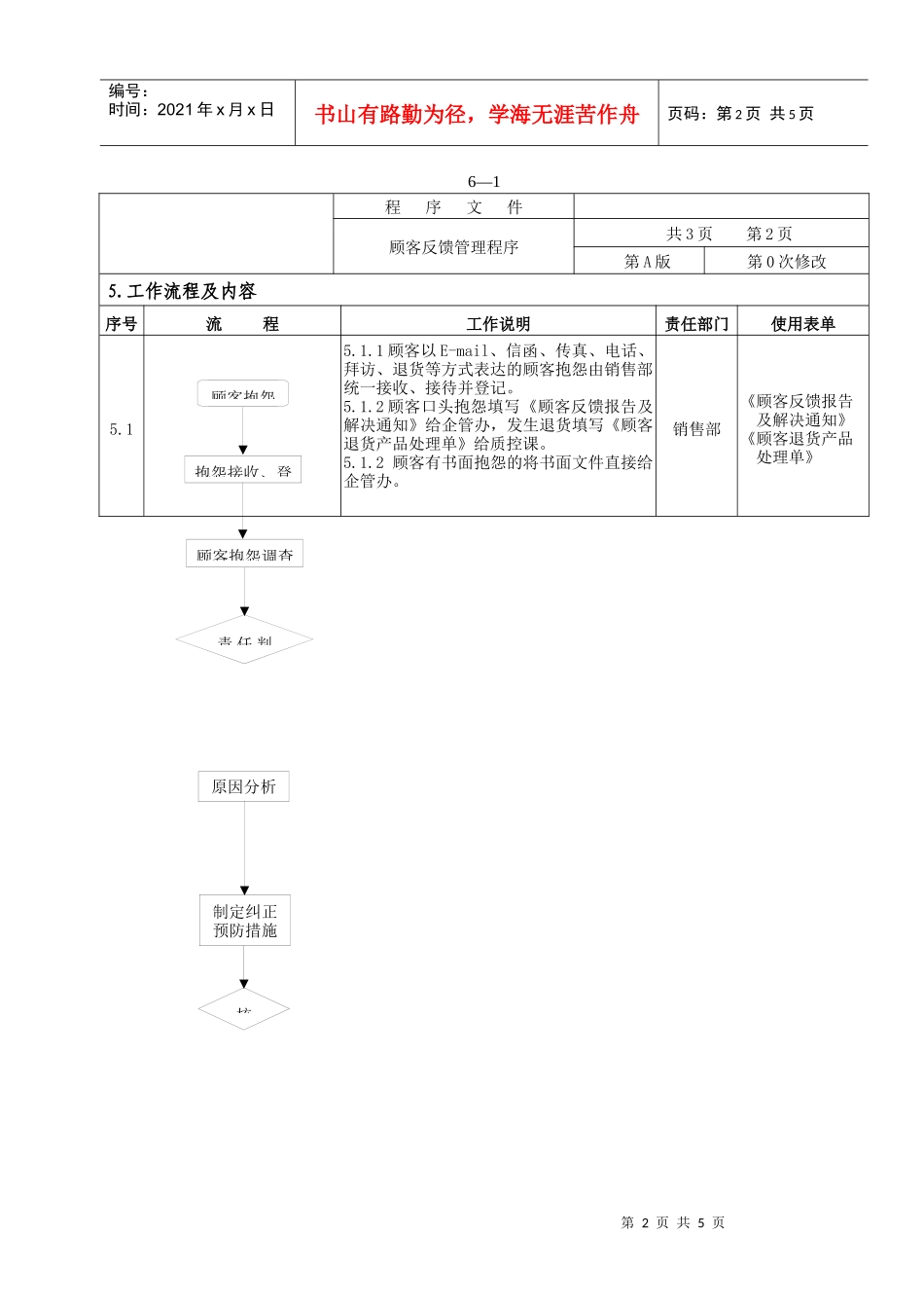
有限公司编号名称顾客反馈管理程序版号A/0修订记录页次修订次数制订审核批准程序文件顾客反馈管理程序共3页第1页第A版第0次修改1.目的为使顾客抱怨能得到及时有效的处理,并采取相应的纠正预防措施,消除造成产品或服务不合格的因素,防止其再次发生,以满足顾客要求,有效提高顾客满意度。2.适用范围本程序适用于所有接受本公司产品或服务的组织或个人,对本公司产品或服务质量的抱怨及产品退货。3.术语3.1顾客:接受公司产品或服务的组织或个人。3.2顾客抱怨:顾客因对公司产品或服务不满意而提出的意见、建议、投诉、退货或换货。4.职责4.1销售部:负责顾客抱怨信息和顾客退货产品的接收和跟踪处理。4.2企管办:负责顾客抱怨信息的确认、分析、处理和反馈;负责组织各责任单位针对顾客抱怨制定相应的纠正预防措施,以及对实施效果的验证。4.3质控课:负责顾客退货产品的检验、分析、处理和反馈。4.4各责任单位:针对顾客抱怨进行原因分析,制定纠正预防措施及实施并负责信息反馈。4.5顾客代表:负责代表顾客对反馈问题的纠正预防实施效果进行验证,必要时将结果提供给顾客。第2页共5页编号:时间:2021年x月x日书山有路勤为径,学海无涯苦作舟页码:第2页共5页6—1程序文件顾客反馈管理程序共3页第2页第A版第0次修改5.工作流程及内容序号流程工作说明责任部门使用表单5.15.1.1顾客以E-mail、信函、传真、电话、拜访、退货等方式表达的顾客抱怨由销售部统一接收、接待并登记。5.1.2顾客口头抱怨填写《顾客反馈报告及解决通知》给企管办,发生退货填写《顾客退货产品处理单》给质控课。5.1.2顾客有书面抱怨的将书面文件直接给企管办。销售部《顾客反馈报告及解决通知》《顾客退货产品处理单》顾客抱怨抱怨接收、登顾客抱怨调查责任判原因分析制定纠正预防措施核第3页共5页第2页共5页编号:时间:2021年x月x日书山有路勤为径,学海无涯苦作舟页码:第3页共5页5.25.2.1企管办组织调查分析,确定责任:1)属顾客责任:由企管办发出调查报告请顾客确认或公司内部酌情处置。2)属公司责任:企管办组织相关部门处理,并采取纠正预防措施。3)属供应商责任的:由供应部按《不合格品控制程序》的有关条款执行。5.2.2原因分析/措施制定/核准:1)企管办组织相关部门,可用QC手法、SPC及多方论证方法找出主、次原因,必要时,对顾客退回的产品或库存品通过试验和/或实验分析找到真因。2)责任部门根据主要原因制定相应措施并填写纠正预防措施,即《顾客退货产品处理单》或《顾客反馈报告及解决通知》或《纠正和预防措施处理单》。3)以上表单所涉及的原因分析和纠防措施由负责部门拟定后报管理者代表审批,未获批准的应重新分析原因再制定纠防措施,被批准的应组织实施直至问题得到有效解决。5.2.3顾客有特殊要求的应在纠防措施中得到体现,顾客要求回复的企管办应在顾客要求的时间内回复顾客,若需延迟应与顾客联络并征得其同意。通常要求一个工作日作内作出反映,三个工作内将纠正预防措施回复给顾客。企管办责任部门管理者代表《顾客反馈报告及解决通知》《纠正和预防措施处理单》6—2程序文件顾客反馈管理程序共3页第3页第A版第0次修改序号流程工作说明责任部门使用表单5.35.3.1效果验证5.3.1.1顾客代表应对纠防措施实施效果进行验证,并将有效验证结果提供给有要求的顾客。5.3.2验证无效的由企管办要求责任单位重新整改直至问题得到有效解决。顾客代表企管办《顾客反馈报告及解决通知》《纠正和预防措施处理单》顾实施纠正预防措A效果验资料归档ABYNYNBYNY第4页共5页第3页共5页编号:时间:2021年x月x日书山有路勤为径,学海无涯苦作舟页码:第4页共5页5.45.4.1与顾客抱怨有关的质量记录按《文件和记录控制程序》保存。企管办5.55.5.1企管办每月将顾客抱怨状况进行统计,并加以分析。5.5.2企管办应将顾客抱怨的分析报告提交管理评审,以便公司的持续改进。企管办5.5顾客服务信息反馈5.5.1当顾客要求公司提供服务时,如售后服务、培训服务等,由销售部组织相关部门实施,当与顾客签定有服务协议时,按协议执行。5.5.2销售部每次服务后,应作好书面记录,并将外部发生的不合格通报给相关部门。...

1、当您付费下载文档后,您只拥有了使用权限,并不意味着购买了版权,文档只能用于自身使用,不得用于其他商业用途(如 [转卖]进行直接盈利或[编辑后售卖]进行间接盈利)。
2、本站所有内容均由合作方或网友上传,本站不对文档的完整性、权威性及其观点立场正确性做任何保证或承诺!文档内容仅供研究参考,付费前请自行鉴别。
3、如文档内容存在违规,或者侵犯商业秘密、侵犯著作权等,请点击“违规举报”。

碎片内容

iso-ts169492002顾客反馈管理程序

精华资料店+ 关注
实名认证
内容提供者

大量教育教学资料

确认删除?
VIP
微信客服
  • 扫码咨询
会员Q群
  • 会员专属群点击这里加入QQ群
客服邮箱
回到顶部