电脑桌面
添加小米粒文库到电脑桌面
安装后可以在桌面快捷访问

混凝土单元工程质量评定表VIP免费

混凝土单元工程质量评定表_第1页
1/42
混凝土单元工程质量评定表_第2页
2/42
混凝土单元工程质量评定表_第3页
3/42
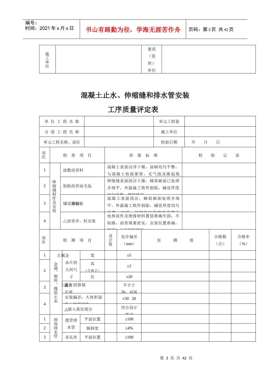
第1页共42页编号:时间:2021年x月x日书山有路勤为径,学海无涯苦作舟页码:第1页共42页混凝土单元工程质量评定表承包单位:广安宏大建筑有限责任公司合同号:监理单位:乐山市聚能水电工程监理有限责任公司编号:单位工程名称单元工程量分部工程名称施工单位单元工程名称、部位检验日期年月日项次工序名称工序质量等级1基础面或混凝土施工缝处理2模板3△钢筋4止水、伸缩缝和排水管安装5△混凝土浇筑评定意见单元工程质量等级工序质量全部合格,主要工序—钢筋、混凝土浇筑两工序质量施工单位建设(监理)单位第2页共42页第1页共42页编号:时间:2021年x月x日书山有路勤为径,学海无涯苦作舟页码:第2页共42页混凝土模板工序质量评定表单位工程名称单元工程量分部工程名称施工单位单元工程名称、部位检验日期年月日项次检查项目质量标准检验记录1△稳定性、刚度和强度符合设计要求2模板表面光洁、无污物项次检测项目设计值允许偏差(mm)实测值合格数(点)合格率(%)外露表面隐蔽内面钢模木模1模板平整度:相邻两板面高差2352局部不平(用2m直尺检查)25103板面缝隙1224结构物边线与设计边线10155结构物水平断面内部尺寸±206承重模板标高±57预留孔、洞尺寸及位置±10检测结果共检测点,其中合格点,合格率%评定意见工序质量等级主要检查项目全部符合质量标准。一般检查项目。检测项目实测点合格率%。第3页共42页第2页共42页编号:时间:2021年x月x日书山有路勤为径,学海无涯苦作舟页码:第3页共42页施工单位建设(监理)单位混凝土止水、伸缩缝和排水管安装工序质量评定表单位工程名称单元工程量分部工程名称施工单位单元工程名称、部位检验日期年月日项次检查项目质量标准检验记录1伸缩缝制作及安装涂敷沥青料混凝土表面洁净干燥,涂刷均匀平整,与混凝土粘接紧密,无气泡及隆起现2粘贴沥青油毛毡伸缩缝表面清洁干燥,蜂窝麻面已处理并填平,外露施工铁件割除,铺设厚度均匀平整,搭接紧密。3铺设预制油毡板混凝土表面清洁,蜂窝麻面处理并填平,外露施工铁件割除,铺设厚度均匀平整、牢固,相邻块安装紧密平整无4△沥青井、柱安装电热原件及绝缘材料置放准确牢固,不短路,沥青填塞密实,安装位置准确,稳固,上下层衔接好。项次检测项目设计值允许偏差(mm)实测值合格数(点)合格率(%)1金属、塑料、橡胶止水金属止水片的几何尺寸宽±52高(牛鼻子)±2长±203△金属止水片的搭接长度不小于20,双面4安装偏差:大体积混凝土细部结构±3020△插入基岩部分符合设计要求1坝体排水管拨管排水管平面位置≤1002倾斜度≤4%3多孔性平面位置≤100第4页共42页第3页共42页编号:时间:2021年x月x日书山有路勤为径,学海无涯苦作舟页码:第4页共42页安装排水管4倾斜度≤4%5△排水管通畅性通畅评定意见工序质量等级主要检查项目全部符合质量标准。一般检查项目。检测项目实测点合格率%。施工单位建设(监理)单位混凝土浇筑工序质量评定表单位工程名称单元工程量分部工程名称施工单位单元工程名称、部位检验日期年月日项次检测项目质量标准检验记录优良合格1砂浆铺筑厚度不大于3cm,均匀平整,无漏铺厚度不大于3cm,局部稍差2△入仓混凝土料无不合格料入仓少量不合格料入仓,经处理尚能满足设计要求3△平仓分层厚度不大于50cm,铺设均匀,分层清楚,无骨料集中现象局部稍差4△混凝土振捣垂直插入下层5cm,有次序,无漏振无架空和漏振5△铺料间歇时间符合要求,无初凝现象上游迎水面15m以内无初凝现象,其它部位初凝累计面积不超过1%,并经处理合格6积水和泌水无外部水流入,泌水排除及时无外部水流入,有少量泌水,排除不够及时7插筋、管路等埋设件保护保护好,符合要求有少量位移,但不影响使用8混凝土养护混凝土表面保持湿润,无时干时湿现象混凝土表面保持湿润,但局部短时间有时干时湿现象9△有表面平整要求的部位符合设计规定局部稍超出规定,但累计面积不超过0.5%10麻面无少量麻面,但累计面积不超过0.5%11蜂窝狗洞无轻微、少量、不连续,单个面积不超过0.1m2,深度不超过骨料最大粒径,已按要求12△露筋无无主筋外露,箍、副筋个别微露,已按要求处理13碰损掉角无重要部位不允...

1、当您付费下载文档后,您只拥有了使用权限,并不意味着购买了版权,文档只能用于自身使用,不得用于其他商业用途(如 [转卖]进行直接盈利或[编辑后售卖]进行间接盈利)。
2、本站所有内容均由合作方或网友上传,本站不对文档的完整性、权威性及其观点立场正确性做任何保证或承诺!文档内容仅供研究参考,付费前请自行鉴别。
3、如文档内容存在违规,或者侵犯商业秘密、侵犯著作权等,请点击“违规举报”。

碎片内容

混凝土单元工程质量评定表

确认删除?
VIP
微信客服
  • 扫码咨询
会员Q群
  • 会员专属群点击这里加入QQ群
客服邮箱
回到顶部