电脑桌面
添加小米粒文库到电脑桌面
安装后可以在桌面快捷访问

堤防工程质量评定表VIP免费

堤防工程质量评定表_第1页
1/7
堤防工程质量评定表_第2页
2/7
堤防工程质量评定表_第3页
3/7
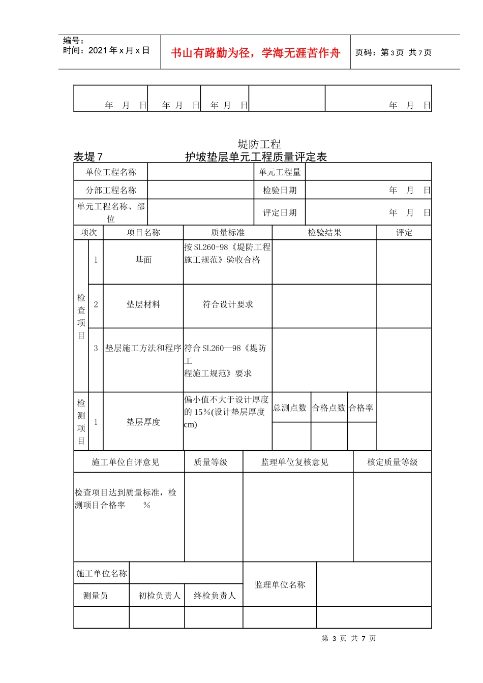
第1页共7页编号:时间:2021年x月x日书山有路勤为径,学海无涯苦作舟页码:第1页共7页堤防工程表堤1河坡处理单元工程质量评定表单位工程名称单元工程量分部工程名称检验日期年月日单元工程名称、部位评定日期年月日项次项目名称质量标准检验结果评定检查项目l基面清理堤基表层没有不合格土,杂物全部清除2一般堤基处理堤基上的坑塘洞穴已按要求处理3堤基平整压实表圆尢显著凹凸,元松土,无弹簧土检测项目1堤基清理范围堤基清理边界超过设计基面边线O.3m总测点数合格点数合格率2堤基表面压实设计干密度不小于1.6t/m³。总测点数合格点数合格率施工单位自评意见质量等级监理单位复核意见核定质量等级检查项目全部达到质量标准,清理范围检测合格率%,压实合格率%施工单位名称监理单位名称测量员初检负责人终检负责人年月日年月日年月日核定人年月日第2页共7页第1页共7页编号:时间:2021年x月x日书山有路勤为径,学海无涯苦作舟页码:第2页共7页堤防工程表堤2土方回填单元工程质量评定表单位工程名称单元工程量分部工程名称检验日期年月日单元工程名称、部位评定日期年月日项次项目名称质量标准检验结果评定检查项目l△上堤土料土质、含水率无不合格土,含水率适中2土块粒径根据压实机具,土块限制在cm以内3作业段划分、搭接机械作业不少于lOOm,人工作业不少于50m。搭接无界沟4碾压作业程序碾压机械行走平行于堤轴线,碾迹及搭接碾压符合要求检测项目1铺料厚度允许偏差:O~一5cm(设计铺料厚度25cm)总测点数合格点数合格率2铺料边线允许偏差:人工+10~+20cm,机械+10~+30cm总测点数合格点数合格率3△压实指标设计干密度不小于1.6t/m³。总测点数合格点数合格率施工单位自评意见质量等级监理单位复核意见核定质量等级检查项目达到质量标准;铺料厚度和铺料边线合格率为%,压实干密度合格率%施工单位名称监理单位名称测量员初检负责人终检负责人核定人第3页共7页第2页共7页编号:时间:2021年x月x日书山有路勤为径,学海无涯苦作舟页码:第3页共7页年月日年月日年月日年月日堤防工程表堤7护坡垫层单元工程质量评定表单位工程名称单元工程量分部工程名称检验日期年月日单元工程名称、部位评定日期年月日项次项目名称质量标准检验结果评定检查项目l基面按SL260-98《堤防工程施工规范》验收合格2垫层材料符合设计要求3垫层施工方法和程序符合SL260—98《堤防工程施工规范》要求检测项目l垫层厚度偏小值不大于设计厚度的15%(设计垫层厚度cm)总测点数合格点数合格率施工单位自评意见质量等级监理单位复核意见核定质量等级检查项目达到质量标准,检测项目合格率%施工单位名称监理单位名称测量员初检负责人终检负责人第4页共7页第3页共7页编号:时间:2021年x月x日书山有路勤为径,学海无涯苦作舟页码:第4页共7页年月日年月日年月日核定人年月日堤防工程表堤10浆砌石护坡单元工程质量评定表单位工程名称单元工程量分部工程名称检验日期年月日单元工程名称、部位评定日期年月日项次项目名称质量标准检验结果评定检查项目1石料、水泥、砂符合SL260—98{堤防工程施工规范》要求2砂浆配合比符合设计要求3浆砌空隙用小石填塞,不得用砂浆充填,坐浆饱满,无空隙4勾缝无裂缝、脱皮现象检测项目1砌石厚度允许偏差为设计厚度的士10%总测点数合格点数合格率2坡面平整度2m靠尺检测凹凸不超过5cm总测点数合格点数合格率施工单位自评意见质量等级监理单位复核意见核定质量等级检查项目达到质量标准,检测项目合格率%施工单位名称第5页共7页第4页共7页编号:时间:2021年x月x日书山有路勤为径,学海无涯苦作舟页码:第5页共7页监理单位名称测量员初检负责人终检负责人年月日年月日年月日核定人年月日堤防工程表堤12堤脚防护(水下抛石)单元工程质量评定表单位工程名称单元工程量分部工程名称检验日期年月日单元工程名称、部位评定日期年月日项次项目名称质量标准检验结果评定检查项目1抗冲体结构、质量、强度符合设计要求2抛投程序符合设计要求3抛投位置和数量按单元工程内各网格位置和数量抛投检测项目l各种抗冲体工程量体积允许偏差+lO%.但不得偏小总测点数合格点数合格率2护脚坡面相应位置...

1、当您付费下载文档后,您只拥有了使用权限,并不意味着购买了版权,文档只能用于自身使用,不得用于其他商业用途(如 [转卖]进行直接盈利或[编辑后售卖]进行间接盈利)。
2、本站所有内容均由合作方或网友上传,本站不对文档的完整性、权威性及其观点立场正确性做任何保证或承诺!文档内容仅供研究参考,付费前请自行鉴别。
3、如文档内容存在违规,或者侵犯商业秘密、侵犯著作权等,请点击“违规举报”。

碎片内容

堤防工程质量评定表

确认删除?
VIP
微信客服
  • 扫码咨询
会员Q群
  • 会员专属群点击这里加入QQ群
客服邮箱
回到顶部