电脑桌面
添加小米粒文库到电脑桌面
安装后可以在桌面快捷访问

)公路工程质量鉴定办法VIP免费

)公路工程质量鉴定办法_第1页
1/43
)公路工程质量鉴定办法_第2页
2/43
)公路工程质量鉴定办法_第3页
3/43
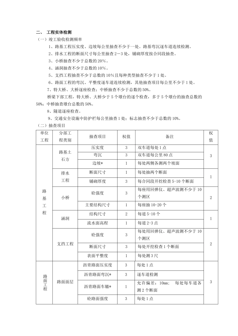
附件1公路工程质量鉴定办法一、质量鉴定要求(一)基本要求1、公路工程质量鉴定由该建设项目的质量监督机构或竣工验收单位指定的质量监督机构负责组织。2、公路工程质量鉴定工作包括工程实体检测、外观检查和内业资料审查。3、公路工程质量鉴定依据质量监督机构在交工验收前和竣工验收前的工程质量检测资料,同时可结合监督过程中的检查资料进行评定(必要时工程质量检测工作可委托有相应资质的检测机构承担)。4、质量监督机构的工程质量鉴定报告应在竣工验收前完成。(二)单位工程和分部工程的划分1、单位工程每个合同段范围内的路基工程、路面工程、交通安全设施分别作为一个单位工程;特大桥、大桥、中桥、隧道以每座作为一个单位工程(特大桥、大桥、特长隧道、长隧道分为多个合同段施工时,以每个合同段作为一个单位工程);互通式立体交叉的路基、路面、交通安全设施按合同段纳入相应单位工程,桥梁工程按特大桥、大桥、中桥分别作为一个单位工程。2、分部工程每个合同段的路基土石方、排水、小桥、涵洞、支挡、路面面层、标志、防护栏等分别作为一个分部工程;桥梁上部、下部各作为一个分部工程;隧道衬砌、总体各作为一个分部工程。(三)鉴定方法1、分部工程质量鉴定方法工程实体检测以本办法规定的抽查项目及频率为基础,按抽查项目的合格率加权平均计算分部工程的合格率,乘100作为分部工程实测得分;外观检查存在的缺陷,在分部工程实测得分的基础上采用扣分制,扣分累计不得超过15分;内业资料审查时资料中存在的问题,在合同段工程质量得分的基础上采用扣分制,扣分累计不得超过5分。Σ[抽查项目合格率×权值]分部工程实测得分=×100Σ权值分部工程得分=分部工程实测得分-外观扣分2、单位工程、合同段、建设项目工程质量鉴定方法根据分部工程得分采用加权平均值计算单位工程得分,再逐级加权计算合同段工程质量得分。合同段工程质量得分减去内业资料扣分为该合同段工程质量鉴定得分,采用加权平均值计算建设项目工程质量鉴定得分。Σ[分部工程得分×权值]单位工程得分=Σ权值Σ[单位工程得分×单位工程投资额]合同段工程质量得分=Σ单位工程投资额合同段工程质量鉴定得分=合同段工程质量得分-内业资料扣分Σ[合同段工程质量鉴定得分×合同段工程投资额]建设项目工程质量鉴定得分=Σ合同段工程投资额(四)工程质量等级鉴定1、总体要求构造物混凝土强度、路面面层厚度的代表值、路面弯沉代表值等按《公路工程质量检验评定标准》(JTGF80)评定均合格;桩基的无破损检测、预应力构件的张拉应力、桥梁荷载试验等均符合设计要求,桥梁主要受力部位无超过规范要求的裂缝,桥梁通航净空尺度满足设计要求;隧道支护、衬砌厚度无严重不足,隧道支护、衬砌背后无严重空洞;重要支挡工程无严重变形、高填方无严重沉陷变形、高边坡无失稳等现象。只有上述要求得到满足后,方可对工程质量进行鉴定。2、工程质量等级划分工程质量等级应按分部工程、单位工程、合同段、建设项目逐级进行评定,分部工程质量等级分为合格、不合格两个等级;单位工程、合同段、建设项目工程质量等级分为优良、合格、不合格三个等级。分部工程得分大于或等于75分,则分部工程质量为合格,否则为不合格。单位工程所含各分部工程均合格,且单位工程得分大于或等于90分,质量等级为优良;所含各分部工程均合格且得分大于或等于75分,小于90分,质量等级为合格;否则为不合格。合同段(建设项目)所含单位工程(合同段)均合格,且工程质量鉴定得分大于或等于90分,工程质量鉴定等级为优良;所含单位工程均合格,且得分大于或等于75分、小于90分,工程质量鉴定等级为合格;否则为不合格。不合格分部工程经整修、加固、补强或返工后可重新进行鉴定。但出现过重大质量事故,造成大面积返工或经加固、补强后造成历史性缺陷的工程,其相应的单位工程、合同段工程质量不得评为优良,并视其对建设项目的影响,由竣工验收委员会决定建设项目工程质量是否可评为优良。二、工程实体检测(一)竣工验收检测频率1、路基工程压实度、边坡每公里抽查不少于一处。路基弯沉逐车道连续检测。2、排水工程的断面尺寸每公...

1、当您付费下载文档后,您只拥有了使用权限,并不意味着购买了版权,文档只能用于自身使用,不得用于其他商业用途(如 [转卖]进行直接盈利或[编辑后售卖]进行间接盈利)。
2、本站所有内容均由合作方或网友上传,本站不对文档的完整性、权威性及其观点立场正确性做任何保证或承诺!文档内容仅供研究参考,付费前请自行鉴别。
3、如文档内容存在违规,或者侵犯商业秘密、侵犯著作权等,请点击“违规举报”。

碎片内容

)公路工程质量鉴定办法

精华资料店+ 关注
实名认证
内容提供者

大量教育教学资料

确认删除?
VIP
微信客服
  • 扫码咨询
会员Q群
  • 会员专属群点击这里加入QQ群
客服邮箱
回到顶部