电脑桌面
添加小米粒文库到电脑桌面
安装后可以在桌面快捷访问

品质管理表格-持续改进程序VIP免费

品质管理表格-持续改进程序_第1页
1/4
品质管理表格-持续改进程序_第2页
2/4
品质管理表格-持续改进程序_第3页
3/4
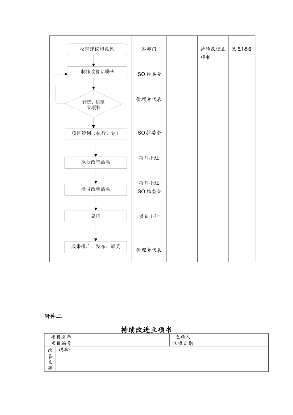
1.目的全面推广持续改进,不断改进产品过程、质量、生产率、交货期、服务等,以满足顾客及市场的要求。2.范围从顾客满意,质量体系审核数据(包括管理评审)、生产工艺、产量产值方面的数据、不合格品数据、人力资源管理数据等整个质量体系改进。3.权责3.1管理者代表:评审立项书、确定改善项目、提出改善要求、颁布改善成果、颁发成果奖。3.2ISO推委会:收集改善意见,编制立项书,执行和监督项目改善活动,总结项目改善经验和教训,向管理者代表汇报项目改善情况。3.3项目小组:按计划执行改善活动的具体工作,定期向管理者代表汇报执行情况。4.定义(无)5.作业内容5.1作业流程(见附件一)5.2项目小组成员由管理者代表指派,其组长一般要求该项目的主要担当人。项目小组主要负责改进工作或试点的执行,定期向管理者代表汇报各种各样状况。5.3改进建议的提出、评审和确定5.3.1改进建议的收集ISO推委会视情况向公司全体职员征集各方面的改进建议,作为提炼改进主题的来源之一。征集的方式可以是征文、意见箱、讨论会等。5.3.2改进项目的评审和确认5.3.2.1ISO推委会将收集的资料进行汇总整理,制订出“持续改进立项书”提交“管理者代表”。5.3.2.2管理者代表对立项书进行评审,评审的方式可以是管理者代表内部讨论或召开会议,项目评审后,要求在立项书初评栏中作评价。5.3.2.3立项:经评审后,由管理者代表签发立项书,并提出对改进项目的总体要求。5.4改进项目策划ISO推委会收到立项书后,召集有关人员组织研讨会,会前要发放有关资料,经研讨,要求明确项目小组的成员名单及具体职责,项目推行计划、资源配置及实施要求等。5.5改进项目的实施、检讨及进度跟踪5.5.1项目小组要按计划执行各项工作。5.5.2项目小组组长要负责收集执行过程中的各数据并整理。5.5.3项目小组每周要向ISO推委会提交执行情况报表。5.5.4ISO推委会每月要向管理者代表提交改进工作情况报告。5.6总结5.6.1项目完成后,项目小组要编制项目总结报告,及标准化工作,人事部并配合进行成果推广的宣传活动。5.6.2ISO协同相关人员对完成的项目进行评审,评审结果要记入立项书中。5.6.3年度总结、统计。5.7纠正措施和预防措施属于持续改进的范畴,在《纠正与预防措施程序》中对这些措施提出了具体的要求。该文件要求所采取的措施一般是在部门内部可以解决的问题。本文件要求所采取的措施一般是单独某一个或几个部门单独完成有困难的问题,这些问题要求给合和职能各层次的人员共同完成。6.相关文件6.1《纠正与预防措施程序》7.使用表单7.1持续改进立项书(FM-100-013-A)附件一持续改善程序作业流程图工作流程图权责单位相关文件使用表单描述收集建议和意见评选、确定立项书制作改善立项书项目策划(执行计划)执行改善活动检讨改善活动总结成果推广、发布、颁奖各部门ISO推委会管理者代表ISO推委会项目小组项目小组ISO推委会项目小组管理者代表持续改进立项书见5.1-5.6附件二持续改进立项书项目名称立项人项目编号立项日期改善主题现状:提出改善对策:效益分析:成本分析:改善目标:总经理意见:初评初评项目(OK、NG)生产部品管部技术部采购部后勤部总经理审议□同意执行□暂不执行签名:项目重要性项目可行性项目经济性项目效益性初评各部门综合意见:改善策划项目组长或主要负责人:项目小组成员名单:推行计划:终评终评项目(OK、NG)项目负责人跟踪人总经理审议意见:签名:进度控制资源控制实际效益制表:审批:FM-100-013-A保存期限:1年

1、当您付费下载文档后,您只拥有了使用权限,并不意味着购买了版权,文档只能用于自身使用,不得用于其他商业用途(如 [转卖]进行直接盈利或[编辑后售卖]进行间接盈利)。
2、本站所有内容均由合作方或网友上传,本站不对文档的完整性、权威性及其观点立场正确性做任何保证或承诺!文档内容仅供研究参考,付费前请自行鉴别。
3、如文档内容存在违规,或者侵犯商业秘密、侵犯著作权等,请点击“违规举报”。

碎片内容

品质管理表格-持续改进程序

您可能关注的文档

教育教学文库+ 关注
实名认证
内容提供者

本店有大量的教育教学资料,课件

相关文档

确认删除?
VIP
微信客服
  • 扫码咨询
会员Q群
  • 会员专属群点击这里加入QQ群
客服邮箱
回到顶部