电脑桌面
添加小米粒文库到电脑桌面
安装后可以在桌面快捷访问

落地式外脚手架安全施工技术措施VIP免费

落地式外脚手架安全施工技术措施_第1页
1/12
落地式外脚手架安全施工技术措施_第2页
2/12
落地式外脚手架安全施工技术措施_第3页
3/12
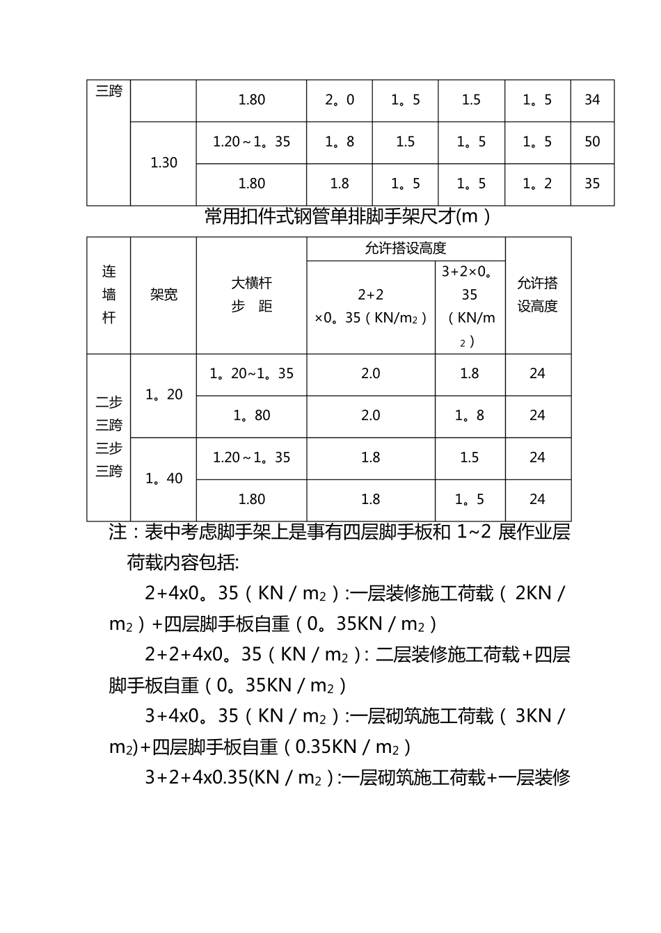
落地式外脚手架安全施工技术措施(一)施工方案1。脚手架搭设之前,应根据工程的特点和施工工艺确定搭设方案,内容应包括:基础处理、搭设要求、杆件间距及连墙杆设置位置、连接方法,并绘制施工详图及大样图。2.脚手架的搭设高度超过规范规定的要进行计算。(l)扣件式钢管脚手架搭设尺寸符合下表时,相应杆件可不再进行设计计算。但连墙件及立杆地基承载力等仍应根据实际荷载进行设计计算并绘制施工图.常用扣件式钢管双排脚手架尺才(m)立杆间距连墙杆架宽大横杆步距2+4×0.35(KN/m2)1。20~1.351。051.80二步三跨1。20~1.351.301.801.20~1.351。551。80三步1。051.20~1.351。82.01。51.81.51。51.21.543501.81.81。51。51.51。51。21.550502。01。81。81.51.51.51。51。550502。02+4×0。35(KN/m2)2+4×0.35(KN/m2)1。52+4×0.35(KN/m2)允许搭设高度1。81。550三跨1.801.20~1。351.301.802。01。81.81。51.51。51.51。51。51。51。51。2345035常用扣件式钢管单排脚手架尺才(m)允许搭设高度连墙杆架宽大横杆步距3+2×0。2+2352)允许搭设高度×0。35(KN/m2)(KN/m1。20~1。35二步三跨三步三跨1。401.801。201。801.20~1。352.02.01.81.81.81。81.51。524242424注:表中考虑脚手架上是事有四层脚手板和1~2展作业层荷载内容包括:2+4x0。35(KN/m2):一层装修施工荷载(2KN/m2)+四层脚手板自重(0。35KN/m2)2+2+4x0。35(KN/m2):二层装修施工荷载+四层脚手板自重(0。35KN/m2)3+4x0。35(KN/m2):一层砌筑施工荷载(3KN/m2)+四层脚手板自重(0.35KN/m2)3+2+4x0.35(KN/m2):一层砌筑施工荷载+一层装修施工荷载+四层脚手板自重2+2x0。35(KN/m2):一层装修+二层脚手板自重(0。35KN/m2)3+2x0.35(KN/m2):一层砌筑+二层脚手板自重(0.35KN/m2)(2)当搭设高度在25~50m时,应对脚手架整体稳定性从构造上进行加强.如纵向剪刀撑必须连续设置,增加横向剪刀撑,连墙杆的强度相应提高,间距缩小,以及在多风地区对搭设高度超过40m的脚手架,考虑风涡流的上翻力,应在设置水平连墙件的同时,还应有抗上升翻流作用的连墙措施等,以确保脚手架的使用安全。(3)当搭设高度超过50m时,可采用双立杆加强或采用分段卸荷,沿脚手架全高分段将脚手架与梁板结构用钢丝绳吊拉,将脚手架的部分荷载传给建筑物承担;或采用分段搭设,将各段脚手架荷载传给由建筑物伸出的悬挑梁、架承担,并经设计计算。(4)对脚手架进行的设计计算必须符合脚手架规范的有关规定,并经企业技术负责人审批。3。脚手架的施工方案应与施工现场搭设的脚手架类型相符,当现场因故改变脚手架类型时,必须重新修改脚手架方案并经审批后,方可施工。(二)立杆基础1。脚手架立杆基础应符合方案要求。(l)搭设高度在25m以下时,可素土夯实找平,上面铺5cm厚木板,长度为2m时垂直于墙面放置;长度大于3m时平行于墙面放置。(2)搭设高度在25~50m时,应根据现场地耐力情况设计基础作法或采用回填土分层夯实达到要求时,可用枕木支垫,或在地基上加销20cm厚道碴,其上铺设混凝土板,再仰铺12~16号槽钢.(3)搭设高度超过50m时,应进行计算并根据地耐力设计基础作法,或于地面下lm深处采用灰土地基,或浇注50cm厚混凝土基础,其上采用枕木支垫。2。扣件式钢管脚手架的底座有可锻铸铁制造与焊接底座两种,搭设时应将木垫板铺平,放好底座,再将立杆放入底座内,不准将立杆直接置于木板上,否则将改变垫板受力状态。底座下设置垫板有利于荷载传递,试验表明:标准底座下加设木垫板(板厚5cm,板长≥200cm),可将地基土的承载能力提高5倍以上。当木板长度大于2跨时,将有助于克服两立杆间的不均匀沉陷.3.当立杆不埋设时,离地面20cm处,设置纵向及横向扫地扶。设备扫地杆的做法与大横杆及小横杆相同,其作用以固定立杯底部,约束立杯水平位移及沉陷,从试验中看,不设置扫地杆的脚手架承载能力也有下降.4.东脚手架立杆埋设时,可不设置扫地杆.埋设深度30~50cm,坑底应夯实垫碎砖,坑内回填土应分层夯实。5.脚手架基础地势较低时,应考虑周围设有排水措施,木脚手架立杆埋没回填土后应留有土墩高出地面,防止下部积...

1、当您付费下载文档后,您只拥有了使用权限,并不意味着购买了版权,文档只能用于自身使用,不得用于其他商业用途(如 [转卖]进行直接盈利或[编辑后售卖]进行间接盈利)。
2、本站所有内容均由合作方或网友上传,本站不对文档的完整性、权威性及其观点立场正确性做任何保证或承诺!文档内容仅供研究参考,付费前请自行鉴别。
3、如文档内容存在违规,或者侵犯商业秘密、侵犯著作权等,请点击“违规举报”。

碎片内容

落地式外脚手架安全施工技术措施

确认删除?
VIP
微信客服
  • 扫码咨询
会员Q群
  • 会员专属群点击这里加入QQ群
客服邮箱
回到顶部