电脑桌面
添加小米粒文库到电脑桌面
安装后可以在桌面快捷访问

某钢铁厂主要生产流程及设备简介VIP免费

某钢铁厂主要生产流程及设备简介_第1页
1/18
某钢铁厂主要生产流程及设备简介_第2页
2/18
某钢铁厂主要生产流程及设备简介_第3页
3/18
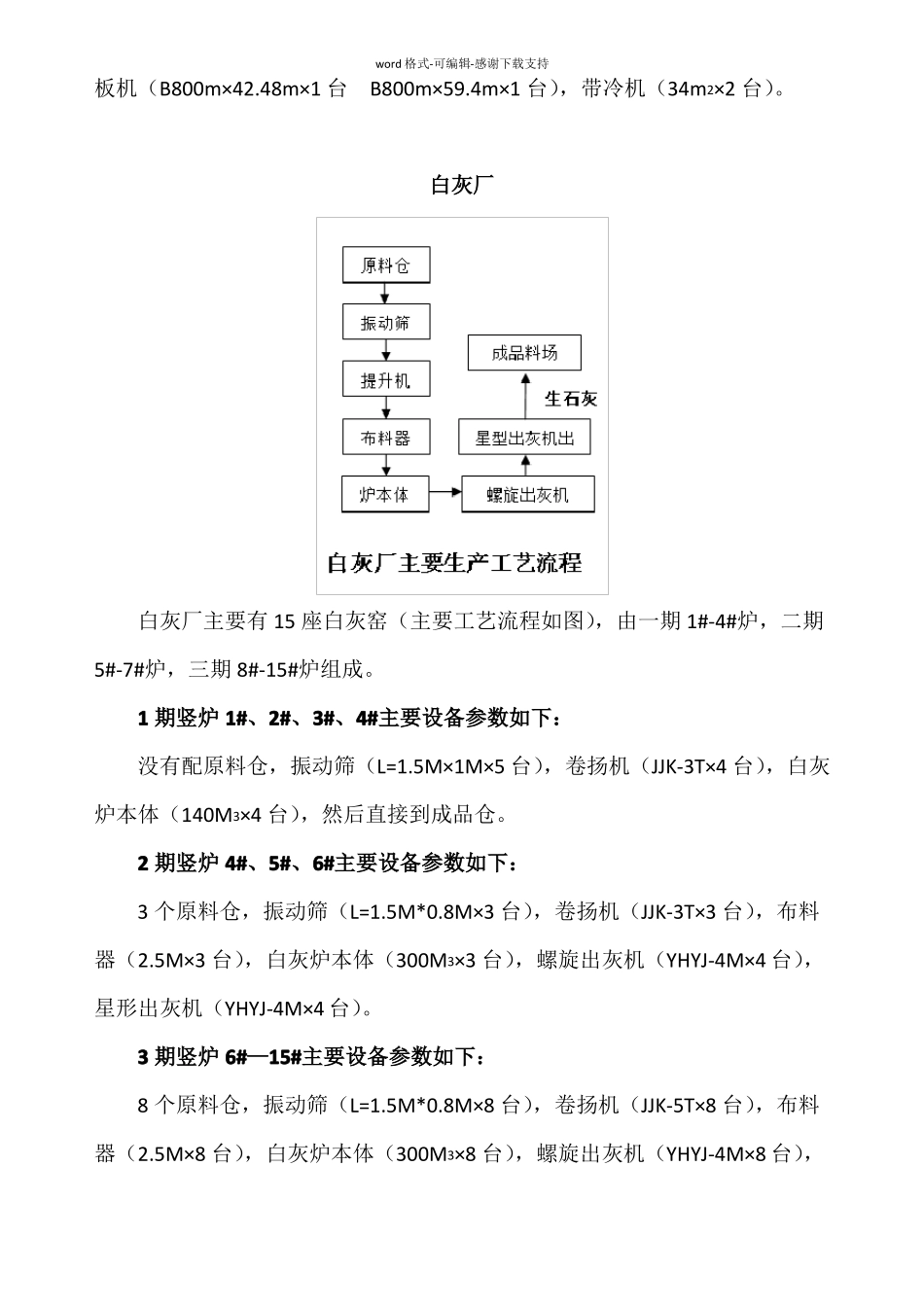
word格式-可编辑-感谢下载支持钢铁厂主要生产工艺及设备简介烧结厂烧结厂目前有1#—6#烧结机(主要工艺流程如图),其中1#、2#的烧结机属于平烧,3#、4#、5#、6#属于带烧。1、1#、2#烧结主要设备参数如下:10个原料料仓,一次混合机(Ø2.8×12m×1台),二次混合机(Ø2.8×12m×1台),平滚布料器(2台),烧结机(50m2×2台),助燃风机(4台),单辊破碎机(1台),链板机(IS125—15—M速比250×2台),1545振动筛(1.2×2.4m×2台)。2、3#、4#、5#烧结主要设备参数如下:31个原料料仓,一次混合机(Ø3.2×13m×2台),二次混合机(Ø3.8×15m×2台),梭式布料器(48×1.2m×2台),烧结机(180m2×3台),助燃风机(9-19-7.1D×6台),抽风机(2台),单辊破碎机(2X3.74m×1台,3.23×1.8m×2台),环冷(170m2×48车×3台),椭圆等厚振动筛(IDLS3075×3台,IDLS2060×3台)。3、6#烧结主要设备参数如下:16个原料料仓,一次混合机(Ø3.8×15m×1台),二次混合机(Ø4.0×20m×1word格式-可编辑-感谢下载支持台),梭式布料器(41×1.2×1台),烧结机(265m2×1台),助燃风机(9-19-7.1D×2台),单辊破碎机(2X3.74m×1台),环冷(280m2×60车×1台),椭圆等厚振动筛(TDLS3090×2台)。球团厂球团厂主要有3个竖炉(主要工艺流程如图),由老区1#,新区2#、3#竖炉组成。老区1#竖炉主要设备参数如下:6个原料料仓,烘干机(Ø2.4X14×1台),润磨机(Ø3.5X6.2m×1台),圆盘给料机(PQ1600mm×5台),造球机(Ø4.5m×5台),圆辊筛分机(TS-C型Ø102X1420X34辊X1台),竖炉本体(1m2×1台),热链板机(1台),带冷机(30m2×1台)。老区2#、3#竖炉主要设备参数如下:9个原料料仓,烘干机(Ø3.5X22m×1台Ø2.4mX12m×1台),润磨机(Ø3.5X6.2m×2台),圆盘给料机(PQ1600mm×7台),造球机(Ø4.5m×13台),瓷辊筛分机(TS-C型Ø102X1420X46辊X2台),竖炉本体(10m2×2台),热链word格式-可编辑-感谢下载支持板机(B800m×42.48m×1台B800m×59.4m×1台),带冷机(34m2×2台)。白灰厂白灰厂主要有15座白灰窑(主要工艺流程如图),由一期1#-4#炉,二期5#-7#炉,三期8#-15#炉组成。1期竖炉1#、2#、3#、4#主要设备参数如下:没有配原料仓,振动筛(L=1.5M×1M×5台),卷扬机(JJK-3T×4台),白灰炉本体(140M3×4台),然后直接到成品仓。2期竖炉4#、5#、6#主要设备参数如下:3个原料仓,振动筛(L=1.5M*0.8M×3台),卷扬机(JJK-3T×3台),布料器(2.5M×3台),白灰炉本体(300M3×3台),螺旋出灰机(YHYJ-4M×4台),星形出灰机(YHYJ-4M×4台)。3期竖炉6#—15#主要设备参数如下:8个原料仓,振动筛(L=1.5M*0.8M×8台),卷扬机(JJK-5T×8台),布料器(2.5M×8台),白灰炉本体(300M3×8台),螺旋出灰机(YHYJ-4M×8台),word格式-可编辑-感谢下载支持星形出灰机(YHYJ-4M×8台)。洗煤厂洗煤厂主要有2条洗煤线(主要工艺流程如图),由1#、2#组成洗煤厂1#、2#线主要设备参数如下:振动给料机(ZG-200×6台),原煤分级筛(YKG-1536×2台),双齿辊破碎机(ZPGL-6550×2台),无压给料三产品重介旋流器(WTMC1000/710×2台),脱介弧形筛(HXSB22-20-60-53×4台),直线筛(ZKG2448×4台),离心脱水机(TLL-900A×4台),精煤磁尾泵(100ZJ-I-B42×2台),振动弧形筛(HXSZ20-20-62×2台HXSZ20-20-63×2台),精煤高频筛(GPS1837×2台),矿浆预处理(XY-3.0×2word格式-可编辑-感谢下载支持台),浮选机(XJM-S12*4×2台),精煤压滤(XMZ-500/1600-U×4台),中矸磁选机(XCTN-1036×2台),水力旋流器机组(FX300-PU*4×2台),中煤高频筛(GPS1838×2台),尾煤压滤机(XMZ-300/1500-U×4台)。焦化厂焦化厂主要1#、2#焦炉组成,每座焦炉为55×6米捣固焦。(主要工艺流程如图)焦化厂主要设备参数如下:圆盘给料机(备煤区WRPB-2500×12台),堆取料机(DQL600/800.30×2台),圆盘给料机(配煤区WRPB-2500×7台),粉粹机(PECM-1618×1台PECM-1619×1台),装煤车(15624mm*12600mm*7400mm×2台),焦炉(55孔×6米×2台),推焦...

1、当您付费下载文档后,您只拥有了使用权限,并不意味着购买了版权,文档只能用于自身使用,不得用于其他商业用途(如 [转卖]进行直接盈利或[编辑后售卖]进行间接盈利)。
2、本站所有内容均由合作方或网友上传,本站不对文档的完整性、权威性及其观点立场正确性做任何保证或承诺!文档内容仅供研究参考,付费前请自行鉴别。
3、如文档内容存在违规,或者侵犯商业秘密、侵犯著作权等,请点击“违规举报”。

碎片内容

某钢铁厂主要生产流程及设备简介

确认删除?
VIP
微信客服
  • 扫码咨询
会员Q群
  • 会员专属群点击这里加入QQ群
客服邮箱
回到顶部