电脑桌面
添加小米粒文库到电脑桌面
安装后可以在桌面快捷访问

空调净化工程竣工验收单及附件VIP免费

空调净化工程竣工验收单及附件_第1页
1/11
空调净化工程竣工验收单及附件_第2页
2/11
空调净化工程竣工验收单及附件_第3页
3/11
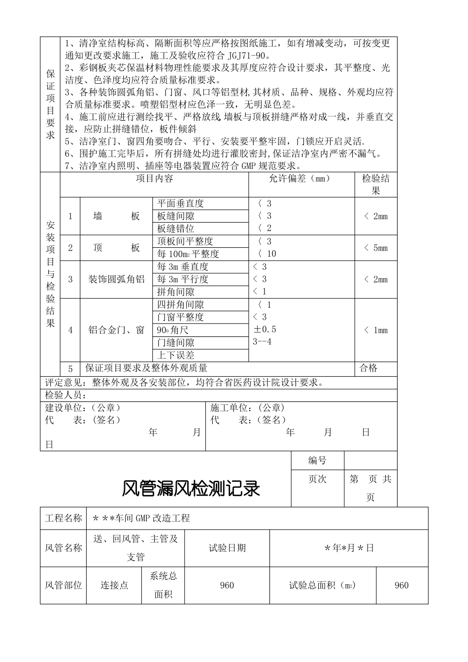
竣工验收单工程名称工程地点竣工日期***车间GMP改造工程*****有限责任公司*年*月*日开工日期验收日期*年*月*日*年*月*日工程内容:1、净化风管制作安装及保温。2、彩钢板吊顶隔断门、窗安装。3、空调箱制作安装.4、排风系统制作安装.5、净化车间设备调试检测。验收结果:各分部工程均按设计院要求施工,符合设计要求.评定意见:附件名称变更通知单土建隐蔽工程记录管线隐蔽工程系统封闭记录水管道压力试验记录风管道系统吹洗(脱脂)记录风管道风检测记录建设单位:(公章)代表:(签名)总页数////12附件名称中间验收单设备开箱检查记录设备单机试运转记录系统联合试转记录竣工验收检测调整记录彩钢板围护结构分项工程施工单位:(公章)代表:(签名)年月日编号页次第页共页年月日总页数1221/2风管道系统吹洗(脱脂)记录工程名称系统名称***车间GMP改造工程空调送、回风管排风管道日期*年*月*日脱脂、清(吹)洗项目溶剂名介质称配比、浓度压力停留或进行时间中和介质名称配比或浓度风管、主管及各支管洗洁精酒精1:5/30分钟水/自然干燥10分钟///干燥方法检查意见:用白布擦拭,无油、无灰镀锌板表面洁净干燥,符合省医药设计院设计要求。施工技术负责人:施工员:建设单位:(公章)代表:(签名)施工单位:(公章)代表:(签名)年月日年月日彩钢板围护结构分项工程质量检验记录表工程名称系统名称***车间GMP改造工程净化区域SY0318-KT—101-1(一层)编号页次第页共页1、清净室结构标高、隔断面积等应严格按图纸施工,如有增减变动,可按变更通知更改要求施工,施工及验收应符合JGJ71-90。2、彩钢板夹芯保温材料物理性能要求及其厚度应符合设计要求,其平整度、光保洁度、色泽度均应符合质量标准要求。证3、各种装饰圆弧角铝、门窗、风口等铝型材,其材质、品种、规格、外观均应符项合质量标准要求。喷塑铝型材应色泽一致,无明显色差。目4、施工前应进行测绘找平、严格放线,墙板与顶板拼缝严格对成一线,并垂直交要接,应防止拼缝错位,板件倾斜求5、洁净室门、窗四角要吻合、平行、安装要平整牢固,门锁应开启灵活.6、围护施工完毕后,所有拼缝处均进行灌胶密封,保证洁净室内严密不漏气。7、洁净室内照明、插座等电器装置应符合GMP规范要求。项目内容允许偏差(mm)检验结果平面垂直度〈3〈31墙板板缝间隙<2mm安〈2板缝错位装顶板间平整度〈32顶板<5mm项〈10每100m2平整度目每3m垂直度<3与<33装饰圆弧角铝每3m平行度<2mm检<1拼角间隙验四拼角间隙〈1结<3门窗平整度果±0.54铝合金门、窗900角尺<1mm3--4门缝间隙上下误差合格5保证项目要求及整体外观质量评定意见:整体外观及各安装部位,均符合省医药设计院设计要求。检验人员:建设单位:(公章)施工单位:(公章)代表:(签名)代表:(签名)年月年月日日编号页次第页共页风管漏风检测记录工程名称***车间GMP改造工程风管名称送、回风管、主管及支管连接点系统总面积试验日期*年*月*日风管部位960试验总面积(m)2960(m2)系统测测试方法定分段数检测区段图示:序号IIIIIIIVV检查意见20实测单位面积漏风量(m2m。h)2/分段实测数量分段表面积(m2)10.430.620.86.87。6测试方法漏光法漏光法漏光法漏光法漏光法实际漏内量(m2.h)无漏光无漏光无漏光无漏光无漏光风管、主管、支管、软连接、调节阀连接处、风管咬缝、无漏光,符合省医药设计院设计要求。检测人员建设单位:(公章)代表:(签名)年月日施工单位:(公章)代表:(签名)年月日注:风管名称指送风管或回风管;风管部位指干管、支干管或支管。编号第页共页风管漏风检测记录工程名称***车间GMP改造工程风管名称排风管道风管部位测试方法检测区段图示:序号IIIIIIIV检查意见连接点系统总面积(m2)系统测定分段数试验日期3004页次*年*月*日试验总面积(m2)实测单位面积漏风量(m2m2。h)300/分段实测数量分段表面积(m2)6。410。620。810。8测试方法漏光法漏光法漏光法漏光法实际漏内量(m2.h)无漏光无漏光无漏光无漏光风管、主管、支管、软连接、调节阀连接处、风管咬缝、无漏光,符合省医药设计院设计要求。检测人员建设单位:(公章)代表:(签名)年月...

1、当您付费下载文档后,您只拥有了使用权限,并不意味着购买了版权,文档只能用于自身使用,不得用于其他商业用途(如 [转卖]进行直接盈利或[编辑后售卖]进行间接盈利)。
2、本站所有内容均由合作方或网友上传,本站不对文档的完整性、权威性及其观点立场正确性做任何保证或承诺!文档内容仅供研究参考,付费前请自行鉴别。
3、如文档内容存在违规,或者侵犯商业秘密、侵犯著作权等,请点击“违规举报”。

碎片内容

空调净化工程竣工验收单及附件

您可能关注的文档

确认删除?
VIP
微信客服
  • 扫码咨询
会员Q群
  • 会员专属群点击这里加入QQ群
客服邮箱
回到顶部