电脑桌面
添加小米粒文库到电脑桌面
安装后可以在桌面快捷访问

设备安装质量评定表VIP免费

设备安装质量评定表_第1页
1/47
设备安装质量评定表_第2页
2/47
设备安装质量评定表_第3页
3/47
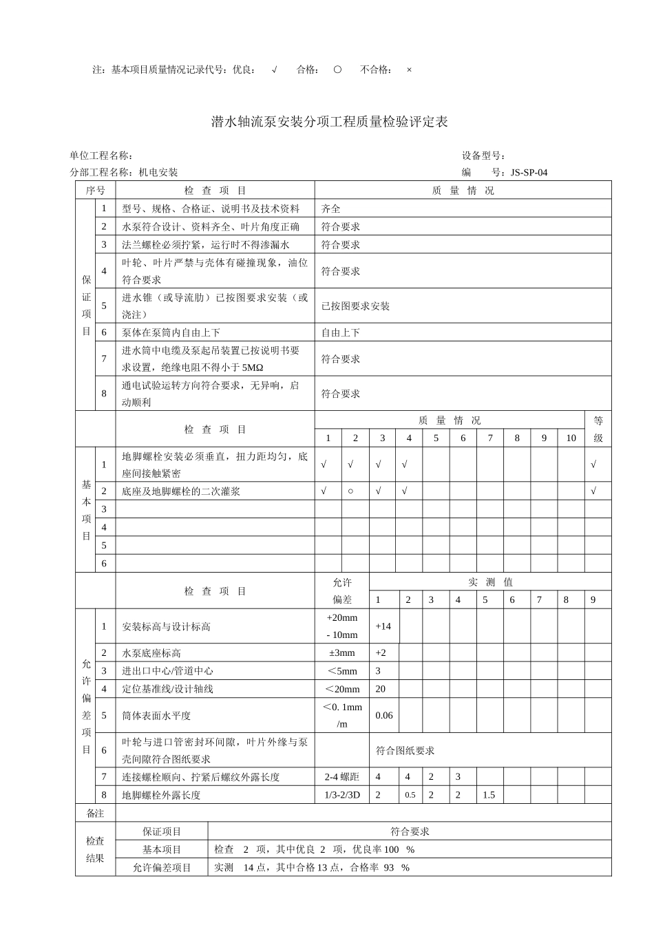
潜水泵安装质量检验评定表单位工程名称:苏州河综合整治B-12标中途提升泵站分部工程名称:机电安装序号检查项目质量情况保证项目1地脚螺栓安装垂直,螺母拧紧,扭力均匀符合要求2垫铁位置正确、平稳,每组不得超过5块符合要求3叶片外缘与泵壳之间的径向间隙必须符合产品设计要求,间隙均匀,不得小于规定的40%符合要求4通电试转,叶轮与泵上指示旋转方向一致符合要求5潜水泵滑至安装位置,自动耦合装置灵活,可靠地耦合符合要求6绝缘电阻≥5MΩ320MΩ7检查项目质量情况等级12345678910基本项目1管道连接整齐,法兰连接紧密√√√○√√2电缆安装应整齐、牢固,长度适宜√√√3导向线按规定的拉紧力安装牢固√√√4水泵吊起和装入定位正确√√√5水泵与弯管连接装置安装正确√√6水泵试运转(1)技术指标齐全,并符合技术要求√○○(2)经2h连续运转达到本标准规定的要求√√检查项目允许偏差实测值123456789允许偏差项目1安装基准线与设计轴线±20mm-52平面位置±20mm+123安装标高与设计标高+20mm-10mm+84弯座下法兰垂直度≤0.1/10000.085弯座上法兰横向水平度≤0.1/10000.056出水口中心与法兰中心5mm3.57导杆垂直度1/1000总±3mm+1.58两导杆平行度±2mm+1.5备注检查结果保证项目符合要求基本项目检查7项,其中优良6项,优良率85.7%允许偏差项目实测8点,其中合格8点,合格率100%评定等级施工班组长现场监理意见安装单位盖章施工技术员单位工程负责人注:基本项目质量情况记录代号:优良:√合格:○不合格:×潜水轴流泵安装分项工程质量检验评定表单位工程名称:设备型号:分部工程名称:机电安装编号:JS-SP-04序号检查项目质量情况保证项目1型号、规格、合格证、说明书及技术资料齐全2水泵符合设计、资料齐全、叶片角度正确符合要求3法兰螺栓必须拧紧,运行时不得渗漏水符合要求4叶轮、叶片严禁与壳体有碰撞现象,油位符合要求符合要求5进水锥(或导流肋)已按图要求安装(或浇注)已按图要求安装6泵体在泵筒内自由上下自由上下7进水筒中电缆及泵起吊装置已按说明书要求设置,绝缘电阻不得小于5MΩ符合要求8通电试验运转方向符合要求,无异响,启动顺利符合要求检查项目质量情况等级12345678910基本项目1地脚螺栓安装必须垂直,扭力距均匀,底座间接触紧密√√√√√2底座及地脚螺栓的二次灌浆√○√√√3456检查项目允许偏差实测值123456789允许偏差项目1安装标高与设计标高+20mm-10mm+142水泵底座标高±3mm+23进出口中心/管道中心<5mm34定位基准线/设计轴线<20mm205筒体表面水平度<0.1mm/m0.066叶轮与进口管密封环间隙,叶片外缘与泵壳间隙符合图纸要求符合图纸要求7连接螺栓顺向、拧紧后螺纹外露长度2-4螺距44238地脚螺栓外露长度1/3-2/3D20.5221.5备注检查结果保证项目符合要求基本项目检查2项,其中优良2项,优良率100%允许偏差项目实测14点,其中合格13点,合格率93%评定等级优良施工班组长现场监理意见安装单位盖章施工技术员单位工程负责人注:基本项目质量情况记录代号:优良:√合格:○不合格:×潜水泵泵筒安装分项工程质量检验评定表单位工程名称:M1泵站机电安装设备型号:DN1200分部工程名称:机械安装编号:JS-SP-04-1序号检查项目质量情况保证项目1型号、规格、合格证、说明书及技术资料2泵筒符合设计及满足使用要求3法兰螺栓必须拧紧,上下法兰同心4能保证泵体在泵筒内自由上下5按图要求安装(与浇注)678检查项目质量情况等级12345678910基本项目1泵筒安装固定牢靠2泵筒的二次灌浆3泵筒法兰螺栓孔安装角度456检查项目允许偏差实测值123456789允许偏差项目1泵筒安装标高偏差+20mm-10mm2泵筒底座水平度±1mm3进出口中心/管道中心<10mm4定位基准线/设计轴线<20mm5筒体垂直度<1/1000,总长<10mm<1/10006连接螺栓顺向、拧紧后螺纹外露长度2-4螺距备注检查结果保证项目基本项目检查项,其中优良项,优良率%允许偏差项目实测点,其中合格点,合格率%评定等级施工班组长现场监理意见安装单位盖章施工技术员单位工程负责人注:基本项目质量情况记录代号:优良:√合格:○不合格:×离心式通风机安装分项工程质量检验评定表单位工程名称:设备型号:分部工...

1、当您付费下载文档后,您只拥有了使用权限,并不意味着购买了版权,文档只能用于自身使用,不得用于其他商业用途(如 [转卖]进行直接盈利或[编辑后售卖]进行间接盈利)。
2、本站所有内容均由合作方或网友上传,本站不对文档的完整性、权威性及其观点立场正确性做任何保证或承诺!文档内容仅供研究参考,付费前请自行鉴别。
3、如文档内容存在违规,或者侵犯商业秘密、侵犯著作权等,请点击“违规举报”。

碎片内容

设备安装质量评定表

确认删除?
VIP
微信客服
  • 扫码咨询
会员Q群
  • 会员专属群点击这里加入QQ群
客服邮箱
回到顶部