电脑桌面
添加小米粒文库到电脑桌面
安装后可以在桌面快捷访问

工贸有限公司大矿自动化方案VIP免费

工贸有限公司大矿自动化方案_第1页
1/23
工贸有限公司大矿自动化方案_第2页
2/23
工贸有限公司大矿自动化方案_第3页
3/23
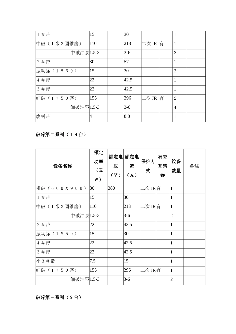
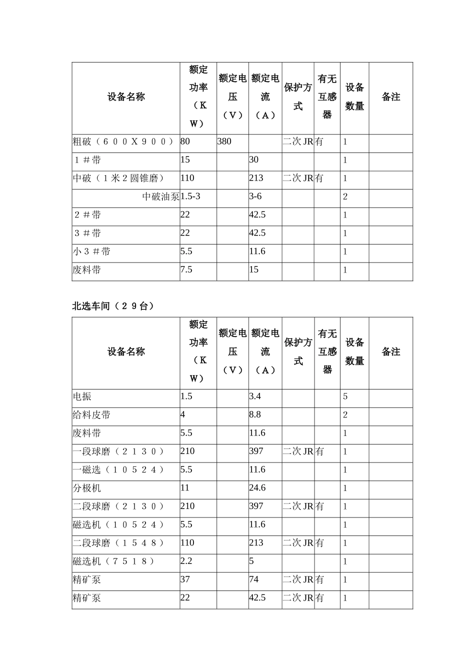
*******工贸有限公司大矿自动化方案一、工厂现状概述根据贵公司现场情况,分为主矿区和北部矿区两个部分。目前两矿厂设备为全人工看护,工作环境恶劣,设备可控性较差,许多的联锁工艺环节如皮带联锁、跑偏,球磨饱磨、胀肚等,由于全人工的操作的模糊性和滞后性,不容易及时得到响应处理。设备自动化程度较低。二、自动化改造的必要性现在工业自动化的发展日新月异,可靠性也越来越高。通过自动化监视控制,人们对工艺控制水平更容易得到提高,对设备的监控水平也越来越高。通过对老旧设备的自动化改造,能够及时方便地发现设备隐患,显著降低设备故障率,提高产能比,降低电能、原料损耗,降低污物排放量,减少污染,提高工人劳动,效率,降低现场操作人员人数,当然,这也同时要求员工有更高的素质水平。对工艺各项参数集中采集监控后,能够更快更高精度地控制工艺,提高产品质量。因此,对于设备的自动化改造,是大趋所趋,利国利民的好事。三、现有设备统计以下设备如非注明,皆为380V额定电压;如非注明有互感器,皆无互感器监测电流;如非注明保护方式,皆为主回路保护。破碎第一系列(20台)设备名称额定功率(KW)额定电压(V)额定电流(A)保护方式有无互感器设备数量备注电振5.538011.63粗破(600X900)80二次JR有11#带15301中破(1米2圆锥磨)110213二次JR有1中破油泵1.5-33-622#带30571振动筛(1850)153024#带2242.513#带2242.51细破(1750磨)155296二次JR有2细破油泵1.5-33-64废料带48.81破碎第二系列(14台)设备名称额定功率(KW)额定电压(V)额定电流(A)保护方式有无互感器设备数量备注粗破(600X900)80380二次JR有11#带15301中破(1米2圆锥磨)110213二次JR有1中破油泵1.5-33-622#带2242.51振动筛(1850)153014#带2242.513#带2242.51小3#带7.5151细破(1750磨)155296二次JR有1细破油泵1.5-33-62破碎第三系列(9台)设备名称额定功率(KW)额定电压(V)额定电流(A)保护方式有无互感器设备数量备注粗破(600X900)80380二次JR有11#带15301中破(1米2圆锥磨)110213二次JR有1中破油泵1.5-33-622#带2242.513#带2242.51小3#带5.511.61废料带7.5151北选车间(29台)设备名称额定功率(KW)额定电压(V)额定电流(A)保护方式有无互感器设备数量备注电振1.53.45给料皮带48.82废料带5.511.61一段球磨(2130)210397二次JR有1一磁选(10524)5.511.61分极机1124.61二段球磨(2130)210397二次JR有1磁选机(10524)5.511.61二段球磨(1548)110213二次JR有1磁选机(7518)2.251精矿泵3774二次JR有1精矿泵2242.5二次JR有1平面筛3磁团聚(精选机)2精磁选2渣浆泵55103二次JR有5大选车间(82台)设备名称额定功率(KW)额定电压(V)额定电流(A)保护方式有无互感器设备数量备注电振2.2-35-691#磨给料皮带48.823#磨给料皮带48.824#磨给料皮带48.81回收皮带15302废料带7.51511#球磨280600036过流继电器有11#球磨油泵1.5321#球磨分极机1124.623#球磨280600036过流继电器有13#球磨油泵1.5323#球磨分极机1124.624#球磨220416二次JR有14#球磨分极机1124.614#球磨下磁选机5.511.614#球磨下小精矿泵11242打捞机1卧泵55103二次JR有2渣浆泵185346二次JR有3滚筒筛39#带153021磁选5.511.611磁选下平面筛11磁选下精矿泵5510321磁选下磁团聚21磁选下磁选机5.511.62过滤机48.83真空泵4588二次JR有3精粉带48.83胶泵75141二次JR有3二段球磨(21375)245464二次JR有2二段球磨(2130)245464二次JR有13个球磨下平面筛10平面筛下精矿泵551032精矿泵下磁团聚2磁选机(7518)5.511.61磁选机(10524)5.511.61共约155台设备四、改造方案(一)、整体原则:A.系统性能可靠、技术成熟,能长期、稳定、连续运行。B.技术先进。(二)、功能描述1、集中控制方案:A、系统控制方式为集中联锁和就地解锁(可实...

1、当您付费下载文档后,您只拥有了使用权限,并不意味着购买了版权,文档只能用于自身使用,不得用于其他商业用途(如 [转卖]进行直接盈利或[编辑后售卖]进行间接盈利)。
2、本站所有内容均由合作方或网友上传,本站不对文档的完整性、权威性及其观点立场正确性做任何保证或承诺!文档内容仅供研究参考,付费前请自行鉴别。
3、如文档内容存在违规,或者侵犯商业秘密、侵犯著作权等,请点击“违规举报”。

碎片内容

工贸有限公司大矿自动化方案

您可能关注的文档

确认删除?
VIP
微信客服
  • 扫码咨询
会员Q群
  • 会员专属群点击这里加入QQ群
客服邮箱
回到顶部