电脑桌面
添加小米粒文库到电脑桌面
安装后可以在桌面快捷访问

高三金属及其化合物复习知识点总结VIP免费

高三金属及其化合物复习知识点总结_第1页
1/8
高三金属及其化合物复习知识点总结_第2页
2/8
高三金属及其化合物复习知识点总结_第3页
3/8
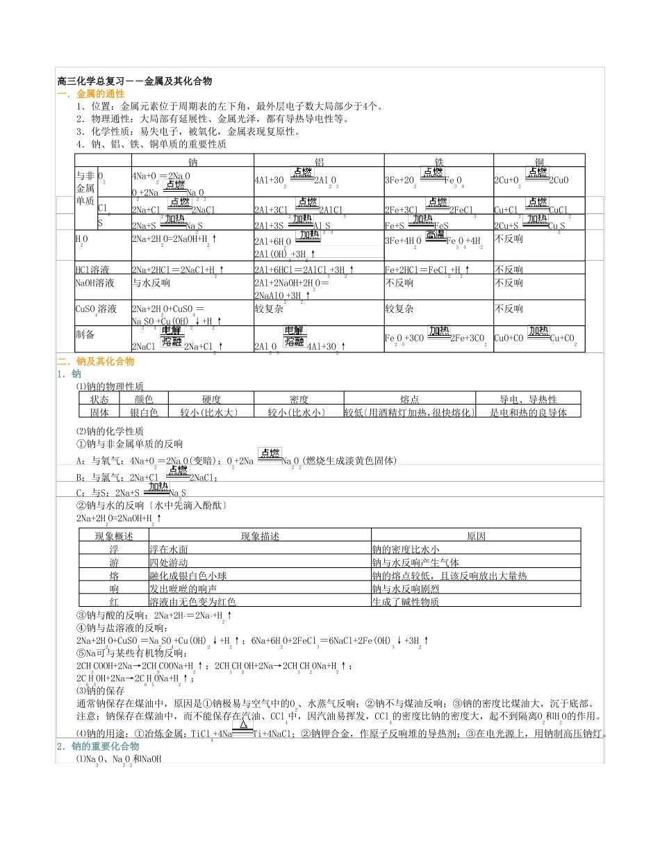
高三化学总复习――金属及其化合物一.金属的通性1.位置:金属元素位于周期表的左下角,最外层电子数大局部少于4个。2.物理通性:大局部有延展性、金属光泽,都有导热导电性等。3.化学性质:易失电子,被氧化,金属表现复原性。4.钠、铝、铁、铜单质的重要性质与非O2金属单质Cl2SH2OHCl溶液NaOH溶液钠4Na+O2=2Na2OO2+2Na2Na+Cl2Na2O22NaCl2Al+3Cl22Al+3S2AlCl3Al2S32Fe+3Cl2Fe+S3Fe+4H2O2FeCl3FeSCu+Cl2CuCl2Cu2S2Cu+SFe3O4+4H2不反响不反响不反响不反响2Fe+3CO2CuO+COCu+CO2铝4Al+3O22Al2O33Fe+2O2铁Fe3O42Cu+O2铜2CuO2Na+SNa2S2Na+2H2O=2NaOH+H2↑2Na+2HCl=2NaCl+H2↑与水反响2Al+6H2O2Al(OH)3+3H2↑2Al+6HCl=2AlCl3+3H2↑2Al+2NaOH+2H2O=2NaAlO2+3H2↑较复杂Fe+2HCl=FeCl2+H2↑不反响较复杂Fe2O3+3COCuSO4溶液2Na+2H2O+CuSO4=Na2SO4+Cu(OH)2↓+H2↑制备2NaCl2Na+Cl2↑二.钠及其化合物1.钠⑴钠的物理性质状态颜色固体银白色2Al2O34Al+3O2↑硬度较小(比水大〕密度熔点导电、导热性较小(比水小〕较低〔用酒精灯加热,很快熔化〕是电和热的良导体⑵钠的化学性质①钠与非金属单质的反响A:与氧气:4Na+O2=2Na2O(变暗);O2+2NaB:与氯气:2Na+Cl22NaCl;C:与S:2Na+SNa2S②钠与水的反响〔水中先滴入酚酞〕2Na+2H2O=2NaOH+H2↑现象概述现象描述原因浮浮在水面钠的密度比水小游四处游动钠与水反响产生气体熔融化成银白色小球钠的熔点较低,且该反响放出大量热响发出咝咝的响声钠与水反响剧烈红溶液由无色变为红色生成了碱性物质++③钠与酸的反响:2Na+2H=2Na+H2↑④钠与盐溶液的反响:2Na+2H2O+CuSO4=Na2SO4+Cu(OH)2↓+H2↑;6Na+6H2O+2FeCl3=6NaCl+2Fe(OH)3↓+3H2↑⑤Na可与某些有机物反响:2CH3COOH+2Na→2CH3COONa+H2↑;2CH3CH2OH+2Na→2CH3CH2ONa+H2↑;2C6H5OH+2Na→2C6H5ONa+H2↑;⑶钠的保存通常钠保存在煤油中,原因是①钠极易与空气中的O2、水蒸气反响;②钠不与煤油反响;③钠的密度比煤油大,沉于底部。注意:钠保存在煤油中,而不能保存在汽油、CCl4中,因汽油易挥发,CCl4的密度比钠的密度大,起不到隔离O2和H2O的作用。Ti+4NaCl;②钠钾合金,作原子反响堆的导热剂;③在电光源上,用钠制高压钠灯。Na2O2(燃烧生成淡黄色固体)⑷钠的用途:①冶炼金属:TiCl4+4Na2.钠的重要化合物⑴Na2O、Na2O2和NaOH名称和化学式颜色和状态类别电子式氧元素化合价化学键稳定性与水反响与酸反响与酸酐反响与盐溶液反响氧化钠〔Na2O〕白色固体碱性氧化物离子化合物Na[-2离子键不稳定Na2O+H2O=2NaOHNa2O+2HCl=2NaCl+H2ONa2O+CO2=Na2CO3Na2O+2NaHSO4=2Na2SO4+H2ONa2O+H2O+CuSO4=Cu(OH)2↓+Na2SO4制氢氧化钠+过氧化钠〔Na2O2〕淡黄色固体过氧化物离子化合物Na[+氢氧化钠〔NaOH〕无色固体碱离子化合物Na[]-2离子键极性键稳定不反响NaOH+HCl=NaCl+H2O+-]Na+]Na2-+-1离子键非极性键比Na2O稳定2Na2O2+2H2O=4NaOH+O2↑2Na2O2+4HCl=4NaCl+O2↑+2H2O2Na2O2+2CO2=2Na2CO3+O2↑用途2NaOH+CO2=Na2CO3+H2ONaOH+CO2=NaHCO32Na2O2+4NaHSO4=4Na2SO4+O2↑+2H2ONaOH+NaHSO4=Na2SO4+H2O2Na2O2+H2O+CuSO4=2NaOH+CuSO4=Cu(OH)2↓+Na2SO4Cu(OH)2↓+2Na2SO4+O2漂白剂、供氧剂、化工原料、制纸浆、肥皂氧化剂知识拓展:Na2O2的强氧化性:能氧化SO2、FeCl2、H2S、Na2SO3、等,因强氧化性而使品红溶液褪色。⑵Na2CO3和NaHCO3名称和化学式俗名颜色和状态水中溶解性热稳定性与酸反响与某些碱反响与某些盐反响与CO2反响相互转化碳酸钠〔Na2CO3〕纯碱、苏打白色晶体易溶稳定CO3+H=HCO-+HCO3+H=H2O+CO2↑Ba(OH)2+Na2CO3=BaCO3↓+2NaOHBaCl2+Na2CO3=BaCO3↓+2NaClNa2CO3+CO2+H2O=2NaHCO32-+-3碳酸氢钠〔NaHCO3〕小苏打白色粉末易溶〔比Na2CO3溶解度小〕不稳定:2NaHCO3Na2CO3+CO2↑+H2O-+HCO3+H=CO2↑+H2ONaHCO3+Ca(OH)2=CaCO3↓+NaOH+H2O2NaHCO3+Ca(OH)2=CaCO3↓+Na2CO3+2H2ONaHCO3+NaHSO4=Na2SO4+H2O+CO2↑不反响制法鉴别用途NaOH+CO2=NaHCO32NaHCO32Na2CO3+H2O+CO2↑加酸产生CO2加热难分解制玻璃、肥皂、造纸、纺织Na2CO3NaHCO3NaOH+CO2=NaHCO3加酸产生CO2较Na2CO3快加...

1、当您付费下载文档后,您只拥有了使用权限,并不意味着购买了版权,文档只能用于自身使用,不得用于其他商业用途(如 [转卖]进行直接盈利或[编辑后售卖]进行间接盈利)。
2、本站所有内容均由合作方或网友上传,本站不对文档的完整性、权威性及其观点立场正确性做任何保证或承诺!文档内容仅供研究参考,付费前请自行鉴别。
3、如文档内容存在违规,或者侵犯商业秘密、侵犯著作权等,请点击“违规举报”。

碎片内容

高三金属及其化合物复习知识点总结

爱的疯狂+ 关注
实名认证
内容提供者

该用户很懒,什么也没介绍

相关文档

确认删除?
VIP
微信客服
  • 扫码咨询
会员Q群
  • 会员专属群点击这里加入QQ群
客服邮箱
回到顶部