电脑桌面
添加小米粒文库到电脑桌面
安装后可以在桌面快捷访问

露天矿作业活动风险分级管控清单VIP免费

露天矿作业活动风险分级管控清单_第1页
1/8
露天矿作业活动风险分级管控清单_第2页
2/8
露天矿作业活动风险分级管控清单_第3页
3/8
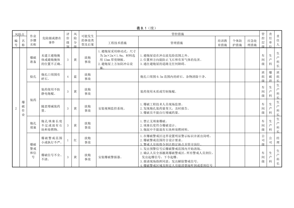
表B.1***露天矿作业活动风险分级管控清单单位:风险点编号名称作业步骤名称评价危险源或潜在事件级别风险分级可能发生的事故类型及后果管控措施工程技术措施管理措施培训教育措施1.召开班前安全会议。2.每季度进行一次安全技术培训。个体防护措施应急处理措施管控层级责责任任单人位钻工不具备上岗条件。穿孔作业作业前准备4蓝机械伤害物体打击高处坠落严禁酒后上岗。随身携安全帽、带应急防尘口处置卡,班穿班罩、防护掌握应组孔组鞋、反光急处置级班长背心。措施和程序。班穿班组孔组级班长生车生产间产科级科长1未对钻机及附属设施进行检查。4蓝机械伤害机械伤害高处坠落作业前对钻机及附属设施进行安全检查。作业环境不良。3黄1.人工或用挖掘机清理险、浮石。2.边坡边缘设防护网。1.作业前进行边坡安全检查。2.作业区域内及下部台阶接近坡底线无铲装设备同时作业。表B.1(续)风险点编号名称作业步骤名称评价危险源或潜在事件级别作业时非操作人员在附近逗留。钻机发生故障时未及时停机维修。4风险分级蓝可能发生的事故类型及后果机械伤害机械伤害高处坠落机械伤害管控措施工程技术措施管理措施培训教育措施个体防护措施应急处理措施管控层级班组级班组级责任单位穿孔班穿孔班责任人班组长班组长设置“非操作人员、严禁靠近”非操作人员严禁在穿孔作业处逗留。安全警示标志。1.钻机发生故障时,立即停机,排除故障后方可作业。2.钻机长时间停机,切断电源。1.使用安全绳。2.安全绳拴在牢固地点,严禁多人同时使用一条安全绳。1穿孔作业穿孔4蓝在坡面角大于30°的坡面上作业。3黄生车生产间产科级科长生车生产间产科级科长项部项目门目经级部理行走钻机行走时,距坡顶线近。3黄高处坠落钻机外侧突出部分至台阶坡顶线最小距离不小于3m。1.对行走路线进行安全检查。2.有人引导和监护,履带前后不能有人。爆破作业环境不良。爆破作业爆破准备爆破员不具备上岗条件。2橙放炮事故1.矿山入口处设置爆破告知。遇恶劣天气,停止爆破作业,所有人员立即撤2.爆破警戒处设置“当心爆到安全地点。炸”安全警示标志。23黄放炮事故1.严禁酒后上岗。2.穿防静电工作服。3.严禁携带点火物品、手机。1.持有特种作业人员操作证安全帽、书。防护鞋。2.组织召开班前安全会议。随身携带应急生处置卡,车生产掌握应间产科急处置级科长措施和程序。表B.1(续)风险点编名号称作业步骤名称危险源或潜在事件评价级别风可能发生险的事故类分型及后果级放炮事故管控措施工程技术措施1.避炮屋采用移动式,尺寸为2m×2m×1.8m,材料选用12mm厚度钢板。2.避炮屋上方加防冲击设施。管理措施培训教育措施个体防护措施管控应急处层理措施级责责任任单人位爆破准备未建立避炮掩体或避炮掩体的位置不正确。炮孔口周围有碎石。装药使用不防静电炮棍。3黄1.避炮屋设在冲击波危险范围之外。2.位置和方向能防止飞石和有害气体的危害。3.通往避炮屋的道路无任何障碍。生车生产间产科级科长班爆班组破组级班长生车生产间产科级科长生车生产间产科级科长生车生产间产科级科长公公经司司理级生车生产间产科级科长验孔4蓝放炮事故放炮事故炮孔口周围0.5m范围内的碎石、杂物清除干净。3黄装药使用木质或竹制炮棍。2爆破作业装药随意增减装药量。炮孔填塞长度不足或混有石块和易燃物。爆破警戒范围小或执行不严。3黄放炮事故安装视频监控系统。1.爆破工程技术人员现场监督。2.发现炮孔装药量变大,及时报告。3.爆破员不能自行增减药量。1.禁止无填塞爆破。2.填塞长度符合爆破设计。3.炮泥中不能混有石块和易燃材料。炮孔填塞3黄放炮事故放炮事故1红爆破警戒和信号爆破信号不全、不清。3黄放炮事故安装爆破警报器。1.在爆破警戒区边界设置明显警示标识并派出岗哨。2.爆破警戒范围符合设计要求。3.警戒人员按指令到达指定地点并坚守岗位。1.发出预警信号后爆破警戒范围内开始清场。2.确认人员全部撤离爆破警戒区,所有警戒人员到位,发出起爆信号,下令起爆。3.报请现场指挥同意,发出解除警戒信号。4.爆破警戒区域及附近人员能清楚地听到或看到信号表B.1(续)风险点作业步名骤名称号称编评价危险源或潜在事件级别爆破后检查等待...

1、当您付费下载文档后,您只拥有了使用权限,并不意味着购买了版权,文档只能用于自身使用,不得用于其他商业用途(如 [转卖]进行直接盈利或[编辑后售卖]进行间接盈利)。
2、本站所有内容均由合作方或网友上传,本站不对文档的完整性、权威性及其观点立场正确性做任何保证或承诺!文档内容仅供研究参考,付费前请自行鉴别。
3、如文档内容存在违规,或者侵犯商业秘密、侵犯著作权等,请点击“违规举报”。

碎片内容

露天矿作业活动风险分级管控清单

爱的疯狂+ 关注
实名认证
内容提供者

该用户很懒,什么也没介绍

确认删除?
VIP
微信客服
  • 扫码咨询
会员Q群
  • 会员专属群点击这里加入QQ群
客服邮箱
回到顶部