电脑桌面
添加小米粒文库到电脑桌面
安装后可以在桌面快捷访问

工程制图试卷VIP免费

工程制图试卷_第1页
1/8
工程制图试卷_第2页
2/8
工程制图试卷_第3页
3/8
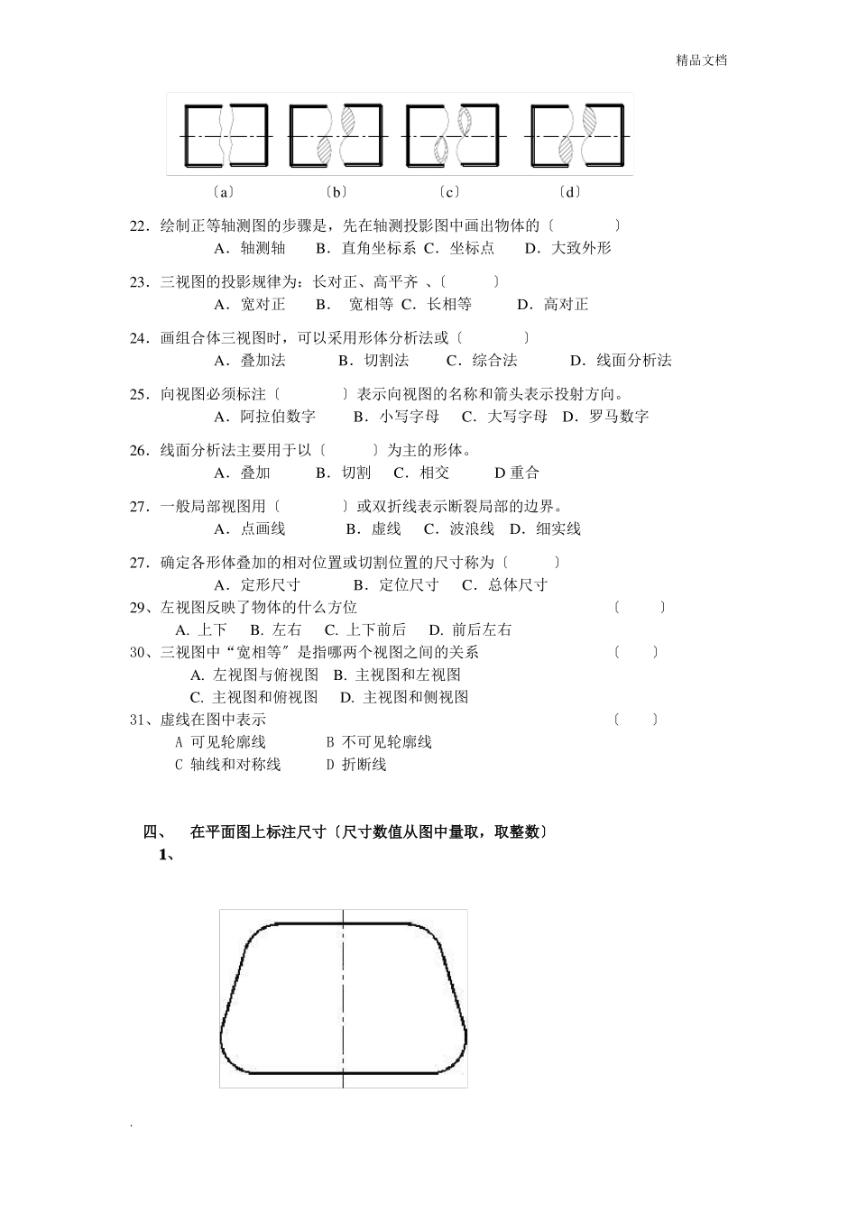
精品文档工程制图试题(C)一、单项选择题:1.绘图时,用以下比例画同一个物体,哪个图形画得最大〔〕A.2:1B.1:5C.1:1D.5:12.与H面呈45°的正垂面P,截切一轴线为铅垂线的圆柱,截交线的侧面投影是〔〕A.圆B.椭圆C.二分之一圆D.抛物线3.尺寸线可以用什么线段代替〔〕A轮廓线B中心线C轴线D只能单独画尺寸线4.标注直线段尺寸时,铅直尺寸线上的尺寸数字字头方向是〔〕A朝上B朝左C朝右D任意5.角度数字标注的书写方向是〔〕A双向B向心C水平书写D字头向左6.图上尺寸数字代表的是〔〕A图上画的尺寸B物体的实际尺寸C随比例变化的尺寸D图线的长度尺寸7.虚线在图中表示〔〕A可见轮廓线B不可见轮廓线C轴线和对称线D折断线8.细点画线在图中表示〔〕A可见轮廓线B不可见轮廓线C轴线和对称线D假想投影轮廓线9.当图线宽度b取1mm时,细点画线的宽度为〔〕A.0.7B.0.6C.0.5D.0.3510.绘图时,用以下比例画同一个物体,哪个图形画得最大〔〕A.20:1B.10:1C.5:1D.2:111.确定图形线段形状和长短的尺寸称〔〕A.尺寸B.定位尺寸C.定形尺寸D.总体尺寸12.判断点在平面上〔〕A.点的一个投影在平面投影的边线上B.点的一个投影在平面投影的图形内C.点的两个投影在平面投影的图形内D.点的一个投影在平面的积聚性投影上13.一般位置平面在那个投影面上的投影反映实形〔〕A.V面B.H面C.W面D.都不反映14.假想用剖切平面把物体剖开,移去剖切平面前面的局部,剩余局部向投影面投影,并画出剖面材料符号,所得到的图形叫〔〕A.视图B.主视图C.剖视图D.局部视图15.重合剖面的轮廓线应画成〔〕A.粗实线B.虚线C.细实线D.点划线16.半剖视图中视图局部与剖视局部的分界线是〔〕.A.点划线B.波浪线C.粗实线D.虚线17、以下四组移出断面图中,那一组是正确的。〔〕〔a〕〔b〕〔c〕〔d〕18、物体的主、俯视图,错误的左视图是〔〕。19、立体的主、俯视图,判断正确的左视图是〔〕。20、物体的主、俯视图,判断正确的左视图〔〕。(a)(b)(c)(d)21、.以下四种断开画法,哪一个是错误的。.精品文档〕〔精品文档〔a〕〔b〕〔c〕〔d〕22.绘制正等轴测图的步骤是,先在轴测投影图中画出物体的〔〕A.轴测轴B.直角坐标系C.坐标点D.大致外形23.三视图的投影规律为:长对正、高平齐、〔〕A.宽对正B.宽相等C.长相等D.高对正24.画组合体三视图时,可以采用形体分析法或〔〕A.叠加法B.切割法C.综合法D.线面分析法25.向视图必须标注〔〕表示向视图的名称和箭头表示投射方向。A.阿拉伯数字B.小写字母C.大写字母D.罗马数字26.线面分析法主要用于以〔〕为主的形体。A.叠加B.切割C.相交D重合27.一般局部视图用〔〕或双折线表示断裂局部的边界。A.点画线B.虚线C.波浪线D.细实线27.确定各形体叠加的相对位置或切割位置的尺寸称为〔〕A.定形尺寸B.定位尺寸C.总体尺寸29、左视图反映了物体的什么方位〔〕A.上下B.左右C.上下前后D.前后左右30、三视图中“宽相等〞是指哪两个视图之间的关系〔〕A.左视图与俯视图B.主视图和左视图C.主视图和俯视图D.主视图和侧视图31、虚线在图中表示〔〕A可见轮廓线B不可见轮廓线C轴线和对称线D折断线四、在平面图上标注尺寸〔尺寸数值从图中量取,取整数〕1、.精品文档2、五、补漏线六、根据两视图,补画第三视图:1、补画主视图.精品文档2、补画俯视图:3、补左视图.精品文档七、画剖视图将主视图改画成恰当的剖视图八、螺栓连接分析以下螺纹画法的错误,将正确的图形画在下方。1、2、.精品文档3、下面螺杆与螺孔装配图的画法有错误,请在旁边画出正确的。4、画全下面螺栓连接图。..精品文档

1、当您付费下载文档后,您只拥有了使用权限,并不意味着购买了版权,文档只能用于自身使用,不得用于其他商业用途(如 [转卖]进行直接盈利或[编辑后售卖]进行间接盈利)。
2、本站所有内容均由合作方或网友上传,本站不对文档的完整性、权威性及其观点立场正确性做任何保证或承诺!文档内容仅供研究参考,付费前请自行鉴别。
3、如文档内容存在违规,或者侵犯商业秘密、侵犯著作权等,请点击“违规举报”。

碎片内容

工程制图试卷

确认删除?
VIP
微信客服
  • 扫码咨询
会员Q群
  • 会员专属群点击这里加入QQ群
客服邮箱
回到顶部