电脑桌面
添加小米粒文库到电脑桌面
安装后可以在桌面快捷访问

施工过程质量检测试验项目VIP专享VIP免费

施工过程质量检测试验项目_第1页
1/10
施工过程质量检测试验项目_第2页
2/10
施工过程质量检测试验项目_第3页
3/10
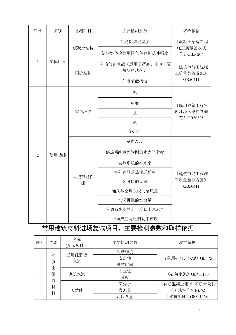
摘录于《建筑工程检测试验技术管理规范》JGJ190—2010备案号J973—2010施工过程质量检测试验项目、主要检测试验参数和取样依据序号类别检测试验项目主要检测试验参数最大干密度1土方回填土工击实最优含水率压实强度换填地基地基与基础加固地基、复合地基压实系数压实系数或承载力承载力承载力桩基桩身完整性土钉墙3基坑支护水泥土墙墙体强度锚杆、锚索机械连接工艺检验机构连接现场检验钢筋焊接工艺检验钢筋连接锁定力土钉抗拔力墙身完整性《建筑基坑支护技术规程》JGJ120取样依据《土工试验方法标准》GB/T50123《建筑地基基础设计规范》GB50007《建筑地基处理技术规范》JGJ79《建筑地基基础工程施工质量验收规范》GB50202《建筑基桩检测技术规范》JGJ106设计有要求时抗拉强度《钢筋机械连接通用技术规程》JGJ107适用于闪光对焊、气压焊接头《钢筋焊接及验收规程》JGJ18适用于水平连接筋备注钢桩除外2抗拉强度弯曲拉拉强度4结构工程闪光对焊弯曲拉拉强度气压焊弯曲电弧焊、电渣压力焊、预埋件钢筋T形接头拉拉强度1网片焊接抗剪力热轧带肋钢筋抗拉强度抗剪力工作性冷扎带肋钢筋指工作度、坍落度和坍落扩展度等同条件养护28d转标准养护28d试件强度和受冻临界强度试件按冬期施工相关要求增设,其他同条件试件根据施工需要留置混凝土配合比设计《普通混凝土配合比设计规程》JGJ55强度等级标准养护试件强度同条件试件强度(受《混凝土结构工程施工质量冻临界、拆模、张拉、验收规范》GB50201放张和临时负荷等)《混凝土外加剂应用技术规范》GB50119《建筑工程冬期施工规程》同条件养护28d转标JGJ104准养护28d试件强度混凝土混凝土性能结构工程4抗渗性能《地下防水工程质量验收规范》GB50208《混凝土结构工程施工质量验收规范》GB50204《砌筑砂浆配合比设计规程》JGJ98《砌体工程施工质量验收规范》GB50203有抗渗要求时砌筑砂浆砂浆配合比设计强度等级稠度标准养护试件强度同条件养护试件强度砂浆力学性能网架结构焊接球节点、螺栓球节点焊缝质量冬期施工时增设安全等级一级、L≥40m且设计有要求时钢结构承载力《钢结构工程施工质量验收规范》GB50205焊缝探伤抗拔承载力《混凝土结构后锚固技术规程》JGJ145《建筑工程饰面砖粘结强度检验标准》JGJ110后锚固(植筋、锚栓)5装饰装修饰面砖粘贴粘结强度工程实体质量与使用功能检测项目、主要检测参数和取样依据2序号类别检测项目主要检测参数钢筋保护层厚度取样依据《混凝土结构工程施工质量验收规范》GB50204《建筑节能工程施工质量验收规范》GB50411混凝土结构结构实体检验用同条件养护试件强度1实体质量围护结构外窗气密性能(适用于严寒、寒冷、夏热冬冷地区)外墙节能构造氡甲醛室内环境苯氨TVOC室内温度2使用功能供热系统室外管网的水力平衡度供热系统的补水率室外管网的热输送效率系统节能性能各风口的风量通风与空调系统的总风量空调机组的水流量空调系统冷热水、冷却水总流量平均照度与照明功率密度《民用建筑工程室内环境污染控制规范》GB50325《建筑节能工程施工质量验收规范》GB50411常用建筑材料进场复试项目、主要检测参数和取样依据序号类别混凝土组成材料名称(复试项目)通用硅酸盐水泥砌筑水泥主要检测参数胶砂强度安定性凝结时间安定性强度筛分析天然砂含泥量泥块含量《砌筑水泥》GB/T3183《普通混凝土用砂、石质量及检验方法标准》JGJ52《建筑用砂》GB/T146843取样依据《通用硅酸盐水泥》GB1751人工砂筛分析石粉含量(含亚甲蓝试验)筛分析含泥量泥块含量颗粒级配(筛分析)堆积密度《普通混凝土用砂、石质量及检验方法标准》JGJ52《轻集料及其试验方法第1部分:轻集料》GB/T17431。1《轻集料及其试验方法第2部分:轻集料试验方法》GB/T17431.2石轻集料筒压强度(或强度标号)吸水率细度烧矢量需水量比(同一供灰单位,一次/月)三氧化硫含量(同一供灰单位,一次/季)粉煤灰《粉煤灰混凝土应用技术规范》GBJ146普通减水剂高效减水剂PH值密度(或细度)减水率密度(或细度)钢筋锈蚀减水率1d和2d抗压强度PH值《混凝土外加剂》GB8076早强减水剂《混凝土外加剂》GB8076缓凝减水剂缓凝高效减水剂密度(或细度)混凝土凝结时间减水率PH值...

1、当您付费下载文档后,您只拥有了使用权限,并不意味着购买了版权,文档只能用于自身使用,不得用于其他商业用途(如 [转卖]进行直接盈利或[编辑后售卖]进行间接盈利)。
2、本站所有内容均由合作方或网友上传,本站不对文档的完整性、权威性及其观点立场正确性做任何保证或承诺!文档内容仅供研究参考,付费前请自行鉴别。
3、如文档内容存在违规,或者侵犯商业秘密、侵犯著作权等,请点击“违规举报”。

碎片内容

施工过程质量检测试验项目

确认删除?
VIP
微信客服
  • 扫码咨询
会员Q群
  • 会员专属群点击这里加入QQ群
客服邮箱
回到顶部