电脑桌面
添加小米粒文库到电脑桌面
安装后可以在桌面快捷访问

水泥稳定碎石基层技术交底一级技术交底VIP免费

水泥稳定碎石基层技术交底一级技术交底_第1页
1/14
水泥稳定碎石基层技术交底一级技术交底_第2页
2/14
水泥稳定碎石基层技术交底一级技术交底_第3页
3/14
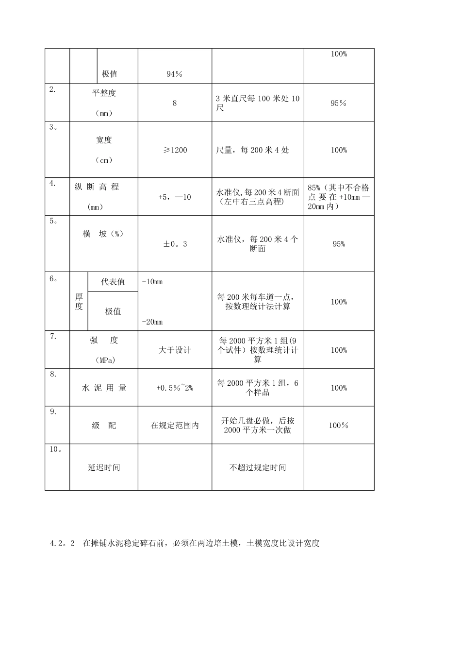
水泥稳定碎石基层技术交底(一级技术交底)水泥稳定碎石一般适用于基层或底基层,厚度一般在15~22cm,为保证其质量,规范施工过程,特制定了水泥碎石的施工技术交底.本技术交底仅是对JTJ034-2000《公路路面基层施工技术规范》、图纸、标书中《技术规范》、合同附件等中“水泥稳定土”一章的补充,请各单位一并执行。1.0材料1。1路用的水泥、石子、砂等材料必须监理工程师批准。未经批准的不允许进场,更不准使用.1.2水泥:选用终凝时间较长(宜在6小时以上),且宜用325#矿渣及普通硅酸盐水泥.快硬水泥、早强水泥以及受潮变质的水泥严禁使用。水泥品牌的选用应考虑其质量稳定性、生产数量、运距等各种因素。水泥每次进场前应有合格证书,每200T应对水泥的凝结时间、标号进行抽检。1.3碎石:要求其压碎值不超过30%,最大粒径不大于30mm。碎石的颗粒组成应符合JTJ034-—-93中第2.2。1。6中2#级配要求。为了施工方便,宜采用10—-30mm的粗集料、5——10mm的中集料,0——5mm的石屑细集料三种粒料配合.其粗集料的压碎值、各种粒料的筛分(主要检查所进料的颗粒级配的偏差情况),0。5mm以下细土的塑性指数,小于0.075mm的颗粒含量应符合JTJ034--93中的要求,上述材料进场后的试验项目每2000m3做2个样品试验。1.4水:凡人或牲畜的饮用水均可用于水泥碎石的施工.2.0混合料的组成设计2.1组成设计原则:①粉料含量不宜过多。②在达到强度的前提下,采用最小水泥剂量,但不小于4.0%。③改善集料级配,减少水泥用量,使水泥用量不大于6%。2.2水泥剂量的配制可采用4%、4.5%、5%、5。5%、6%五种剂量。2.3每种剂量的试件制取9个(最小数量).2.4试件必须在规定的温度(20±2℃)保湿养生6天,浸水养生1天后进行无侧限抗压强度,并计算试验结果的平均值、偏差系数,并计算RX(1-1。645Cv)是否大于Rd(本工程设计强度为3。5MPa)。设计剂量要选用满足强度的最小剂量,并不超过6%。2。5根据设计剂量做延迟时间对混合料强度的影响试验,并通过试验确定应该控制的延迟时间。2.6工地实际采用的水泥剂量较设计剂量增加0。5%。3.0水泥稳定碎石的质量控制标准。3.1具体检测技术指标:(见后)3.2每一作业段碾压完成后,立即各项指标的检测,整理好内业资料向监理人员报验(24小时内)强度指标单独报验。监理人员应在现场及时抽检,发现问题及时通知处理.3.3各分项工程按照《河北省公路工程质量检验评定标准》、《河北省公路工程质量监督检查评比办法》进行评分。各项工程评分必须在97分以上。达不到此要求的不准交工。4。0施工工艺要点4.1水泥碎石的施工工艺详见JTJ034-93《公路路面基层施工技术规范》中2。5-2。7条中的内容.4。2底基层检测及培土模4。2.1在摊铺水泥稳定碎石基层前一定要对底基层进行全面的检测,包括平面位置、高程、横坡度、宽度(强度、厚度已验过)及表面清洁情况,达不到要求者,采用合理的办法进行处理(尤其厚度不足处),特别是底基层的松散及起皮材料要彻底清除,决不能留下软弱夹层.开始摊铺基层前在底基层上洒一遍水,保持表面湿润(不留明水)。规定值或允项次检查项目许1。要求指标检查方法合格率每200米每车道2处.按数理统计检查偏98%差压实度代表值极值平整度94%83米直尺每100米处10尺100%2.3。95%(mm)宽度≥1200(cm)纵断高程+5,—10尺量,每200米4处100%4.(mm)5。水准仪,每200米4断面(左中右三点高程)85%(其中不合格点要在+10mm—20mm内)横坡(%)±0。36。水准仪,每200米4个断面95%代表值极值-10mm-20mm每200米每车道一点,按数理统计法计算100%厚度7.强度大于设计(MPa)水泥用量+0.5%~2%8.每2000平方米1组(9个试件)按数理统计计算每2000平方米1组,6个样品开始几盘必做,后按2000平方米一次做100%9.100%10。级配在规定范围内100%延迟时间不超过规定时间4.2。2在摊铺水泥稳定碎石前,必须在两边培土模,土模宽度比设计宽度宽10—20cm,土模高同水稳虚铺高一致,土模必须拉线垂直切直,土模要有一定的密实度,一般在80%左右,具体数据以试验段来定。4。3水泥碎石的现场负责人员(工长、试验人员、质检员)应选用事业心强、业务熟练、有管理才能的人员担任.现场...

1、当您付费下载文档后,您只拥有了使用权限,并不意味着购买了版权,文档只能用于自身使用,不得用于其他商业用途(如 [转卖]进行直接盈利或[编辑后售卖]进行间接盈利)。
2、本站所有内容均由合作方或网友上传,本站不对文档的完整性、权威性及其观点立场正确性做任何保证或承诺!文档内容仅供研究参考,付费前请自行鉴别。
3、如文档内容存在违规,或者侵犯商业秘密、侵犯著作权等,请点击“违规举报”。

碎片内容

水泥稳定碎石基层技术交底一级技术交底

爱的疯狂+ 关注
实名认证
内容提供者

该用户很懒,什么也没介绍

确认删除?
VIP
微信客服
  • 扫码咨询
会员Q群
  • 会员专属群点击这里加入QQ群
客服邮箱
回到顶部