电脑桌面
添加小米粒文库到电脑桌面
安装后可以在桌面快捷访问

城市污水管网工程竣工资料VIP免费

城市污水管网工程竣工资料_第1页
1/11
城市污水管网工程竣工资料_第2页
2/11
城市污水管网工程竣工资料_第3页
3/11
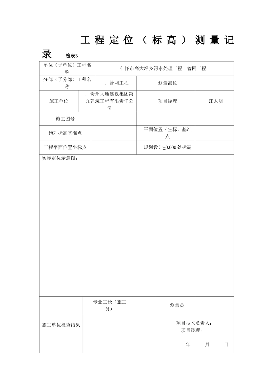
检验表01管网工程施工放样报验单施工单位:贵州大地建设集团第九建筑工程有限责任公司监理单位:贵州建工监理咨询有限公司编号:致:贵州建工监理咨询有限公司仁怀市高大坪乡污水处理工程项目监理部:根据合同要求,业已完成仁怀市高大坪乡污水处理工程-管网工程W至W施工放样工作,清单如下,请予查验。施工单位:(章)项目经理:日期:桩号或位置工程或部位名称放样内容备注附件:测量及放样资料监理意见:□查验合格□纠正差错后合格□纠正差错后重报□按查验意见执行。查验意见一式份,每份页。项目监理部:(章)(总)总监理工程师:日期:注:本表一式二份,监理方、施工方各一份。检验表02管网工程施工放线测量记录表施工单位:贵州大地建设集团第九建筑工程有限责任公司监理单位:贵州建工监理咨询有限公司编号:项目名称仁怀市高大坪乡污水处理工程单项工程名称管网工程仪站点坐标:X=Y=Z=后视点坐标:X=Y=Z=后视方位角:F后=O’”后视距:S=测点设计坐标实测坐标放样点高程备注XYXY平差情况说明测量技术负责监理工程师日期注:本表一式二份,监理方、施工方各一份。工程定位(标高)测量记录检表3单位(子单位)工程名称仁怀市高大坪乡污水处理工程-管网工程.分部(子分部)工程名称.管网工程测量部位施工单位.贵州大地建设集团第九建筑工程有限责任公司项目经理汪太明施工图号绝对标高基准点平面位置(坐标)基准点工程平面位置坐标点规划设计+0.000处标高实际定位示意图:施工单位检查结果专业工长(施工员)测量员项目技术负责人:项目经理:年月日资料员签章:工程定位(测量)复核记录检表4单位(子单位)工程名称仁怀市高大坪乡污水处理工程-管网工程施工单位贵州大地建设集团第九建筑工程有限责任公司项目经理汪太明施工图号施工单位测量员定位复核示意图:施工单位监理单位监理单位项目技术负责人:项目经理:年月日专业监理工程师:年月日总监理工程师:年月日高程现场检查记录表检验表5施工单位:贵州大地建设集团第九建筑工程有限责任公司监理单位:贵州建工监理咨询有限公司编号:单位工程名称管网工程范围或位置桩号或测点后视前视仪高实测标高设计标高差值(㎜)备注项目经理:技术负责人:监理工程师:记录:注:本表一式二份,监理方、施工方各一份。地基验槽记录检验表06工程名称仁怀市高大坪乡污水处理工程-管网工程建设单位仁怀市环境保护局坑(槽)轴线位置监理单位贵州建工监理咨询有限公司开挖时间施工单位贵州大地建设集团第九建筑工程有限责任公司验槽时间设计单位同济大学建筑设计研究院(集团)有限公司检查内容及检查情况附图或说明土质情况槽底标高坑(槽)几何尺寸地下水情况其他异常情况土质情况是否合格是/否槽底标高是否合格是/否坑(槽)几何尺寸是否符合要求是/否地下水情况:有无地下水有/无其他异常情况有/无初验结论复验结论施工员:质检员:记录:年月日管道强度、严密性试验记录检表7单位(子单位)工程名称仁怀市高大坪乡污水处理工程分部(子分部)工程名称管网工程分项工程安装工程施工单位贵州大地建设集团第九建筑工程有限责任公司项目经理汪太明分包单位分包项目经理管材材质管道系统名称及编号工作压力(MPa)设计(规范)试验压力(MPa)实际试验压力(MPa)稳压时间(min)实测压降(MPa)严密性试验压力(MPa)稳压时间(min)压力降(MPa)外观检查试验日期备注施工单位检查结果施工员试验员经检查符合要求,报监理(建设)单专业质量检查员:位验收专业项目技术负责人:专业项目经理:年月日监理(建设)单位验收结论□符合要求,同意验收□不符合要求,不同意验收监理工程师:(建设单位项目专业技术负责人)年月日资料员签章:评表(5)市政排水工程外观评分表项目名称仁怀市高大坪乡污水处理工程桩号及部位施工单位贵州大地建设集团第九建筑有限公司施工负责人填土认证(分层压实、含水量、密度情况)认证单位检查项目外观要求存在问题应得分实得分加权系数评分排管1管道平稳、直顺、无倒流水,缝宽均匀。500.302、接口平直,止水装置准确,沫槽密实、饱满无裂缝、空鼓,不漏水。303、构件质量符合要求。20顶管1、接...

1、当您付费下载文档后,您只拥有了使用权限,并不意味着购买了版权,文档只能用于自身使用,不得用于其他商业用途(如 [转卖]进行直接盈利或[编辑后售卖]进行间接盈利)。
2、本站所有内容均由合作方或网友上传,本站不对文档的完整性、权威性及其观点立场正确性做任何保证或承诺!文档内容仅供研究参考,付费前请自行鉴别。
3、如文档内容存在违规,或者侵犯商业秘密、侵犯著作权等,请点击“违规举报”。

碎片内容

城市污水管网工程竣工资料

您可能关注的文档

文章天下+ 关注
实名认证
内容提供者

各种文档应有尽有

确认删除?
VIP
微信客服
  • 扫码咨询
会员Q群
  • 会员专属群点击这里加入QQ群
客服邮箱
回到顶部