电脑桌面
添加小米粒文库到电脑桌面
安装后可以在桌面快捷访问

大坝基础开挖专项施工方案VIP免费

大坝基础开挖专项施工方案_第1页
1/32
大坝基础开挖专项施工方案_第2页
2/32
大坝基础开挖专项施工方案_第3页
3/32
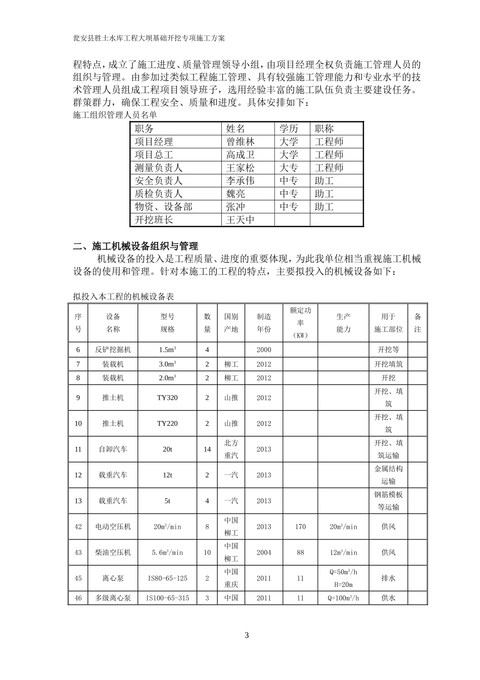
瓮安县胜土水库工程大坝基础开挖专项施工方案第一节工程概况一、工程简况工程位于雍阳河右岸一级支流白岩河上,属瓮安县南部的平定营镇,距平定营镇1.5km,距瓮安县城12km,交通便利。胜土水库坝址以上流域集水面积17.33km2(其中:明流区集雨面积1.79km2,闭流区15.54km2),坝址以上主河道河长8.83km,平均坡降36.2‰。水库校核洪水位1145.32m,总库容515万m3;正常蓄水位1143.00m,相应库容为442万m3;死水位1113.00m,相应库容为19.3万m3,兴利库容422.7万m3。本工程挡水建筑物、泄水建筑物为4级建筑物,次要建筑物为5级建筑物,临时建筑物为5级。枢纽布置为:混凝土面板堆石坝+右岸开敞式溢洪道+左岸取水兼放空洞+供水管线。坝顶高程1145.50m,坝基最低高程1110.00m,最大坝高45.5m,坝顶宽度6m,坝顶长214m。取水钢管直径1.0m,取水口进口底板高程为1111.00m。溢洪1道净宽15m,堰顶高程1143.00m,进口底板高程为1141.00m。1、挡水建筑物坝顶高程1145.50m,最大坝高45.5m,坝顶宽度6m,坝顶长约214.00m,坝顶上游设防浪墙,防浪墙顶高程1146.70m,下游设计防护栏杆。上、下游坝坡均为1:1.4。混凝土趾板布置于弱风化岩体中上部,宽4.0m,厚0.4m,底部高程为1100.00m。混凝土面板厚度为等厚0.4m,面板上游依次为铺盖区(顶部高程1113.00m,顶部水平宽度2.5m),盖重区(顶部高程1113.00m,顶部水平宽度2.5m);面板下游依次为垫层区(水平宽度3.0m)、过渡区(水平宽度3.5m)、主堆石区及下游块石护坡。2、趾板以上边坡按永久边坡进行喷锚支护:系统锚杆Φ25锚杆,L=4.5m,间、排距3m;喷混凝土C20厚10cm,挂网钢筋φ6.5@20×20。趾板及趾板下游水平防渗段范围内进行固结灌浆和喷锚支护。在趾板基础布置两排固结灌浆孔,间、排距为3m,河床段孔深8m,岸坡段孔深5m。在趾板下游水平防渗段布置两排固结灌浆孔,间、排距3m,河床段孔深8m,岸坡段孔深5m。趾板基础布置锚杆,河床段趾板设Φ25锚杆,L=4.5m,间、排距3m;河床段趾板下游水平防渗段、岸坡段趾板及其下游水平防渗段设Φ25锚杆,L=4.5m,间、排距2m。3、混凝土面板面板等厚0.4m,面板共分19块,单块宽度8.04~12m。面板上游依次为铺盖区(顶部高程1113.00m,水平宽度2.5m),盖重区(顶部高程1113.00m,顶部水平宽度2.5m);面板下游依次为垫层区(水平宽度3m)、过渡区(水平宽度3.5m)、主堆石区及下游块石护坡(厚40cm)。趾板与面板间设周边缝一条,面板间设垂直缝18条,面板与防浪墙间设变形缝一条,防浪墙间设伸缩缝17条。各缝间均设有止水设施。二施工组织方案1、施工组织计划根据本工程特点及监理人、发包人对工期的要求,对土石方方开挖工程的工期作如下安排:(1)2016年1月开始进行导流兼引水隧洞、左右坝肩的施工,在导流兼引水隧洞完成后,进行截流及上、下游围堰、基坑的施工,在2016年3月底完成。(2)2016年4月初开始进行大坝的填筑工作,在2016年5月前,将坝体填筑至11瓮安县胜土水库工程大坝基础开挖专项施工方案度汛高程以上(1126.00m高程以上),2016年汛期,继续进行大坝1124.00m高程以上的填筑,2016年7月底,基本完成大坝的填筑施工。(3)2016年8月至2017年1月大坝等待坝体沉降,2017年2月开始进行大坝混凝土面板的施工,在2017年3月底完成,然后进行大坝坝顶防浪墙等的施工,2017年6月,大坝基本施工完成。(4)帷幕灌浆工程在进场后随主体工程(大坝)进行施工,在大坝坝肩开挖的同时,进行帷幕灌浆平洞的开挖,在大坝趾板具备条件后,即进行大坝的帷幕灌浆工作。(5)溢洪道工程在大坝坝肩开挖时同时进行开挖,开挖完成后进行混凝土浇筑工作,在2016年7月底前完成。2.围堰设计(1)、大坝上游围堰按枯期挡水、汛期过水围堰设计,堰体材料为土石料。围堰堰顶高程取为896.2m,为梯形断面,堰长31.4m,最大堰高6.2m,最大底宽13.5m,顶宽4.0m,上游坡比为1:1、下游坡为1:0.5。堰体采用帷幕灌浆防渗,灌浆孔按双排布置,孔距2m,排距1.5m,呈梅花型布置,进入基岩深度2.0m。(2)、大坝下游围堰按汛期过水围堰设计,堰体材料为土石料。围堰堰顶高程取为893.2m,为梯形断面堰长23.8m,最大堰高3....

1、当您付费下载文档后,您只拥有了使用权限,并不意味着购买了版权,文档只能用于自身使用,不得用于其他商业用途(如 [转卖]进行直接盈利或[编辑后售卖]进行间接盈利)。
2、本站所有内容均由合作方或网友上传,本站不对文档的完整性、权威性及其观点立场正确性做任何保证或承诺!文档内容仅供研究参考,付费前请自行鉴别。
3、如文档内容存在违规,或者侵犯商业秘密、侵犯著作权等,请点击“违规举报”。

碎片内容

大坝基础开挖专项施工方案

您可能关注的文档

确认删除?
VIP
微信客服
  • 扫码咨询
会员Q群
  • 会员专属群点击这里加入QQ群
客服邮箱
回到顶部