电脑桌面
添加小米粒文库到电脑桌面
安装后可以在桌面快捷访问

城镇污水处理站方案初步方案A版VIP免费

城镇污水处理站方案初步方案A版_第1页
1/23
城镇污水处理站方案初步方案A版_第2页
2/23
城镇污水处理站方案初步方案A版_第3页
3/23
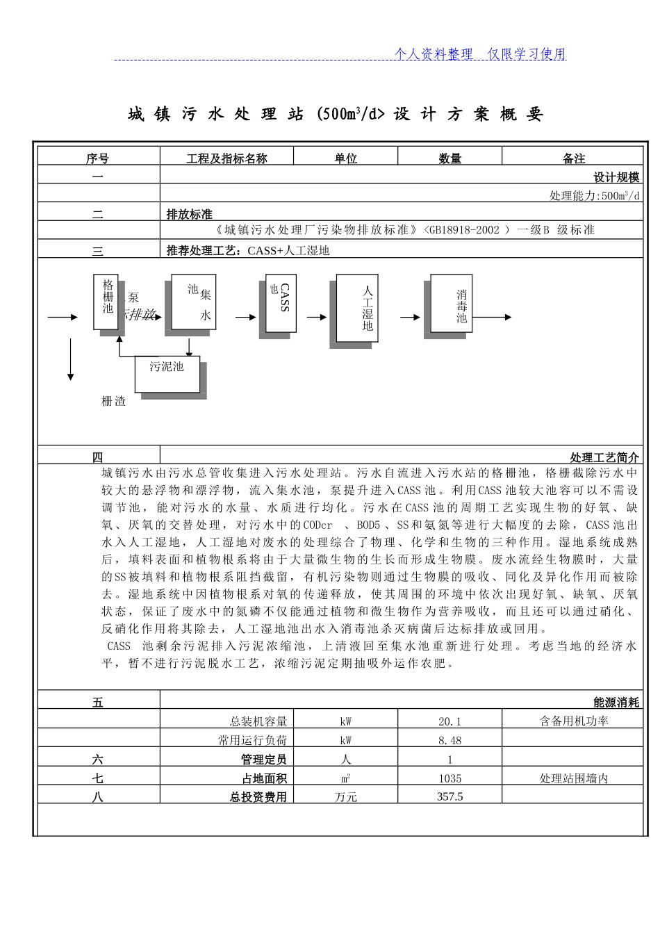
个人资料整理仅限学习使用设计初步方案版本:A西昌环宇环保科技有限责任公司电话:1369826878113981576902二0一三年二月第一章概述31.1工程名称31.2方案选择及编制原则31.3方案设计范围31.4设计依据31.5主要采用的规范及标准4第二章处理规模及设计水质42.1处理水量42.2设计进水水质52.3设计出水水质52.4本工程污水的特点6第三章方案的选择63.1工艺设计原则63.2污水处理方案的选择73.3拟建的污水处理流程143.3.1工艺流程143.3.2处理流程简述143.3.3处理效率的预测15第四章工程设计154.1污水处理站总平面设计15城镇生活污水处理站初步设计方案个人资料整理仅限学习使用4.2处理构筑物工艺设计15第五章基建投资估算195.1土建部分估价195.2设备部分估价195.3附属工程估价215.4其他费用215.5基建投资总费用估算21第六章运行费用经济分析226.1.占地面积226.2.运行成本分析22第七章工程进度计划23第八章结论23个人资料整理仅限学习使用城镇污水处理站(500m3/d>设计方案概要序号工程及指标名称单位数量备注一设计规模处理能力:500m3/d二排放标准《城镇污水处理厂污染物排放标准》205.89三第三部份其他费用(含征地等费用>50.12四工程工程总投资357.5九处理成本元/m3污水0.41十建设进度天110十一处理工艺特点a.投资、运行费用较低。b.占地较省。c.抗冲击负荷能力强;d.污泥量少,间接运行费用低;e.确保出水达一级B标高标准排放。个人资料整理仅限学习使用城镇污水处理站设计初步方案第一章概述1.1工程名称普格县螺髻山镇生活污水处理站1.2方案选择及编制原则<1)贯彻执行国家关于环境保护的政策,符合国家有关法规、规范及标准。<2)根据设计进水水质和出水水质要求,所选污水处理工艺力求技术先进,处理效果好,运行稳定可靠,高效节能,经济合理。确保污水处理效果,减少工程投资及日常运行费用。<3)妥善处理污水处理过程产生的栅渣、污泥,避免产生二次污染。<4)结合城镇的环境要求,选用低噪声设备。<5)操作、维护管理方便、安全。1.3方案设计范围设计范围包括污水处理站区内工艺,构筑物结构、电气及给排水工程等设计。个人资料整理仅限学习使用1.4设计依据<1)该镇生态环境规划书。<2)当地环保部门对该镇污水排放标准要求。<3)国家的有关设计规范。1.5主要采用的规范及标准<1)《城镇污水处理厂污染物排放标准》

1、当您付费下载文档后,您只拥有了使用权限,并不意味着购买了版权,文档只能用于自身使用,不得用于其他商业用途(如 [转卖]进行直接盈利或[编辑后售卖]进行间接盈利)。
2、本站所有内容均由合作方或网友上传,本站不对文档的完整性、权威性及其观点立场正确性做任何保证或承诺!文档内容仅供研究参考,付费前请自行鉴别。
3、如文档内容存在违规,或者侵犯商业秘密、侵犯著作权等,请点击“违规举报”。

碎片内容

城镇污水处理站方案初步方案A版

您可能关注的文档

确认删除?
微信客服
  • 扫码咨询
会员Q群
  • 会员专属群点击这里加入QQ群