电脑桌面
添加小米粒文库到电脑桌面
安装后可以在桌面快捷访问

建筑设备施工图的识读VIP免费

建筑设备施工图的识读_第1页
1/27
建筑设备施工图的识读_第2页
2/27
建筑设备施工图的识读_第3页
3/27
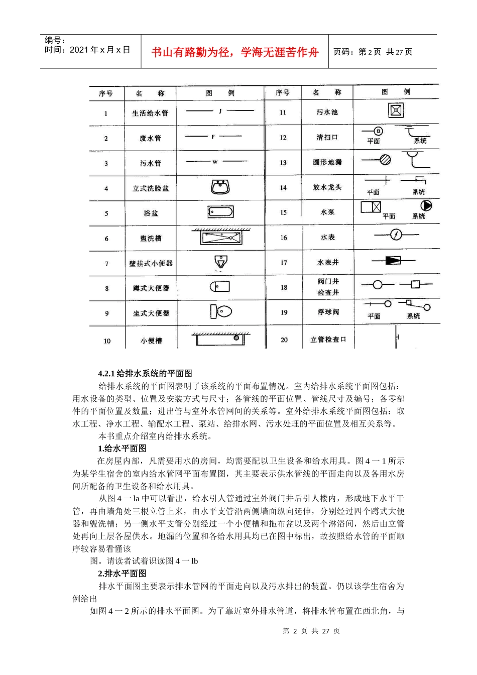
第1页共27页编号:时间:2021年x月x日书山有路勤为径,学海无涯苦作舟页码:第1页共27页第4章建筑设备施工图的识读4.1建筑设备施工图的内容和特点建筑设备是保障一幢房屋能够正常使用的必备条件,也是房屋的重要组成部分。整套的设备工程一般包括:给排水设备;供暖、通风设备;电气设备;煤气设备等。建筑设备施工图所表达的内容就是这些设备的安装与制作。由于各种建筑设备施工图都有自己的特点,并且与建筑结构有着密切的联系,故作为物业管理方面的专业人员,只有很好地识读这些图,才能更好地为小区建设服务。建筑设备施工图一般由基本图和详图两部分组成。基本图包括管线(管路)平面图、系统轴测图、原理图和设计说明;详图包括各局部或部分的加工和施工安装的详细尺寸及要求。基本图有室内和室外之分。建筑设备作为房屋的重要组成部分,其施工图主要有以下特点:(1)各设备系统一般采用统一的图例符号表示,这些图例符号一般并不完全反映实物的原形。因此,要了解这类图纸,首先应了解与图纸有关的各种图例符号及其所代表的内容。(2)各设备系统都有自己的走向,在识图时,应按一定顺序去读,使设备系统一目了然,更加易于掌握,并能尽快了解全局。例如在识读电气系统和给水系统时,一般应按下面的顺序进行:电气系统:进户线→配电盘→干线→分配电板→支线→用电设备。给水系统:引人管→水表井→干管→立管→支管→用水设备。(3)各设备系统常常是纵横交错敷设的,在平面图上难于看懂,一般需配备辅助图形—轴测投影图来表达各系统的空间关系。这样,两种图形对照阅读,就可以把各系统的空间位置完整地体现出来,更加有利于对各施工图的识读。(4)各设备系统的施工安装、管线敷设需要与土建施工相互配合,在看图时,应注意不同设备系统的特点及其对土建施工的不同要求(如管沟、留洞、埋件等),注意查阅相关的土建图样,掌握各工种图样间的相互芙系。4.2给排水系统施工图的识读给排水系统是为了系统地供给生活、生产、消防用水以及排除生活或生产废水而建设的一整套工程设施的总称。给排水系统施工图则是表示该系统施工的图样,一般将其分为室内给排水系统和室外给排水系统两部分。室内给排水系统施工图包括:设备系统平面图、轴测图、详图和施工说明;室外给排水系统施工图包括:设备系统平面图、纵断面图详图以及施工说明。在给排水系统的施工图中,一般都采用规定的图形符号来表示,表4一1列出了一些常用的图例符号。表4-1给排水施工圈常用圈例第2页共27页第1页共27页编号:时间:2021年x月x日书山有路勤为径,学海无涯苦作舟页码:第2页共27页4.2.1给排水系统的平面图给排水系统的平面图表明了该系统的平面布置情况。室内给排水系统平面图包括:用水设备的类型、位置及安装方式与尺寸;各管线的平面位置、管线尺寸及编号;各零部件的平面位置及数量;进出管与室外水管网间的关系等。室外给排水系统平面图包括:取水工程、净水工程、输配水工程、泵站、给排水网、污水处理的平面位置及相互关系等。本书重点介绍室内给排水系统。1.给水平面图在房屋内部,凡需要用水的房间,均需要配以卫生设备和给水用具。图4一1所示为某学生宿舍的室内给水管网平面布置图,其主要表示供水管线的平面走向以及各用水房间所配备的卫生设备和给水用具。从图4一la中可以看出,给水引人管通过室外阀门井后引人楼内,形成地下水平干管,再由墙角处三根立管上来,由水平支管沿两侧墙面纵向延伸,分别经过四个蹲式大便器和盥洗槽;另一侧水平支管分别经过一个小便槽和拖布盆以及两个淋浴间,然后由立管处再向上层各屋供水。地漏的位置和各给水用具均已在图中标出,故按照给水管的平面顺序较容易看懂该图。请读者试着识读图4一lb2.排水平面图排水平面图主要表示排水管网的平面走向以及污水排出的装置。仍以该学生宿舍为例给出如图4一2所示的排水平面图。为了靠近室外排水管道,将排水管布置在西北角,与第3页共27页第2页共27页编号:时间:2021年x月x日书山有路勤为径,学海无涯苦作舟页码:第3页共27页给水引人管成90.,并将粪便排出管与淋浴、盥洗排出管分开,把后者的排出管布置在房屋的前墙...

1、当您付费下载文档后,您只拥有了使用权限,并不意味着购买了版权,文档只能用于自身使用,不得用于其他商业用途(如 [转卖]进行直接盈利或[编辑后售卖]进行间接盈利)。
2、本站所有内容均由合作方或网友上传,本站不对文档的完整性、权威性及其观点立场正确性做任何保证或承诺!文档内容仅供研究参考,付费前请自行鉴别。
3、如文档内容存在违规,或者侵犯商业秘密、侵犯著作权等,请点击“违规举报”。

碎片内容

建筑设备施工图的识读

您可能关注的文档

确认删除?
VIP
微信客服
  • 扫码咨询
会员Q群
  • 会员专属群点击这里加入QQ群
客服邮箱
回到顶部