电脑桌面
添加小米粒文库到电脑桌面
安装后可以在桌面快捷访问

生产管理工作细化执行方案VIP免费

生产管理工作细化执行方案_第1页
1/85
生产管理工作细化执行方案_第2页
2/85
生产管理工作细化执行方案_第3页
3/85
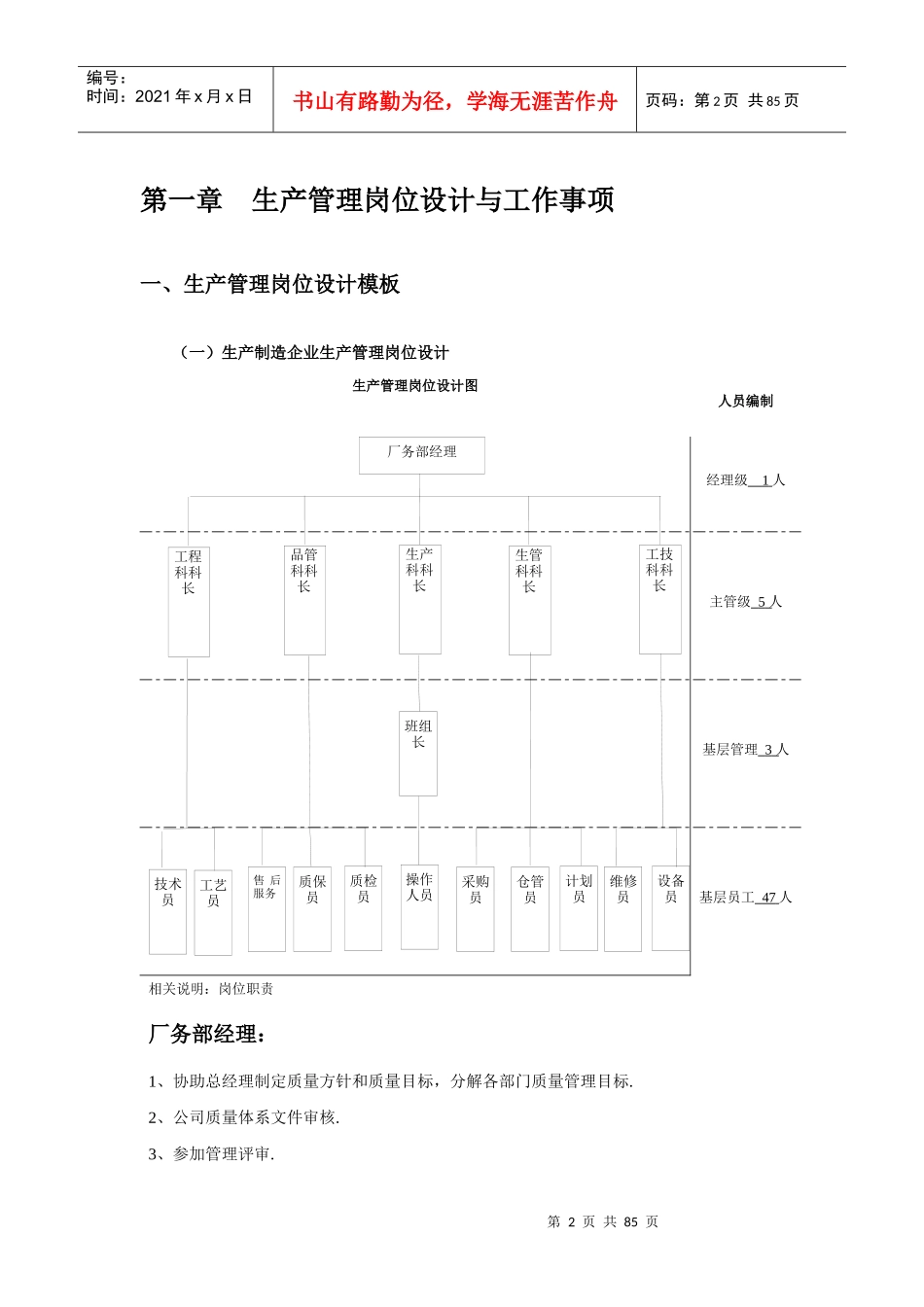
第1页共85页编号:时间:2021年x月x日书山有路勤为径,学海无涯苦作舟页码:第1页共85页目录第2页共85页第1页共85页编号:时间:2021年x月x日书山有路勤为径,学海无涯苦作舟页码:第2页共85页第一章生产管理岗位设计与工作事项一、生产管理岗位设计模板(一)生产制造企业生产管理岗位设计生产管理岗位设计图人员编制经理级1人主管级5人基层管理3人基层员工47人相关说明:岗位职责厂务部经理:1、协助总经理制定质量方针和质量目标,分解各部门质量管理目标.2、公司质量体系文件审核.3、参加管理评审.品管科科长厂务部经理工技科科长生管科科长工程科科长生产科科长技术员质检员工艺员采购员仓管员操作人员设备员计划员质保员售后服务班组长维修员第3页共85页第2页共85页编号:时间:2021年x月x日书山有路勤为径,学海无涯苦作舟页码:第3页共85页4、各类厂务文件的审批.5、工厂规章管理制度的审批.6、各部门工作执行的监督.7、各部门之间的工作协调.8、重大异常的处理.9、各部主管的业绩考核.10、生产质量制度文件管理审核11、完成总经理临时交办的其它工作.各科科长:1、贯彻执行公司总经理与厂务经理负责的指示,直接对厂务经理和总经理负责.2、就本部门以及公司的技术力量配置、技术管理组织结构提出方案或建议,挑选和配备公司各个技术岗位人员,培养、巩固技术骨干队伍,切实保障技术部设备的安全运行以及项目设施的正常使用.3、负责制定本部门人员岗位职责,考评员工的工作业绩并据实提出奖罚意见.4、根据公司的经营管理目标和任务制定本部门的管理目标、工作安排,制定工作计划,组织技术力量解决工程技术问题、技术管理问题,建立技术管理制度,就重大技术事项向公司领导提出决策建议.5、负责本部员工的职业道德教育和安全教育,带领本部全体员工努力完成各项任务,提高本部的服务意识、管理效能和战斗力.6、负责本部不合格服务的处理及纠正、预防措施的实施和跟踪.7、对本部的整体服务质量和安全生产负责.9、协调本部内部以及与兄弟部门之间的工作关系.班组长:1、组织本组人员按生产计划完成生产任务.2、协助本科科长完成各工序协调工作.3、严格按有关技术文件与操作规程,对产品质量进行监控.4、及时组织有关人员排除异常,并对主管报告.第4页共85页第3页共85页编号:时间:2021年x月x日书山有路勤为径,学海无涯苦作舟页码:第4页共85页5、协助主管对本组人员的技术考核和人员培训工作实施.6、每日填写生产日报表、加班申请单,上报主管当日之生产状况;7、完成主管安排之其他任务并对主管负责。第二章企业质量管理目标以及各部门质量管理目标企业质量管理目标:厂务部:工程科:生管科:品管科:生产科:工技科:业务部:第5页共85页第4页共85页1.明确年度生产任务2.搜集生产资料和信息3.确定产能4.初步拟定生产计划指标5.指标报批和备案6.确定生产计划指标7.编制生产计划书8.安排生产任务9.执行生产计划10.监控、落实生产计划编号:时间:2021年x月x日书山有路勤为径,学海无涯苦作舟页码:第5页共85页管理部:第三章生产计划与控制执行一、生产计划管理流程工作目标知识准备关键点控制细化执行流程图1.明确生产任务2.平衡生产能力3.掌握生产进度4.提高生产绩效1.生产计划系统结构:包括长期计划、中期计划和短期计划2.生产计划指标构成:包括品种指标、质量指标、产量指标和产值指标1.明确年度生产任务《年度生产经营目标》1.1厂务部根度经营目标确定年度生产任务《计划管理制度》1.2厂务部经理向总经理请示,确定明确生产任务2.搜集生产资料和信息厂务部主管搜集本公司前三年的生产资料以及产品的市场需求信息《公司市场调研管理办法》3.确定产能3.1生产科收集生产设备的产能情况3.2根据市场需求和以往生产数据确定产能第6页共85页第5页共85页编号:时间:2021年x月x日书山有路勤为径,学海无涯苦作舟页码:第6页共85页4.初步拟定生产计划指标厂务经理拟定初步生产计划指标,包括供应能力、技术能力、机器负荷和人力负荷等《年度生产计划表》5.指标报批和备案厂务部经理将初步拟定的生产计划指标报总经理审核签字6.确定生产计划指标生...

1、当您付费下载文档后,您只拥有了使用权限,并不意味着购买了版权,文档只能用于自身使用,不得用于其他商业用途(如 [转卖]进行直接盈利或[编辑后售卖]进行间接盈利)。
2、本站所有内容均由合作方或网友上传,本站不对文档的完整性、权威性及其观点立场正确性做任何保证或承诺!文档内容仅供研究参考,付费前请自行鉴别。
3、如文档内容存在违规,或者侵犯商业秘密、侵犯著作权等,请点击“违规举报”。

碎片内容

生产管理工作细化执行方案

中小学教育精品资料+ 关注
实名认证
内容提供者

中小学教育资料,优质文档创作者

确认删除?
VIP
微信客服
  • 扫码咨询
会员Q群
  • 会员专属群点击这里加入QQ群
客服邮箱
回到顶部