电脑桌面
添加小米粒文库到电脑桌面
安装后可以在桌面快捷访问

林木种质资源普查技术标准及相关规定VIP免费

林木种质资源普查技术标准及相关规定_第1页
1/12
林木种质资源普查技术标准及相关规定_第2页
2/12
林木种质资源普查技术标准及相关规定_第3页
3/12
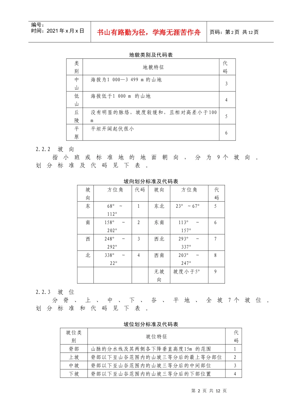
第1页共12页编号:时间:2021年x月x日书山有路勤为径,学海无涯苦作舟页码:第1页共12页吉林省林木种质资源普查调查项目技术标准及相关规定1编制说明根据吉林省林木种质资源普查工作方案和技术方法要求,为满足普查野外调查和内业统计需要,规范项目调查标准,提高调查质量,特制定本规定。本规定参照《吉林省森林资源规划设计调查技术细则》,结合普查涉及的调查项目制定。2技术标准2.1地理信息因子2.1.1坐标系统采用北京54平面坐标系,普查用的GPS统一转换为该坐标系。吉林省WGS84坐标系转北京54平面坐标系参数为:a=-108、f=0.0000005、x=1.0、y=-129.4、z=-48.2;中央子午线:21带选123,22带选129。2.1.2地形图采用五万分之一比例尺地形图为普查用标准地形图。可根据野外作业需要放大至125000﹕。调查时填写五万分之一地形图图幅号,填写形式为“11-52-6-甲”。2.1.3地理坐标按五万分之一地形图表示方法,记载现地采集的GPS坐标值。纵坐标填写7位数,横坐标填写8位数,均记载到1m。如:纵距4832625,横距22468532。2.1.4海拔高采用1956年黄海高程系,记载现地量测值,以米为单位,记载到1m。2.2地形因子2.2.1地貌地貌划分为4级,见下表。第2页共12页第1页共12页编号:时间:2021年x月x日书山有路勤为径,学海无涯苦作舟页码:第2页共12页地貌类别及代码表类别地貌特征代码中山海拔为1000—3499m的山地3低山海拔低于1000m的山地4丘陵没有明显的脉络,坡度较缓和,且相对高差小于100m5平原平坦开阔起伏很小62.2.2坡向指小班或标准地的地面朝向,分为9个坡向。划分标准及代码见下表。坡向划分标准及代码表坡向方位角代码坡向方位角代码东68°~112°1东北23°~67°5南158°~202°2东南113°~157°6西248°~292°3西北293°~337°7北338°~22°4西南203°~247°8无坡向坡度小于5°92.2.3坡位分脊、上、中、下、谷、平地、全坡7个坡位。划分标准和代码见下表。坡位划分标准及代码表坡位类别坡位特征代码脊部山脉的分水线及其两侧各下降垂直高度15m的范围1上坡脊部以下至山谷范围内的山坡三等分后的最上等分部位2中坡脊部以下至山谷范围内的山坡三等分后的中间部位3下坡脊部以下至山谷范围内的山坡三等分后的下部位置4第3页共12页第2页共12页编号:时间:2021年x月x日书山有路勤为径,学海无涯苦作舟页码:第3页共12页山谷汇水线两侧的谷地或其它部位中出现的局部山洼5平地平原和台地上坡度小于5°的地段6全坡小班或调查树种在上、中、下坡位都有分布72.2.4坡度坡度分为Ⅵ级,划分标准和代码见下表。坡度划分标准及代码表级别坡度名称倾斜角度代码级别坡度名称倾斜角度代码Ⅰ平坡0°~4°1Ⅳ陡坡25°~34°4Ⅱ缓坡5°~14°2Ⅴ急坡35°~44°5Ⅲ斜坡15°~24°3Ⅵ险坡45°以上62.3土壤因子2.3.1土壤名称根据中国土壤分类系统确定,记载调查点的土类。土类名称代码表土纲土类代码土纲土类代码淋溶土纲棕壤112半水成土纲黑土161暗棕壤113白浆土162灰黑土114草甸土167钙层土纲黑钙土132盐碱土纲盐土171栗钙土133碱土172棕钙土134岩成土纲风沙土185灰钙土135火山灰土186水成土沼泽151第4页共12页第3页共12页编号:时间:2021年x月x日书山有路勤为径,学海无涯苦作舟页码:第4页共12页纲土水稻土1522.3.2土壤及腐殖质厚度土壤厚度:记载土壤的A+B层厚度,当有BC过渡层时,应为A+B+BC/2的厚度。腐殖质厚度:记载土壤的A层厚度,当有AB层时,应为A+AB/2的厚度。土壤、腐殖质层厚度等级及代码表土壤厚度腐殖质层厚度等级土层厚度(cm)代码等级厚度(cm)代码厚≥601厚>5cm1中30~592中2~4.9cm2薄<303薄<2cm32.4林分调查因子2.4.1最小区划面积及调查统计单位以公顷为调查和统计单位,一般野生林木种质资源树种的最小区划面积1hm2,珍稀、濒危树种和古树名木最小区划面积0.1hm2,其它树种和品种最小区划面积0.5hm2。2.4.2权属调查记载种质资源树种的土地权属林木权属,包括所有权和使用权。土地及林木权属代码表类别土地权属林木权属权属国有集体国有集体个人其它代码1212392.4.3起源起源分天然和人工两大类。1)天然林:指由天然下种、人工促进天然更新(包括冠下造林和“人天混林分...

1、当您付费下载文档后,您只拥有了使用权限,并不意味着购买了版权,文档只能用于自身使用,不得用于其他商业用途(如 [转卖]进行直接盈利或[编辑后售卖]进行间接盈利)。
2、本站所有内容均由合作方或网友上传,本站不对文档的完整性、权威性及其观点立场正确性做任何保证或承诺!文档内容仅供研究参考,付费前请自行鉴别。
3、如文档内容存在违规,或者侵犯商业秘密、侵犯著作权等,请点击“违规举报”。

碎片内容

林木种质资源普查技术标准及相关规定

您可能关注的文档

确认删除?
VIP
微信客服
  • 扫码咨询
会员Q群
  • 会员专属群点击这里加入QQ群
客服邮箱
回到顶部