电脑桌面
添加小米粒文库到电脑桌面
安装后可以在桌面快捷访问

成套开关设备基础资料VIP免费

成套开关设备基础资料_第1页
1/32
成套开关设备基础资料_第2页
2/32
成套开关设备基础资料_第3页
3/32
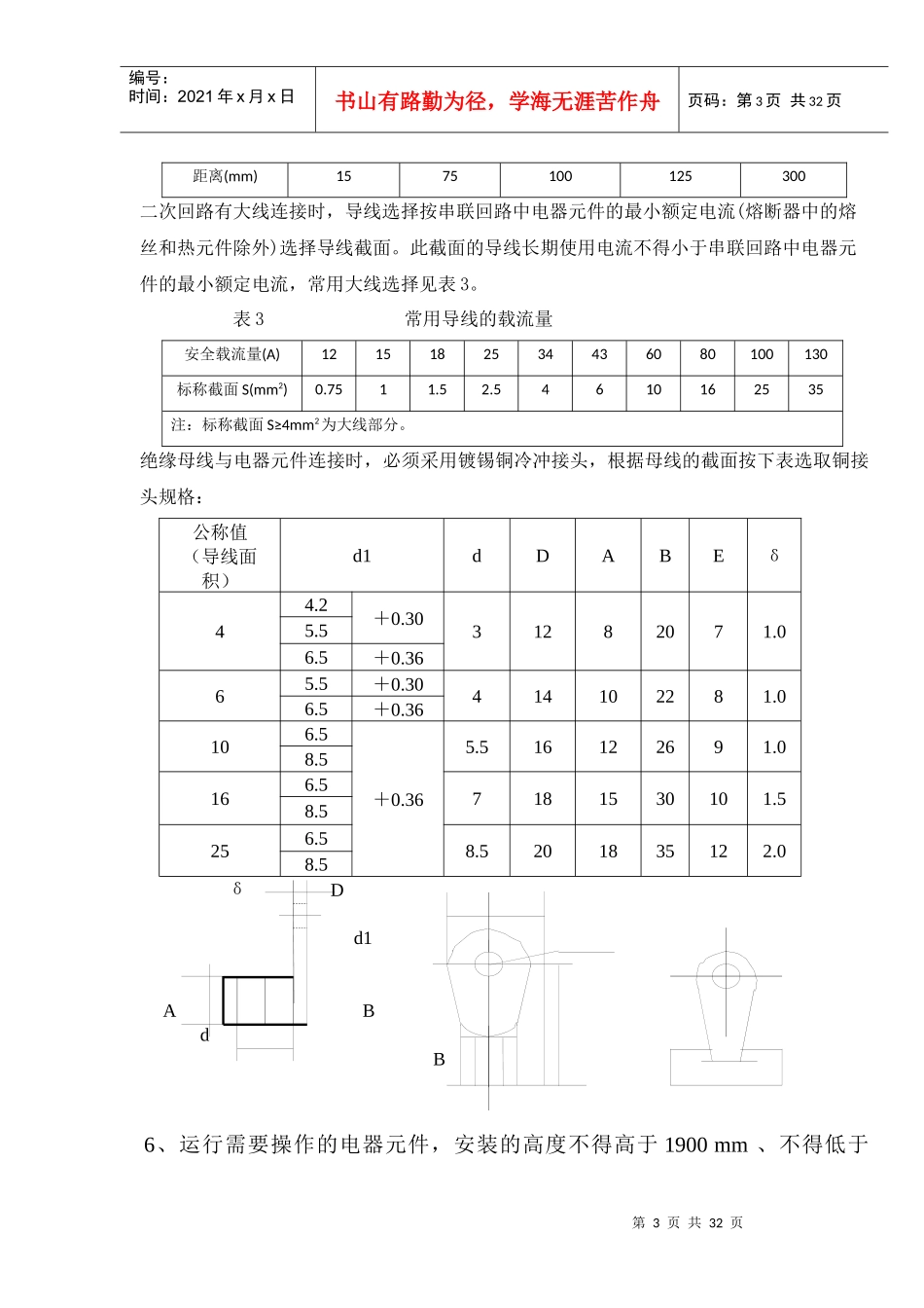
第1页共32页编号:时间:2021年x月x日书山有路勤为径,学海无涯苦作舟页码:第1页共32页学习资料电气元件装配工艺1、成套电气开关设备不同极性的裸露带电导体及它们与金属外壳间的电气间隙、爬电距离、隔离距离不应小于下表规定。电气间隙、爬电距离和隔离距离产品执行标准电气间隙mm爬电距离mm隔离距离mmGB7251.11012.520GB7251.21012.5/GB7251.368/GB/T155761014/注:设备中元件本身的电气间隙、爬电距离和隔离距离应符合元件本身的规定高压开关柜电压(KV)最小距离部位361035不同相的裸带电体之间及裸露带电部分至接地骨架之间7590125300裸露带电部分至正面金属封板金属门或传动杆件105130155330裸带电部分至正面网状封板或网状门175200225400无遮栏导体至地(表)板高度25002500250027002、铜母线的漆色及相序排列按下表规定(根据GB2681)相别母线安装相互位置颜色垂直位置水平位置引下线A黄上远左B绿中中中C红下近右中性线淡蓝接地线黄绿相间第2页共32页第1页共32页编号:时间:2021年x月x日书山有路勤为径,学海无涯苦作舟页码:第2页共32页3、螺栓紧固时应对称进行,用力要均匀,不宜用力过大以防母线变形引起外翘致使接触不良,但必须连接紧密,牢固可靠。尽可能使用力矩扳手,其紧固力矩值应符合下表规定。螺栓规格力矩值(N*M)螺栓规格力矩值(N*M)M89~11M1451~61M1018~23M1679~98M1231~39M1898~127紧固后的螺栓长度宜露出螺母平面2-3扣,不得低于或者高出螺母平面太多。螺栓规格必须一致。对于元器件的安装孔,均按元器件规定的螺栓规格、数量安装紧固,不得遗漏,安装元器件电器梁上的安装孔允许大于元器件安装螺栓直经2mm。紧固时应选择适当的工具,不得破坏被覆层。母线连接处弯曲部分的距离不得不小于20毫米4、铜母线与电器元件连接时素养线与电器元件出线端的根部应有不小于5毫米的空出地位,并应保证母线与电器元件的实际接触面积不小于母线面积的1.5倍。>5母线电器元件接线端5、当悬挂线束未固定长度超过300mm时,应固定导线。(如达不到表2规定距离要求时,过门转角等处间距应缩短)表2线束与一次母线间的距离额定电压(kV)0.4361035第3页共32页第2页共32页编号:时间:2021年x月x日书山有路勤为径,学海无涯苦作舟页码:第3页共32页距离(mm)1575100125300二次回路有大线连接时,导线选择按串联回路中电器元件的最小额定电流(熔断器中的熔丝和热元件除外)选择导线截面。此截面的导线长期使用电流不得小于串联回路中电器元件的最小额定电流,常用大线选择见表3。表3常用导线的载流量安全载流量(A)1215182534436080100130标称截面S(mm2)0.7511.52.54610162535注:标称截面S≥4mm2为大线部分。绝缘母线与电器元件连接时,必须采用镀锡铜冷冲接头,根据母线的截面按下表选取铜接头规格:公称值(导线面积)d1dDABEδ44.2+0.3031282071.05.56.5+0.3665.5+0.30414102281.06.5+0.36106.5+0.365.516122691.08.5166.57181530101.58.5256.58.5201835122.08.5δDd1ABdB6、运行需要操作的电器元件,安装的高度不得高于1900mm、不得低于第4页共32页第3页共32页编号:时间:2021年x月x日书山有路勤为径,学海无涯苦作舟页码:第4页共32页400mm;用于紧急动作的元件安装高度不得高于1600mm、不得低于800mm;运行中需要观察的仪表、仪器,安装高度不得高于2000mm。7、元器件的飞弧距离、爬电距离、电气电隙是否符合表五的规定要求。7.1附表如下:表一型号规格飞弧距离自动空气开关DZX10100/380DZX10200/3150DZX10400/3200DZX10600/3200DZ20100/3150G200DZ20200/3150G200DZ20400/3200DZ20630/3200DZ201250/3200CM1100/350CM1225/350CM1400/3100CM1630/3100TG100/380TG225/3120TG400/3120TG600/3140DW15200-600/3≥30DW151000-1600/3350DW152500/3350DW154000/3400第5页共32页第4页共32页编号:时间:2021年x月x日书山有路勤为径,学海无涯苦作舟页码:第5页共32页ME630-2500350ME2505-4000400表二型号规格飞弧距离mm交流101016102510403063601007016080250100400110630120表三型号规格mmLMCJ12B交流10040401504545250505040090906001001007.2发热元器件与元器件的安...

1、当您付费下载文档后,您只拥有了使用权限,并不意味着购买了版权,文档只能用于自身使用,不得用于其他商业用途(如 [转卖]进行直接盈利或[编辑后售卖]进行间接盈利)。
2、本站所有内容均由合作方或网友上传,本站不对文档的完整性、权威性及其观点立场正确性做任何保证或承诺!文档内容仅供研究参考,付费前请自行鉴别。
3、如文档内容存在违规,或者侵犯商业秘密、侵犯著作权等,请点击“违规举报”。

碎片内容

成套开关设备基础资料

确认删除?
VIP
微信客服
  • 扫码咨询
会员Q群
  • 会员专属群点击这里加入QQ群
客服邮箱
回到顶部