电脑桌面
添加小米粒文库到电脑桌面
安装后可以在桌面快捷访问

煤炭生产许可证申请表VIP免费

煤炭生产许可证申请表_第1页
1/38
煤炭生产许可证申请表_第2页
2/38
煤炭生产许可证申请表_第3页
3/38
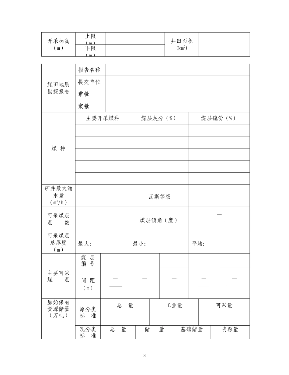
附件一煤炭生产许可证申请表(井工矿)申请单位(盖章):地址:邮编:负责人签字:联系人:联系电话:申请日期:年月日国家发展和改革委员会制订企业名称法人代表1矿井名称矿长姓名经济类型隶属关系详细地址采矿许可证发证机关编号有效期年月日至年月日安全生产许可证发证机关编号有效期年月日至年月日矿长资格证发证机关编号有效期年月日至年月日特殊工种工种瓦检员安检员放炮员绞车司机采煤机司机电钳工持证人数总人数:持证人数:持证率:%批准采矿范围(可附加表)拐点编号XY拐点编号XY192103114125136147158162开采标高(m)上限(m)井田面积(km2)下限(m)煤田地质勘探报告报告名称提交单位审批单位审批文号煤种主要开采煤种煤层灰分(%)煤层硫份(%)矿井最大涌水量(m3/h)瓦斯等级可采煤层层数煤层倾角(度)—可采煤层总厚度(m)最大:最小:平均:主要可采煤层煤层编号间距(m)—————原始保有资源储量(万吨)原分类标准总量工业量可采量现分类标准总量储量基础储量资源量34开采设计工程名称设计单位设计时间审批单位审批文号设计能力(万吨/年)设计服务年限(年)职工人数(人)设计全员工效(吨/工)主井井口坐标X:Y:Z:开拓方式现采水平(m)采煤方法主要采煤工艺提升方式通风方式矿井主要生产系统提升运输通风排水供电生产布局调度通讯方式井上下矿内外56资源回收煤炭设计资源回收率(%)设计采区回采率(%)与煤共生伴生主要资源品种/储量设计开发回收率(%)灾害预防措施灾害预防计划编制与实施隐患排查与治理安技措费用提取与使用重大灾害预防措施审批单位生态环境保护矿井环境影响评价制度执行情况审批单位批准文号矿井执行“三同时”制度情况环保工程验收单位批准文号土地破坏设计恢复治理率(%)工业广场绿化系数(%)设计系数实际系数污染物处理设施管理设施运行率(%)设备完好率(%)建井开工日期年月日矿井竣工验收日期年月日矿井竣工验收单位验收批准文号7企业审查意见矿务局(公司)初审意见(公章)年月日煤矿企业上级集团公司审查意见(公章)年月日县(市)级煤炭行业管理部门初审意见(公章)年月日市(地)级煤炭行业管理部门初审意见(公章)年月日8省级煤炭行业管理部门意见(煤炭生产许可证专用章)年月日煤炭生产许可证编号有效期年月日至年月日9附件二煤炭生产许可证延续申请表申请单位(盖章)地址:邮编:负责人签字:联系人:联系电话:申请日期:年月日国家发展和改革委员会制订10企业名称法人代表矿井名称矿长姓名经济类型隶属关系详细地址主井坐标X:Y:Z:井田面积(km2)开采煤层开采深度(m)生产能力(万吨/年)设计:核定:矿井储量储量类别储量(万吨)基础储量(万吨)资源量(万吨)设计利用矿井剩余累计动用采出量损失量服务年限(年)原设计:尚可服务:采区回采率(%)设计:实际:采矿许可证编号有效期限年月日至年月日安全生产许可证编号有效期限年月日至年月日原煤炭生产许可证编号有效期限年月日至年月日矿长资格证编号有效期限年月日至年月日申请延续文件名称文号申请延续时间年月日至年月日11延续申请的原因及依据矿井主要生产系统提升运输通风排水供电生产布局完善不完善存在的主要问题及整改情况12企业审查意见矿务局(公司)初审意见(公章)年月日煤矿企业上级集团公司审查意见(公章)年月日县(市)级煤炭行业管理部门初审意见(公章)年月日市(地)级煤炭行业管理部门初审意见(公章)年月日13省级煤炭行业管理部门意见(煤炭生产许可证专用章)年月日批准延续的煤炭生产许可证编号有效期年月日至年月日14附件三煤炭生产许可证变更申请表申请单位(盖章)地址:邮编:负责人签字:联系人:联系电话:申请日期:年月日国家发展和改革委员会制订企业名称法人代表15矿井名称矿长姓名经济类型隶属关系详细地址主井坐标X:Y:Z:井田面积(km2)开采煤层开采深度(m)剩余基础储量(万吨)剩余储量(万吨)核定能力(万吨/年)尚可服务年限(年)采矿许可证编号有效期限年月日至年月日安全生产许可证发证机关编号矿长资格证编号有效期限年月日至年月日原煤炭生产许可证编号有效期限年月日至年月日变更项目项目原因依...

1、当您付费下载文档后,您只拥有了使用权限,并不意味着购买了版权,文档只能用于自身使用,不得用于其他商业用途(如 [转卖]进行直接盈利或[编辑后售卖]进行间接盈利)。
2、本站所有内容均由合作方或网友上传,本站不对文档的完整性、权威性及其观点立场正确性做任何保证或承诺!文档内容仅供研究参考,付费前请自行鉴别。
3、如文档内容存在违规,或者侵犯商业秘密、侵犯著作权等,请点击“违规举报”。

碎片内容

煤炭生产许可证申请表

您可能关注的文档

确认删除?
VIP
微信客服
  • 扫码咨询
会员Q群
  • 会员专属群点击这里加入QQ群
客服邮箱
回到顶部