电脑桌面
添加小米粒文库到电脑桌面
安装后可以在桌面快捷访问

试验仪器设备校验规程VIP免费

试验仪器设备校验规程_第1页
1/97
试验仪器设备校验规程_第2页
2/97
试验仪器设备校验规程_第3页
3/97
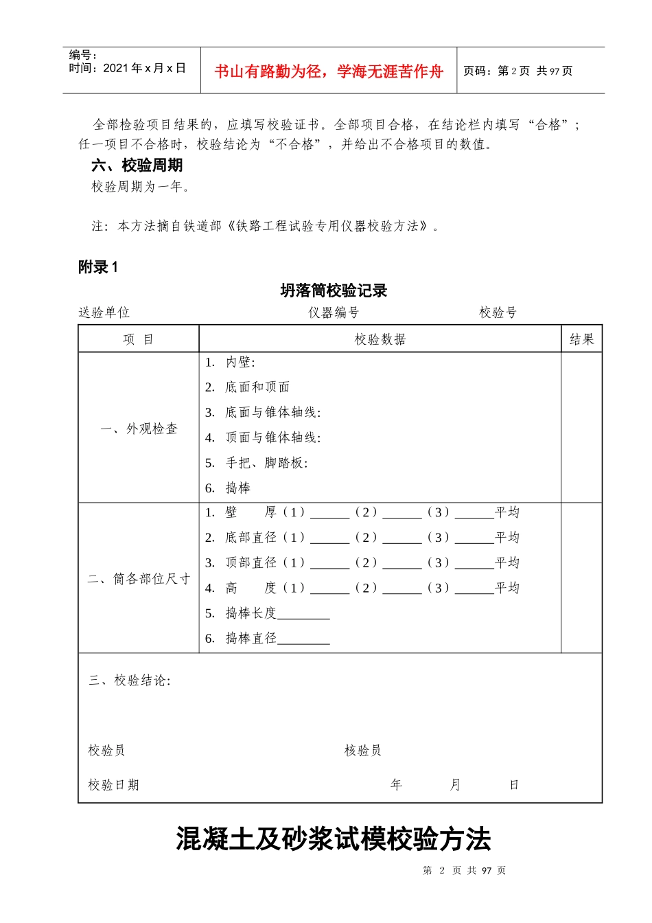
第1页共97页编号:时间:2021年x月x日书山有路勤为径,学海无涯苦作舟页码:第1页共97页混凝土坍落度筒校验方法编号:SG-C02-01本方法是用于新购和使用中的以及检修后的混凝土坍落度筒及维勃稠度仪用的坍落度筒的校验。一、概述坍落度筒是混凝土拌合物稠度试验的专用设备,用于骨料最大粒径不大于40mm、坍落度值不小于10mm的混凝土拌合物稠度测定。二、技术要求1.坍落度筒应为薄钢板或其他金属制成的圆台形筒。内壁光滑、无凹凸部位。底面和顶面应互相平行并与锥体的轴线垂直。2.坍落度筒筒外三分之二高度处应焊两个手把,下端应焊脚踏板。3.坍落度筒的内部尺寸为底部直径200±2mm顶部直径100±2mm高度300±2mm筒壁厚度不小于1.5mm4.捣棒直径(16±0.2)mm,长(600±5.0)mm的钢棒,表面光滑平直,端部应磨圆。三、校验项目及校验条件5.校验项目(1)外观检查(2)筒各部位尺寸检查6.校验用仪器(1)游线卡尺量程300mm,分度值0.02mm(2)钢直尺量程500mm,分度值1mm(3)直角尺四、校验方法7.外观检查目测检查:内壁是否光滑,有无凹凸部位。8.用钢直尺测量两个把手是否在筒外三分之二高度处。底面和顶面是否平行并与锥体轴线垂直,测量捣棒长度。9.用游标卡尺测量筒壁厚度及捣棒直径,准确至0.1mm;测量筒底及顶部的直径和高度尺寸,各部位应测量三点,取其算术平均值,准确至1mm。10.用直角尺量测底面、顶面是否与筒轴线垂直。五、校验结果处理第2页共97页第1页共97页编号:时间:2021年x月x日书山有路勤为径,学海无涯苦作舟页码:第2页共97页全部检验项目结果的,应填写校验证书。全部项目合格,在结论栏内填写“合格”;任一项目不合格时,校验结论为“不合格”,并给出不合格项目的数值。六、校验周期校验周期为一年。注:本方法摘自铁道部《铁路工程试验专用仪器校验方法》。附录1坍落筒校验记录送验单位仪器编号校验号项目校验数据结果一、外观检查1.内壁:2.底面和顶面3.底面与锥体轴线:4.顶面与锥体轴线:5.手把、脚踏板:6.捣棒二、筒各部位尺寸1.壁厚(1)(2)(3)平均2.底部直径(1)(2)(3)平均3.顶部直径(1)(2)(3)平均4.高度(1)(2)(3)平均5.捣棒长度6.捣棒直径三、校验结论:校验员核验员校验日期年月日混凝土及砂浆试模校验方法第3页共97页第2页共97页编号:时间:2021年x月x日书山有路勤为径,学海无涯苦作舟页码:第3页共97页编号:SG-C02-02本方法适用于新购和使用中的各种混凝土、砂浆试模的校验。一、技术要求1.组成模腔的各平面应刨光,其不平度应不大于0.05mm。2.承压面与相邻面的不垂直度不应超过±0.5度。3.模型的内部尺寸试模尺寸(mm)边长100×100×100100±0.2mm150×150×150150±0.2mm200×200×200200±0.4mm100×100×300100±0.2mm300±0.4mm100×100×400100±0.2mm400±0.4mm100×100×515100±0.2mm515±0.4mmΦ150×150Φ150±0.2mm150±0.2mm70.7×70.7×70.770.2±0.2mm二、校验项目及仪器4.校验项目(1)外观检查(2)试模内部尺寸的测量5.校验用仪器(1)万能角度尺(2)游标卡尺:量程300mm,分度值0.02mm。(3)塞尺(4)钢直尺:量程300mm,分度值1mm三、校验方法6.用万能角度尺测量各种模型内部各相邻的不垂直度。各相邻面选择不同部位测量两点,取算术平均值,准确至0.1度。7.用钢直尺和塞尺在各种模型的两垂直的方向上量测模型内部表面的不平度,取算术平均值。8.用游标卡尺测量各种模型内部的尺寸,在每个方向上选择三个测点,取算术平均值,准确至0.1mm。四、校验结果处理全部校验项目结束后,应填写校验证书。全部项目合格,在结论栏内填写“合格”;任一项目不合格时,校验结论为“不合格”,并给出不合格项目的数值。五、校验周期第4页共97页第3页共97页编号:时间:2021年x月x日书山有路勤为径,学海无涯苦作舟页码:第4页共97页校验周期为一年。注:本方法摘自铁道部《铁路工程试验专用仪器校验方法》。附录1混凝土及砂浆试模校验记录送验单位仪器编号校验号项目校验数据结果一、不平整度1、A面(1)(2)(3)平均2.B面(1)(2)(3)平均3.C面(1...

1、当您付费下载文档后,您只拥有了使用权限,并不意味着购买了版权,文档只能用于自身使用,不得用于其他商业用途(如 [转卖]进行直接盈利或[编辑后售卖]进行间接盈利)。
2、本站所有内容均由合作方或网友上传,本站不对文档的完整性、权威性及其观点立场正确性做任何保证或承诺!文档内容仅供研究参考,付费前请自行鉴别。
3、如文档内容存在违规,或者侵犯商业秘密、侵犯著作权等,请点击“违规举报”。

碎片内容

试验仪器设备校验规程

您可能关注的文档

确认删除?
VIP
微信客服
  • 扫码咨询
会员Q群
  • 会员专属群点击这里加入QQ群
客服邮箱
回到顶部