电脑桌面
添加小米粒文库到电脑桌面
安装后可以在桌面快捷访问

生产管理部经理岗位说明书VIP免费

生产管理部经理岗位说明书_第1页
1/3
生产管理部经理岗位说明书_第2页
2/3
生产管理部经理岗位说明书_第3页
3/3
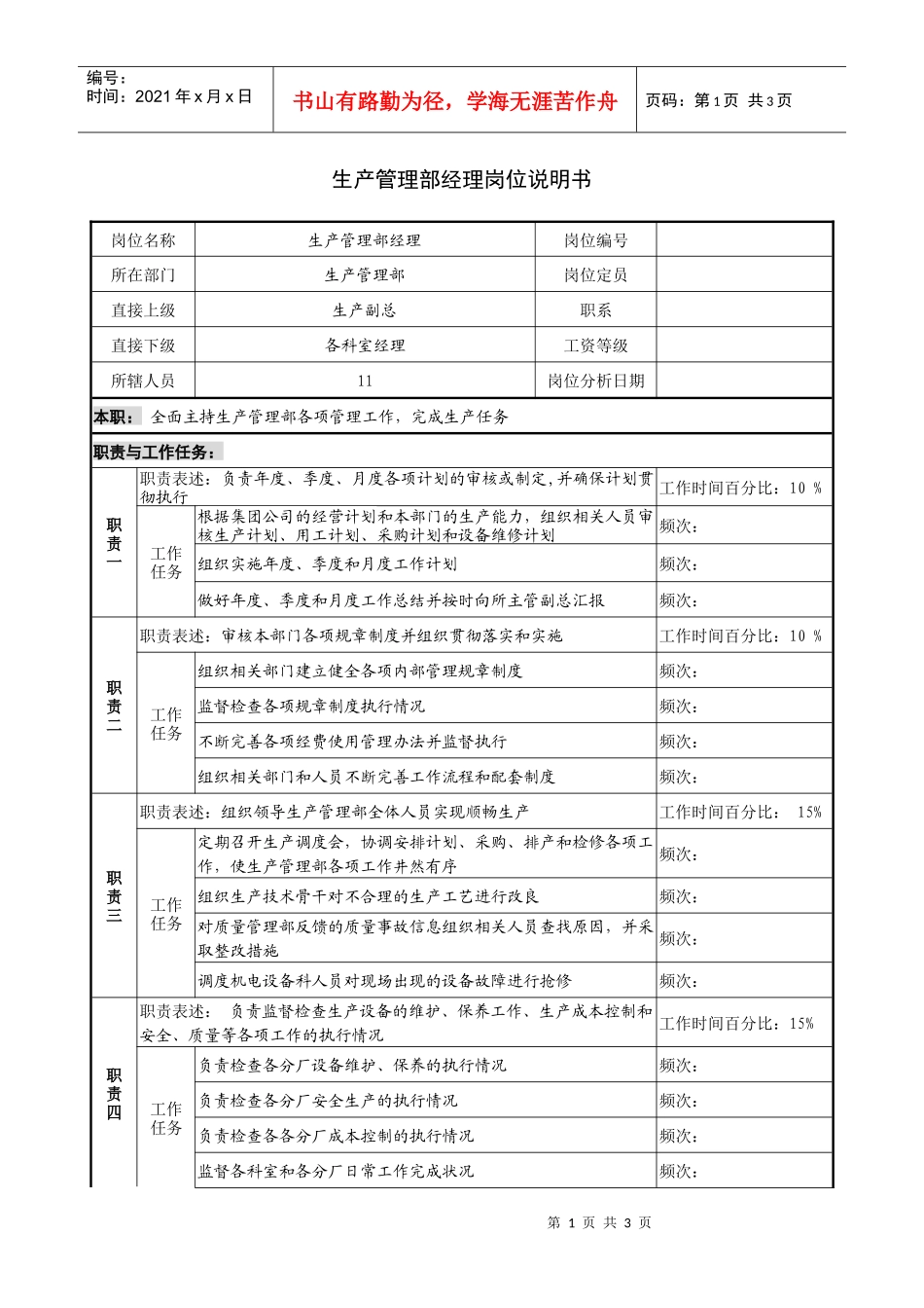
第1页共3页编号:时间:2021年x月x日书山有路勤为径,学海无涯苦作舟页码:第1页共3页生产管理部经理岗位说明书岗位名称生产管理部经理岗位编号所在部门生产管理部岗位定员直接上级生产副总职系直接下级各科室经理工资等级所辖人员11岗位分析日期本职:全面主持生产管理部各项管理工作,完成生产任务职责与工作任务:职责一职责表述:负责年度、季度、月度各项计划的审核或制定,并确保计划贯彻执行工作时间百分比:10%工作任务根据集团公司的经营计划和本部门的生产能力,组织相关人员审核生产计划、用工计划、采购计划和设备维修计划频次:组织实施年度、季度和月度工作计划频次:做好年度、季度和月度工作总结并按时向所主管副总汇报频次:职责二职责表述:审核本部门各项规章制度并组织贯彻落实和实施工作时间百分比:10%工作任务组织相关部门建立健全各项内部管理规章制度频次:监督检查各项规章制度执行情况频次:不断完善各项经费使用管理办法并监督执行频次:组织相关部门和人员不断完善工作流程和配套制度频次:职责三职责表述:组织领导生产管理部全体人员实现顺畅生产工作时间百分比:15%工作任务定期召开生产调度会,协调安排计划、采购、排产和检修各项工作,使生产管理部各项工作井然有序频次:组织生产技术骨干对不合理的生产工艺进行改良频次:对质量管理部反馈的质量事故信息组织相关人员查找原因,并采取整改措施频次:调度机电设备科人员对现场出现的设备故障进行抢修频次:职责四职责表述:负责监督检查生产设备的维护、保养工作、生产成本控制和安全、质量等各项工作的执行情况工作时间百分比:15%工作任务负责检查各分厂设备维护、保养的执行情况频次:负责检查各分厂安全生产的执行情况频次:负责检查各各分厂成本控制的执行情况频次:监督各科室和各分厂日常工作完成状况频次:第2页共3页第1页共3页编号:时间:2021年x月x日书山有路勤为径,学海无涯苦作舟页码:第2页共3页职责五职责表述:组织落实各项培训、考核工作工作时间百分比:5%工作任务组织执行人力资源部安排的各项培训、考核工作频次:组织员工进行安全生产教育频次:组织员工配合质量管理部进行质量教育频次:职责六职责表述:负责领导生产管理部生产工人的招聘、培训、薪酬和考核晋升工作工作时间百分比:8%工作任务审核生产工人的招聘、培训计划,报相关部门审批频次:组织管理生产技术工人工考核晋升工作频次:审核生产工人的工资核算情况频次:职责七职责表述:负责本部门内部的管理工作工作时间百分比:7%工作任务负责部门人员的队伍建设,选拔、配备、激励、评价下属人员,组织部门内人员的技能培训频次:负责控制部门的费用预算,降低各项费用频次:协调安排各科室临时任务,并检查完成情况频次:职责八职责表述:完成上级交付的其它任务工作时间百分比5%权力:对年度各项计划和部门制定的各项制度有审核权对来往票据和权限范围内的经费使用有审核权对各科室经理和生产分厂厂长有考核评价权对所属下级的工作有指挥调度权、监督检查权有对直接下级岗位调配的建议权、任命的提名权和奖惩建议权有权向相关部门索取必要的资料和信息的权力在权限范围内有代表对外联络的权力对所属下级的工作争议有裁决权对各生产分厂各项违规操作行为有制止权和命令整改权工作协作关系:内部协调关系集团公司各部门和单位外部协调关系县安委办,镇政府安委办任职资格:教育水平大专以上文化第3页共3页第2页共3页编号:时间:2021年x月x日书山有路勤为径,学海无涯苦作舟页码:第3页共3页专业经济管理、行政管理和理工相关专业培训经历WTO专题培训、国际贸易培训、营销管理培训、财务管理培训、质量管理培训、企业管理培训、生产运作管理培训、制鞋工艺流程的相关培训经验五年以上管理工作经验知识市场营销知识、财务知识、办公自动化知识、质量管理知识、制鞋工艺流程的知识技能技巧熟练应用常用办公软件,良好的管理沟通协调能力,较好写作表达能力、一定的理财能力其它:使用工具设备计算机、打印机、电话、计算器、档案柜、专用及通用较件工作环境一般办公环境工作时间特征正常上班、经常加班所需记录文档备注:

1、当您付费下载文档后,您只拥有了使用权限,并不意味着购买了版权,文档只能用于自身使用,不得用于其他商业用途(如 [转卖]进行直接盈利或[编辑后售卖]进行间接盈利)。
2、本站所有内容均由合作方或网友上传,本站不对文档的完整性、权威性及其观点立场正确性做任何保证或承诺!文档内容仅供研究参考,付费前请自行鉴别。
3、如文档内容存在违规,或者侵犯商业秘密、侵犯著作权等,请点击“违规举报”。

碎片内容

生产管理部经理岗位说明书

确认删除?
VIP
微信客服
  • 扫码咨询
会员Q群
  • 会员专属群点击这里加入QQ群
客服邮箱
回到顶部