电脑桌面
添加小米粒文库到电脑桌面
安装后可以在桌面快捷访问

设备预防保养管理(1)VIP免费

设备预防保养管理(1)_第1页
1/21
设备预防保养管理(1)_第2页
2/21
设备预防保养管理(1)_第3页
3/21
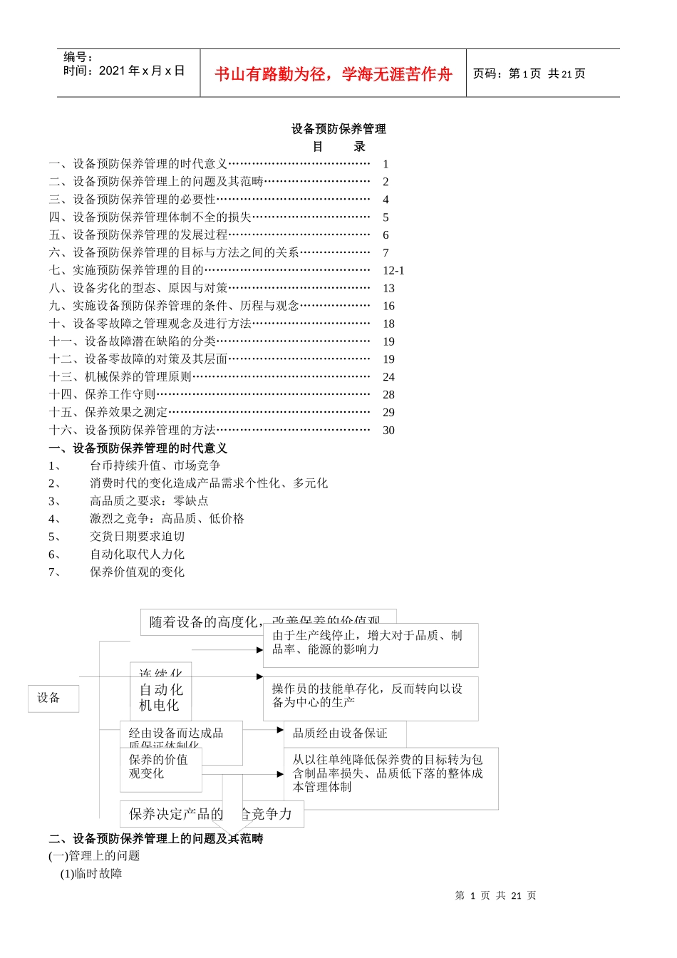
第1页共21页编号:时间:2021年x月x日书山有路勤为径,学海无涯苦作舟页码:第1页共21页设备预防保养管理目录一、设备预防保养管理的时代意义………………………………1二、设备预防保养管理上的问题及其范畴………………………2三、设备预防保养管理的必要性…………………………………4四、设备预防保养管理体制不全的损失…………………………5五、设备预防保养管理的发展过程………………………………6六、设备预防保养管理的目标与方法之间的关系………………7七、实施预防保养管理的目的……………………………………12-1八、设备劣化的型态、原因与对策………………………………13九、实施设备预防保养管理的条件、历程与观念………………16十、设备零故障之管理观念及进行方法…………………………18十一、设备故障潜在缺陷的分类…………………………………19十二、设备零故障的对策及其层面………………………………19十三、机械保养的管理原则………………………………………24十四、保养工作守则………………………………………………28十五、保养效果之测定……………………………………………29十六、设备预防保养管理的方法…………………………………30一、设备预防保养管理的时代意义1、台币持续升值、市场竞争2、消费时代的变化造成产品需求个性化、多元化3、高品质之要求:零缺点4、激烈之竞争:高品质、低价格5、交货日期要求迫切6、自动化取代人力化7、保养价值观的变化二、设备预防保养管理上的问题及其范畴(一)管理上的问题(1)临时故障随着设备的高度化,改善保养的价值观连续化机电化由于生产线停止,增大对于品质、制品率、能源的影响力自动化机电化操作员的技能单存化,反而转向以设备为中心的生产经由设备而达成品质保证体制化品质经由设备保证保养的价值观变化从以往单纯降低保养费的目标转为包含制品率损失、品质低下落的整体成本管理体制保养决定产品的综合竞争力设备第2页共21页第1页共21页编号:时间:2021年x月x日书山有路勤为径,学海无涯苦作舟页码:第2页共21页(2)停机损失(3)作业、修理计划(4)保养器材(5)预算(6)资料建档(7)组织(8)保养人员组训(9)投资效率(10)保养效率(二)设备管理上的范畴(1)设备维持管理目标:极力以低的费用维持设备项目①设备的精度维持(品质、制品Yield)②设备的机能维持(品质、制品率)③设备的效率维持(效率)④故障防止、复原(品质、制品率、效率、交期)(2)设备改善目标:拥有改善能力(对任何要求,都能尽早确实地固应)项目①应工厂需求(新产品开发、试作、省能源、省力)②改善设备的精度、机能、效率(品质、制品率、效率提升)③转化成不需求保养的境界(3)设备新设目标:使寿命周期成本(LifeCycleCostLCC)降至最低程度。项目MP①活动(维持保养性良好的设备)MP:MaintenanCePrevention②委托工程三、设备预防保养管理的必要性近代工业的特色之一,可说是机械化、自动化:但设备越迈向高度化,复杂的机械装置越难使人随心所欲地操作。因此,迈入机械化、自动化的工厂,大多烦脑着下列的问题:(1)由於突然的故障而停止生产、使生度计划一团糟,以致发生误期的严重後果:同时无可奈何地增加加班时同、并在假日加班。(2)由於机械装置的精度降低、性能劣化,而产生不良品或二级品,以致降低制品率(Yield)。(3)由於设备效率的降低、蒸汽泄漏、空气泄漏、油漏等现象,以致造成贵重资源、能源的浪费。(4)设备的摩耗、腐蚀等严重劣化,必须增加保养的人员舆成本,以便退行点检、加油、扫除、修理等。(5)由於设备的误操作、设计制作的失误、修理的失误等,以致发生灾害或公害。为了即该因设备的高度化,唯有建全设备预防保养的管理体制、提高技能水准。如此一来迈向工业化的企业才能突破严酷的经济环境,因此,预防保养成为基本的生存条件。同时藉此可解决资源、能源问题、环境、灾害问题、以及产量、品质、成本、交期等问题,因此设备预防保养管理也可说是解决一切问题的根本对策。第3页共21页第2页共21页编号:时间:2021年x月x日书山有路勤为径,学海无涯苦作舟页码:第3页共21页(6)生产活动中设备管理的定位如下:InputOutpu...

1、当您付费下载文档后,您只拥有了使用权限,并不意味着购买了版权,文档只能用于自身使用,不得用于其他商业用途(如 [转卖]进行直接盈利或[编辑后售卖]进行间接盈利)。
2、本站所有内容均由合作方或网友上传,本站不对文档的完整性、权威性及其观点立场正确性做任何保证或承诺!文档内容仅供研究参考,付费前请自行鉴别。
3、如文档内容存在违规,或者侵犯商业秘密、侵犯著作权等,请点击“违规举报”。

碎片内容

设备预防保养管理(1)

确认删除?
VIP
微信客服
  • 扫码咨询
会员Q群
  • 会员专属群点击这里加入QQ群
客服邮箱
回到顶部