电脑桌面
添加小米粒文库到电脑桌面
安装后可以在桌面快捷访问

浅析现场通讯技术VIP专享VIP免费

浅析现场通讯技术_第1页
1/14
浅析现场通讯技术_第2页
2/14
浅析现场通讯技术_第3页
3/14
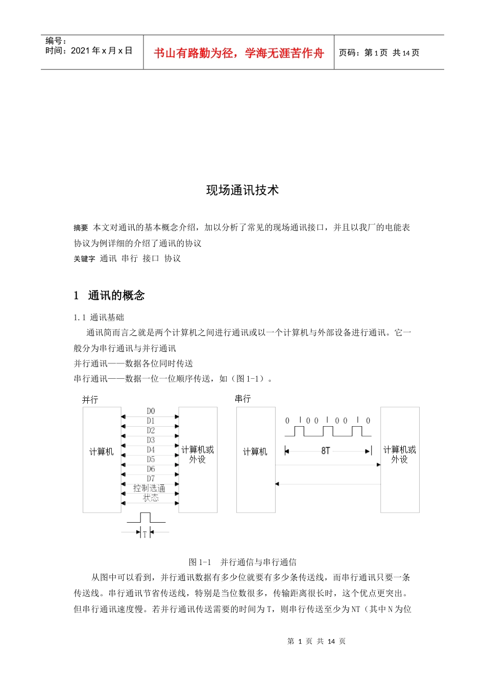
第1页共14页编号:时间:2021年x月x日书山有路勤为径,学海无涯苦作舟页码:第1页共14页现场通讯技术摘要本文对通讯的基本概念介绍,加以分析了常见的现场通讯接口,并且以我厂的电能表协议为例详细的介绍了通讯的协议关键字通讯串行接口协议1通讯的概念1.1通讯基础通讯简而言之就是两个计算机之间进行通讯或以一个计算机与外部设备进行通讯。它一般分为串行通讯与并行通讯并行通讯——数据各位同时传送串行通讯——数据一位一位顺序传送,如(图1-1)。图1-1并行通信与串行通信从图中可以看到,并行通讯数据有多少位就要有多少条传送线,而串行通讯只要一条传送线。串行通讯节省传送线,特别是当位数很多,传输距离很长时,这个优点更突出。但串行通讯速度慢。若并行通讯传送需要的时间为T,则串行传送至少为NT(其中N为位第2页共14页第1页共14页编号:时间:2021年x月x日书山有路勤为径,学海无涯苦作舟页码:第2页共14页数)。电子式多功能电能表与外界通讯都是串行的。下面将对串行通讯进一步介绍。1.2波特率(Baudrate)CPU要想把自已内部的数据以数据流的方式串行传送给外界,必须规定一个发送速度,外界要想收到这些串行数据也必须按同一速度接收。这个传送速度就叫波特率。如CPU以每积1200位二进制数码的发送速度向外发送,外界设备也必须以每秒1200位速度才能把这些二进制数码接收下来,我们称其传送速度为1200波特,每位传送时间Td为波特率的倒数:Td=11200=0.8333ms波特率是串行通讯重要参数,波特率也是衡量信道频宽的指标。1.3同步传送与异步传送假设计算机从传送开始到传送结束都以同样的波特率把自己的所有数据串行传送给外界,这种传送方式称为串行同步传送。串行同步传送一般用两条传送线,一条传同步信号,一条传数据。图1-2同步传送上图CPU可把10010┅一串数据源源不断地传送给外界。用同步信号前沿辩认数据是“1”还是“0”,同步信号起着协调计算机与外界的收发速率的作用。两条线对远距离传输也是不可取的,成本很高,如果取消同步信号,只是规定相同的波特率,由于计算机与外界之间速率差异,积累误差越来越大,可能发生“认错”现象。为了解决“错认”问题提出异步通讯概念。异步通讯基本方法是把串行数据流分成若干组,每组二进制数目个数相等。一组二进第3页共14页第2页共14页编号:时间:2021年x月x日书山有路勤为径,学海无涯苦作舟页码:第3页共14页制数组成一个字节或一个字符。典型的字符格式下图(1-3)图1-3字符格式一个字符由一个起始位,一个停止位,8-12数据位和一个奇偶校验位组成。起始位下降边指示传送开始。从这一时刻开始按双方约定的波特率传送数据位和奇偶校验位。停止位数据变为“1”,下边是空闲位,等待下一个起始位再传送。从上面介绍中我们知道所谓异步串行通讯是字符与字符之间异步的,字符内部以起始位下降边为起点,还是同步的。1.4单工与双工(a)单工(b)半双工(c)双工图1-4通信方式串行通讯中,数据在通讯线路上传送方式有三种:单工方式、半双工方式和全双工方式。单工方式:如(图1-4a)只允许数据按一个固定方向传送,A只能发送,叫发送器,B方只能接受,叫接收器。(图1-4b)为半双工:数据既能从A传到B,也能由B传到A,因此A、B都是收发器,但由于A、B之间只有一条线,信号只能分时在两个方向传输,不能同时双向传输,所以称为半双工。在待命时,A、B双方向都处于接受方式以便随时响应对方的呼叫。(图1-4c)为全双工:A、B都是收发器,且由于相互之间有两根线,A、B可同时接收或发送。显然,为了实现全双工传输,发、收资源必须完全独立,数据通道必须完全分开在A、B双方控制逻辑的协调下,才可以实现真正的双工方式。2常用的接口RS-232、RS-422与RS-485都是PCM设备上常用的串行数据接口标准,都是由电子工业协会(EIA)制订并发布的,RS-232在1962年发布。RS-422是一种单机发送、多机接收的单向、平衡传输规范,被命名为TIA/EIA-422-A标准,RS是英文“推荐标准”的缩写,422为标识号,A表示修改次数。RS-422是由RS-232发展而来的,改进RS-232通信距离短、速率低的缺点,而且抗干扰能力强。RS-422定义了一种平衡通...

1、当您付费下载文档后,您只拥有了使用权限,并不意味着购买了版权,文档只能用于自身使用,不得用于其他商业用途(如 [转卖]进行直接盈利或[编辑后售卖]进行间接盈利)。
2、本站所有内容均由合作方或网友上传,本站不对文档的完整性、权威性及其观点立场正确性做任何保证或承诺!文档内容仅供研究参考,付费前请自行鉴别。
3、如文档内容存在违规,或者侵犯商业秘密、侵犯著作权等,请点击“违规举报”。

碎片内容

浅析现场通讯技术

确认删除?
VIP
微信客服
  • 扫码咨询
会员Q群
  • 会员专属群点击这里加入QQ群
客服邮箱
回到顶部