电脑桌面
添加小米粒文库到电脑桌面
安装后可以在桌面快捷访问

电除尘设备相关规范VIP免费

电除尘设备相关规范_第1页
1/9
电除尘设备相关规范_第2页
2/9
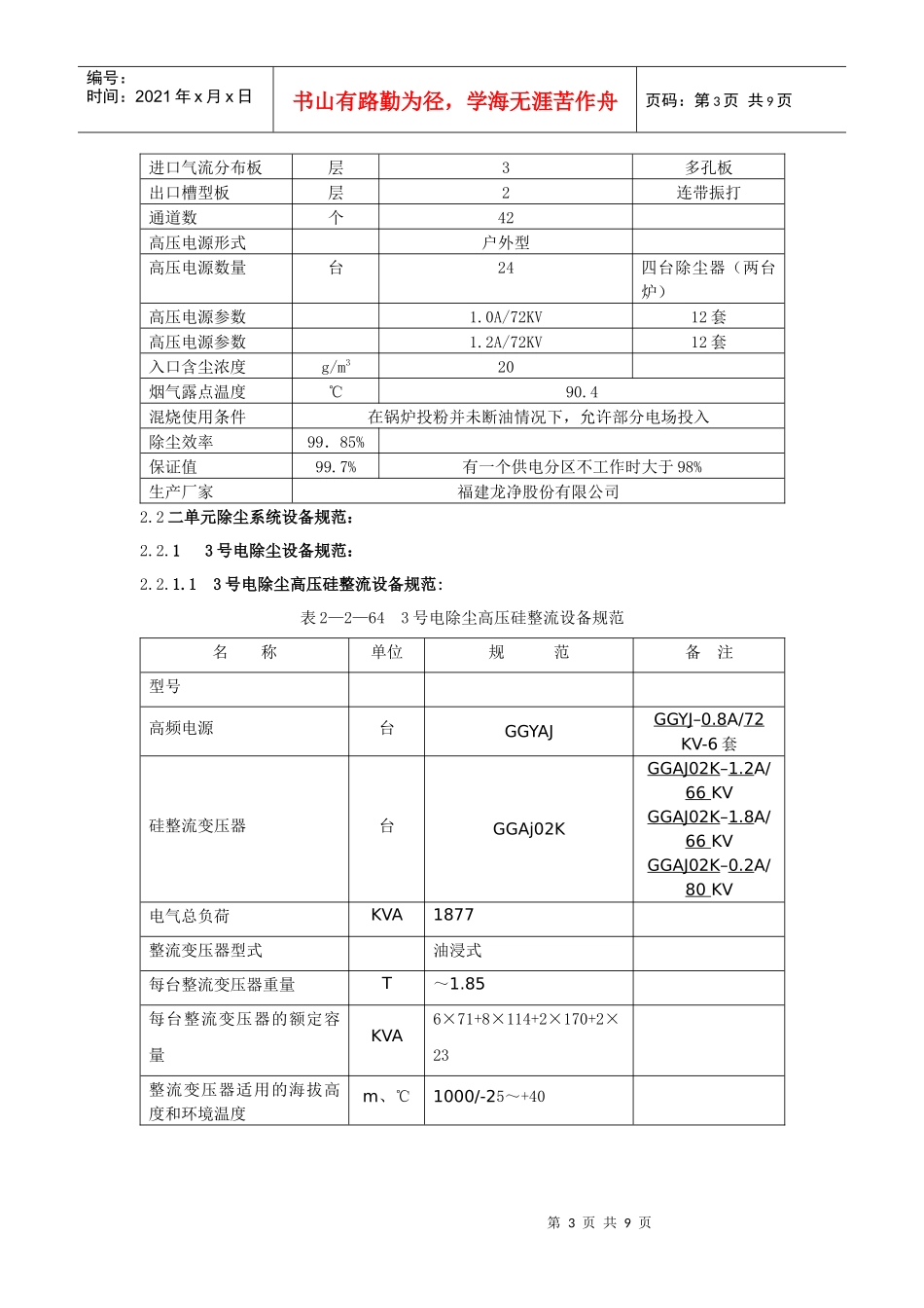
电除尘设备相关规范_第3页
3/9
第1页共9页编号:时间:2021年x月x日书山有路勤为径,学海无涯苦作舟页码:第1页共9页更多企业学院:《中小企业管理全能版》183套讲座+89700份资料《总经理、高层管理》49套讲座+16388份资料《中层管理学院》46套讲座+6020份资料《国学智慧、易经》46套讲座《人力资源学院》56套讲座+27123份资料《各阶段员工培训学院》77套讲座+324份资料《员工管理企业学院》67套讲座+8720份资料《工厂生产管理学院》52套讲座+13920份资料《财务管理学院》53套讲座+17945份资料《销售经理学院》56套讲座+14350份资料《销售人员培训学院》72套讲座+4879份资料2.电除尘设备规范第2页共9页第1页共9页编号:时间:2021年x月x日书山有路勤为径,学海无涯苦作舟页码:第2页共9页2.1一单元电除尘设备规范2.1.1高压硅整流设备规范表2——62高压硅整流设备规范名称单位规范备注型号台GGAJ02H—1.0A/72KV12(台)交流输入电压V380一次电压直流输出电压kV72二次电压交流输入电流A271一次电流直流输出电流A1.0二次电流交流输入功率KVA103直流输出功率kW72型号台GGAJ02H—1.2A/72KV12(台)交流输入电压V380一次电压直流输出电压KV72二次电压交流输入电流A325一次电流直流输出电流A1.2二次电流交流输入功率KVA124直流输出功率KW86.4供电方式分区每个分区单独供电2×12个生产厂家福建龙岩空气净化设备厂台数4(两台炉)2.1.2除尘器本体设备规范:表2—2—63除尘器本体设备规范名称单位规范备注型号台BE242/2-6/42/400/14.38/12×42(台)有效断面积m2242有效截面积m255081电场数个6处理烟气量台2×1.09×106m3/h处理烟气温度℃160℃最大负压Pa—4900单台电除尘室数个2本体漏风率%≤3电场风速m/s1.25阳极板型式460mm型板BE型同极距mm400阳极板振打方式顶部电磁振打阳极电磁振打数台2×186阴极线型式针刺型收尘极板高度mm14380阴极线振打方式顶部电磁振打阴极电磁振打数台2×144第3页共9页第2页共9页编号:时间:2021年x月x日书山有路勤为径,学海无涯苦作舟页码:第3页共9页进口气流分布板层3多孔板出口槽型板层2连带振打通道数个42高压电源形式户外型高压电源数量台24四台除尘器(两台炉)高压电源参数1.0A/72KV12套高压电源参数1.2A/72KV12套入口含尘浓度g/m320烟气露点温度℃90.4混烧使用条件在锅炉投粉并未断油情况下,允许部分电场投入除尘效率99.85%保证值99.7%有一个供电分区不工作时大于98%生产厂家福建龙净股份有限公司2.2二单元除尘系统设备规范:2.2.13号电除尘设备规范:2.2.1.13号电除尘高压硅整流设备规范:表2—2—643号电除尘高压硅整流设备规范名称单位规范备注型号高频电源台GGYAJGGYJ–0.8A/72KV-6套硅整流变压器台GGAj02KGGAJ02K–1.2A/66KVGGAJ02K–1.8A/66KVGGAJ02K–0.2A/80KV电气总负荷KVA1877整流变压器型式油浸式每台整流变压器重量T~1.85每台整流变压器的额定容量KVA6×71+8×114+2×170+2×23整流变压器适用的海拔高度和环境温度m、℃1000/-25~+40第4页共9页第3页共9页编号:时间:2021年x月x日书山有路勤为径,学海无涯苦作舟页码:第4页共9页每台除尘器所配整流变压器台数台6生产厂家福建龙岩空气净化设备厂2.2.1.23号电除尘除尘器本体设备规范:表2—2—653号电除尘除尘器本体设备规范名称单位规范备注处理烟气量(不包括漏风)台≥1.09×106m3/h处理烟气温度℃150±10℃最高160℃本体漏风率%≤2.5阳极板型式BE板阳极板有效高度M15阳极板总有效面积m260394阳极板材质SPCC阴极线型式针刺线阴极线总长度M120007比集尘面积m2/m3/sec99.73阴极线型式针刺线阴极线总长度M120007阴极线材质不锈钢阴、阳极振打方式顶部电磁锤振打绝缘子电加热器1.0kW/380V120件比集尘面积(停任一电场时)m2/m3/sec79.79灰斗高、低料位计射频导纳60只驱进速度cm/sec6.27驱进速度(停任一电场时)cm/sec7.84电气总负荷KVA1877室数/电场数1/5第5页共9页第4页共9页编号:时间:2021年x月x日书山有路勤为径,学海无涯苦作舟页码:第5页共9页单个电场长度M4.56电除尘器有效长度M22.8电场有效宽度M16.8同极间距Mm400通道数量42烟气流经电场时间S18.14烟气流速(B-MCR工况下)m/sec1.2通道数个42本体阻力Pa...

1、当您付费下载文档后,您只拥有了使用权限,并不意味着购买了版权,文档只能用于自身使用,不得用于其他商业用途(如 [转卖]进行直接盈利或[编辑后售卖]进行间接盈利)。
2、本站所有内容均由合作方或网友上传,本站不对文档的完整性、权威性及其观点立场正确性做任何保证或承诺!文档内容仅供研究参考,付费前请自行鉴别。
3、如文档内容存在违规,或者侵犯商业秘密、侵犯著作权等,请点击“违规举报”。

碎片内容

电除尘设备相关规范

确认删除?
VIP
微信客服
  • 扫码咨询
会员Q群
  • 会员专属群点击这里加入QQ群
客服邮箱
回到顶部