电脑桌面
添加小米粒文库到电脑桌面
安装后可以在桌面快捷访问

动力设备完好标准及评定办法VIP免费

动力设备完好标准及评定办法_第1页
1/10
动力设备完好标准及评定办法_第2页
2/10
动力设备完好标准及评定办法_第3页
3/10
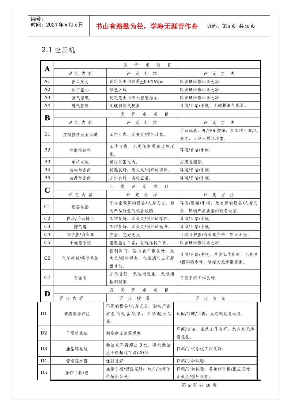
第1页共10页编号:时间:2021年x月x日书山有路勤为径,学海无涯苦作舟页码:第1页共10页动力设备完好标准及评定办法编码:版本号:拟制部门:工程部批准人:日期:审核人:日期:拟制人:日期:1.0范围本标准适应于青岛黎马敦包装有限公司主要动力设备。2.0设备完好状况评定的内容、标准和方法第2页共10页第1页共10页编号:时间:2021年x月x日书山有路勤为径,学海无涯苦作舟页码:第2页共10页2.1空压机A一类评定项目评定内容评定标准评定方法A1出口压力设定范围内误差+0.01Mpa以当班维修记录为准。A2油位指示绿色区域以当班维修记录为准。A3排气温度设定范围内或无报警指示。以当班维修记录为准。A4进气管路无破损漏气现象。耳闻/目睹/手模,无破损漏气现象。B二类评定项目评定内容评定标准评定方法B1控制按钮及显示屏工作可靠,无失灵/损坏现象。手动试验,开/停车按钮,应工作可靠/无失灵,目测无损坏现象。B2电器控制柜工作可靠,无炭化发黑和过热现象。耳闻/目睹/手模,B3电机电流额定范围之内。万用表测量。B4油冷却系统状况良好,无失灵/损坏的零件。耳闻/目睹/手模。B5油循环系统工作良好,实验正常。耳闻/目睹/手模。C三类评定项目评定内容评定标准评定方法C1设备缺陷不得出现影响设备/人身安全,影响产品质量的设备缺陷。耳闻/目睹/手模,无有影响设备/人身安全,影响产品质量的设备缺陷。C2自动/手动排污工作良好,无失灵/损坏的零件。耳闻/目睹/手模,C3储气罐工作良好,无失灵/损坏的地方。耳闻/目睹/手模,C4防护盖/消音罩齐全,完好无损。目测防护盖/消音罩齐全,完好无损。C5干燥箱系统温度指示正常,系统运转正常。以当班维修记录为准。C6气压控制/指示系统控制阀门,压力表工作良好,无失灵/损坏现象。气路滴气点不超出4处。耳闻/目睹/手模,系统工作良好,无失灵/损坏的零件。连接处无渗漏现象。C7安全阀工作良好,无破损现象,无超期检测现象。目测系统工作良好,D四类评定项目评定内容评定标准评定方法D1带病运转部位不影响设备/人身安全,影响产品质量的设备缺陷,不得超出2处。耳闻/目睹/手模,无轻微设备缺陷。D2干燥箱系统制冷剂无泄露现象耳闻/目睹,系统工作良好,结点处无渗漏现象。D3油循环系统漏油点不得超出3处。每处漏油点不得超过1滴/20秒目测/手试系统工作良好。D4管道疏水器性能良好目测/手动试验,D5操作手柄/把操作手柄/把应完好,缺少/损坏不得超出3处。目测/手动试验,各操作手柄/把应完好,无失灵/损坏现象。第3页共10页第2页共10页编号:时间:2021年x月x日书山有路勤为径,学海无涯苦作舟页码:第3页共10页D6捆/绑/吊/挂/贴现象设备应整洁,无杂物。捆/绑/吊/挂/贴现象不得超出1处。目测设备应整洁,无杂物。捆/绑/吊/挂/贴现象。D7进出风口工作良好,排/吸风口不得有损坏/堵塞现象。目测/手试,排/吸风口不得有损坏/堵塞现象。2.2生产用开利冷水机组A一类评定项目评定内容评定标准评定方法A1出水温度设定温度控制中以当班维修记录为准。A2压缩机油位(运行时)1/4~3/8目测A3循换水泵运转正常以当班维修记录为准。A4冷却风扇运转正常耳闻/目睹B二类评定项目评定内容评定标准评定方法B1电机额定电流不高于额定值万用表测量B2开/停车按钮工作可靠,无失灵/损坏现象。手动试验,开/停车按钮,应工作可靠/无失灵,目测无损坏现象。B3制冷剂视镜运转时应为满液目测B4冷冻水循环系统工作良好,无失灵/损坏的零部件。耳闻/目睹/手模,系统工作良好,无失灵/损坏的零件。结点处无渗漏现象。C三类评定项目评定内容评定标准评定方法C1设备缺陷不得出现影响设备/人身安全,影响产品质量的设备缺陷。耳闻/目睹/手模,无有影响设备/人身安全,影响产品质量的设备缺陷。C2安全防护盖/罩齐全,完好无损。目测防护盖/罩齐全,完好无损。C3水压控制/指示系统控制阀门,压力表工作良好,无失灵/损坏现象。水路漏水点不超出2处。耳闻/目睹/手模,系统工作良好,无失灵/损坏的零件。C4水箱水位水位正常目测。D四类评定项目评定内容评定标准评定方法D1带病运转部位不影响设备/人身安全,影响产品质量的设备缺陷,不得超出2处。耳闻/目睹/手模,无轻微设备缺...

1、当您付费下载文档后,您只拥有了使用权限,并不意味着购买了版权,文档只能用于自身使用,不得用于其他商业用途(如 [转卖]进行直接盈利或[编辑后售卖]进行间接盈利)。
2、本站所有内容均由合作方或网友上传,本站不对文档的完整性、权威性及其观点立场正确性做任何保证或承诺!文档内容仅供研究参考,付费前请自行鉴别。
3、如文档内容存在违规,或者侵犯商业秘密、侵犯著作权等,请点击“违规举报”。

碎片内容

动力设备完好标准及评定办法

确认删除?
VIP
微信客服
  • 扫码咨询
会员Q群
  • 会员专属群点击这里加入QQ群
客服邮箱
回到顶部