电脑桌面
添加小米粒文库到电脑桌面
安装后可以在桌面快捷访问

特种劳动防护用品生产许可证实施细则(DOCX 134页)VIP免费

特种劳动防护用品生产许可证实施细则(DOCX 134页)_第1页
1/137
特种劳动防护用品生产许可证实施细则(DOCX 134页)_第2页
2/137
特种劳动防护用品生产许可证实施细则(DOCX 134页)_第3页
3/137
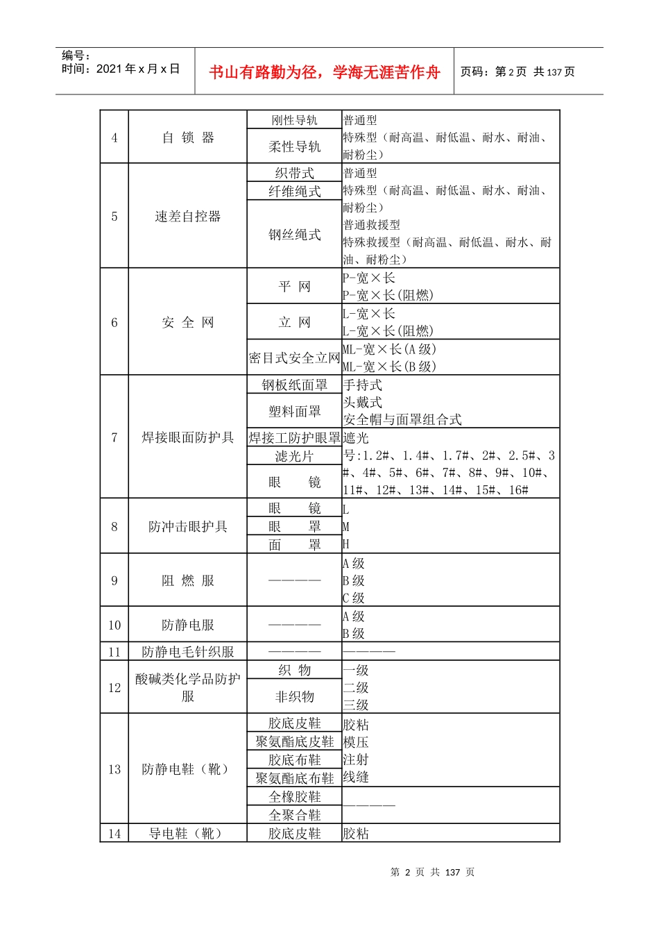
第1页共137页编号:时间:2021年x月x日书山有路勤为径,学海无涯苦作舟页码:第1页共137页特种劳动防护用品生产许可证实施细则编号:(X)XK02-001特种劳动防护用品生产许可证实施细则2011年1月19日公布2011年1月19日实施国家质量监督检验检疫总局特种劳动防护用品生产许可证实施细则1总则1.1为了做好特种劳动防护用品生产许可证发证工作,依据《中华人民共和国工业产品生产许可证管理条例》(国务院令第440号)、《中华人民共和国工业产品生产许可证管理条例实施办法》(国家质检总局令第80号)、《国家质量监督检验检疫总局关于修改〈中华人民共和国工业产品生产许可证管理条例实施办法〉的决定》(国家质检总局令第130号)、《关于电线电缆等12类产品生产许可由省级质量技术监督部门负责审批发证的公告》(国家质检总局2009年第16号公告)、《关于摩托车头盔等11类产品生产许可由省级质量技术监督部门负责审批发证的公告》(国家质检总局2010年第89号公告)、《关于印发<工业产品生产许可省级发证工作规范>的通知》(国质检监[2006]413号)等规定,制定本实施细则。1.2本实施细则规定的特种劳动防护用品划分为32个产品单元、90种产品品种、196个规格型号(见表1)。表1特种劳动防护用品产品单元、产品品种及规格型号序号产品单元产品品种规格型号1安全帽塑料普通型特殊型(防静电、电绝缘、侧向刚性、阻燃、耐低温)玻璃钢橡胶金属植物编织2安全带围杆作业(生产型、组装型)一般型特殊型(阻燃、抗腐蚀、适合特殊环境)坠落悬挂(生产型、组装型)区域限制(生产型、组装型)3座板式单人吊具————————第2页共137页第1页共137页编号:时间:2021年x月x日书山有路勤为径,学海无涯苦作舟页码:第2页共137页4自锁器刚性导轨普通型特殊型(耐高温、耐低温、耐水、耐油、耐粉尘)柔性导轨5速差自控器织带式普通型特殊型(耐高温、耐低温、耐水、耐油、耐粉尘)普通救援型特殊救援型(耐高温、耐低温、耐水、耐油、耐粉尘)纤维绳式钢丝绳式6安全网平网P-宽×长P-宽×长(阻燃)立网L-宽×长L-宽×长(阻燃)密目式安全立网ML-宽×长(A级)ML-宽×长(B级)7焊接眼面防护具钢板纸面罩手持式头戴式安全帽与面罩组合式塑料面罩焊接工防护眼罩遮光号:1.2#、1.4#、1.7#、2#、2.5#、3#、4#、5#、6#、7#、8#、9#、10#、11#、12#、13#、14#、15#、16#滤光片眼镜8防冲击眼护具眼镜LMH眼罩面罩9阻燃服————A级B级C级10防静电服————A级B级11防静电毛针织服————————12酸碱类化学品防护服织物一级二级三级非织物13防静电鞋(靴)胶底皮鞋胶粘模压注射线缝聚氨酯底皮鞋胶底布鞋聚氨酯底布鞋全橡胶鞋————全聚合鞋14导电鞋(靴)胶底皮鞋胶粘第3页共137页第2页共137页编号:时间:2021年x月x日书山有路勤为径,学海无涯苦作舟页码:第3页共137页模压注射线缝聚氨酯底皮鞋胶底布鞋聚氨酯底布鞋全橡胶鞋————全聚合鞋15保护足趾安全鞋(靴)胶底皮鞋安全型胶粘、安全型模压、安全型注射、安全型线缝、防护型胶粘、防护型模压、防护型注射、防护型线缝聚氨酯底皮鞋全橡胶鞋安全型防护型全聚合鞋16防刺穿鞋(靴)胶底皮鞋胶粘模压注射线缝聚氨酯底皮鞋全橡胶鞋————全聚合鞋17电绝缘鞋(靴)胶底皮鞋6kV胶粘、6kV模压、6kV注射聚氨酯底皮鞋胶底布鞋5kV胶粘、5kV模压、5kV注射15kV胶粘、15kV模压、15kV注射聚氨酯底布鞋全橡胶鞋6kV、10kV、15kV、20kV、30kV全聚合鞋18耐化学品的工业用橡胶靴————————19耐化学品的工业用模压塑料靴————————20耐油防护鞋(靴)胶底皮鞋胶粘模压注射线缝聚氨酯底皮鞋全橡胶鞋————全聚合鞋21防寒鞋(靴)胶底皮鞋胶粘模压注射线缝聚氨酯底皮鞋22耐热鞋(靴)胶底皮鞋胶粘模压注射线缝聚氨酯底皮鞋第4页共137页第3页共137页编号:时间:2021年x月x日书山有路勤为径,学海无涯苦作舟页码:第4页共137页23矿工安全靴全橡胶靴模压注射全聚合靴24多功能安全/防护鞋(靴)胶底皮鞋安全型胶粘(X)、安全型模压(X)、安全型注射(X)、安全型线缝(X)、防护型胶粘(X)、防护型模压(X)、防护型注射(X)、防护型线缝(X)(X代表多功能型,可...

1、当您付费下载文档后,您只拥有了使用权限,并不意味着购买了版权,文档只能用于自身使用,不得用于其他商业用途(如 [转卖]进行直接盈利或[编辑后售卖]进行间接盈利)。
2、本站所有内容均由合作方或网友上传,本站不对文档的完整性、权威性及其观点立场正确性做任何保证或承诺!文档内容仅供研究参考,付费前请自行鉴别。
3、如文档内容存在违规,或者侵犯商业秘密、侵犯著作权等,请点击“违规举报”。

碎片内容

特种劳动防护用品生产许可证实施细则(DOCX 134页)

确认删除?
VIP
微信客服
  • 扫码咨询
会员Q群
  • 会员专属群点击这里加入QQ群
客服邮箱
回到顶部