电脑桌面
添加小米粒文库到电脑桌面
安装后可以在桌面快捷访问

防雷及接地安装工艺标准VIP免费

防雷及接地安装工艺标准_第1页
1/12
防雷及接地安装工艺标准_第2页
2/12
防雷及接地安装工艺标准_第3页
3/12
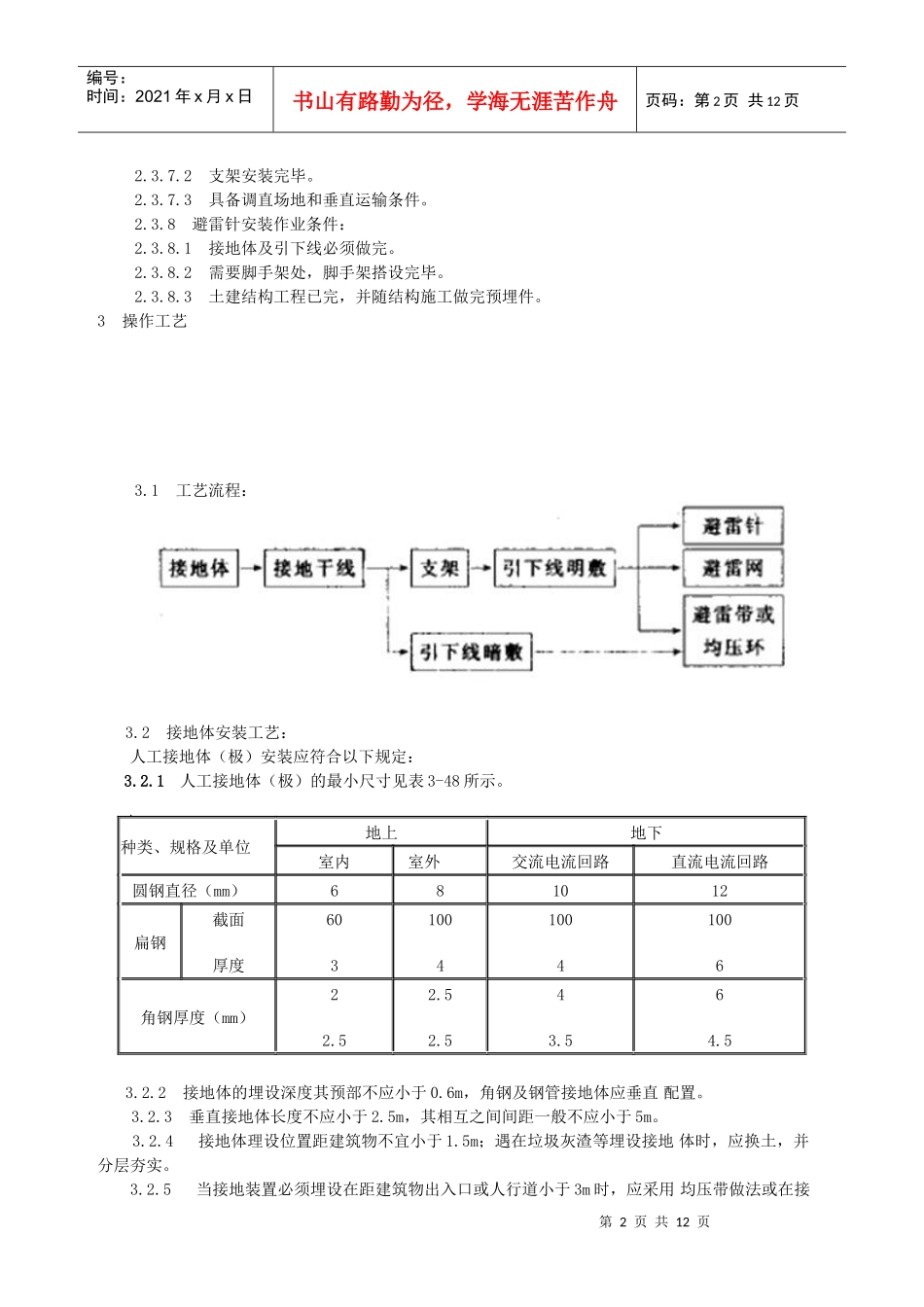
第1页共12页编号:时间:2021年x月x日书山有路勤为径,学海无涯苦作舟页码:第1页共12页防雷及接地安装工艺标准(322-1998)1范围本工艺标准适用于建筑物防雷接地、保护接地、工作接地、重复接地及屏蔽接地装置安装工程。2施工准备2.1材料要求:2.1.1镀锌钢材有扁钢、角钢、圆钢、钢管等,使用时应意采用冷镀锌还是采用热镀锌材料,应符合设计规定。产品应有材质检验证明及产品出厂合格证。2.1.2镀锌辅料有铅丝(即镀锌铁丝)、螺栓、垫圈、弹簧垫圈、U型螺栓、元宝螺栓、支架等。2.1.3电焊条、氧气、乙炔、沥青漆,混凝土支架,预埋铁件,小线,水泥,砂子,塑料管,红油漆、白油漆、防腐漆、银粉,黑色油漆等。2.2主要机具:2.2.1常用电工工具、手锤、钢钢锯、锯条、压力案子、铁锹、铁镐、大锤、夯桶。2.2.2线坠、卷尺、大绳、粉线袋、绞磨(或倒链)、紧线器、电锤、冲击钻、电焊机、电焊工具等。2.3作业条件:2.3.1接地体作业条件:2.3.1.1按设计位置清理好场地。2.3.1.2底板筋与柱筋连接处已绑扎完。2.3.1.3桩基内钢筋与柱筋连接处已绑扎完。2.3.2接地干线作业条件:2.3.2.1支架安装完毕。2.3.2.2保护管已预埋。2.3.2.3土建抹灰完毕。2.3.3支架安装作业条件:2.3.3.1各种支架已运到现场。2.3.3.2结构工程已经完成。2.3.3.3室外必须有脚手架或爬梯。2.3.4防雷引下线暗敷设作业条件:2.3.4.1建筑物(或构筑物)有脚手架或爬梯,达到能上人操作的条件。2.3.4.2利用主筋作引下线时,钢筋绑扎完毕。2.3.5防雷引下线明敷设作业条件:2.3.5.1支架安装完毕。2.3.5.2建筑物(或构筑物)有脚手架或爬梯达到能上人操作的条件。2.3.5.3土建外装修完毕。2.3.6避雷带与均压环安装作业条件:土建圈梁钢筋正在绑扎时,配合作此项工作。2.3.7避雷网安装作业条件:2.3.7.1接地体与引下线必须做完。第2页共12页第1页共12页编号:时间:2021年x月x日书山有路勤为径,学海无涯苦作舟页码:第2页共12页2.3.7.2支架安装完毕。2.3.7.3具备调直场地和垂直运输条件。2.3.8避雷针安装作业条件:2.3.8.1接地体及引下线必须做完。2.3.8.2需要脚手架处,脚手架搭设完毕。2.3.8.3土建结构工程已完,并随结构施工做完预埋件。3操作工艺3.1工艺流程:3.2接地体安装工艺:人工接地体(极)安装应符合以下规定:3.2.1人工接地体(极)的最小尺寸见表3-48所示。种类、规格及单位地上地下室内室外交流电流回路直流电流回路圆钢直径(mm)681012扁钢截面厚度603100410041006角钢厚度(mm)22.52.52.543.564.53.2.2接地体的埋设深度其预部不应小于0.6m,角钢及钢管接地体应垂直配置。3.2.3垂直接地体长度不应小于2.5m,其相互之间间距一般不应小于5m。3.2.4接地体理设位置距建筑物不宜小于1.5m;遇在垃圾灰渣等埋设接地体时,应换土,并分层夯实。3.2.5当接地装置必须埋设在距建筑物出入口或人行道小于3m时,应采用均压带做法或在接第3页共12页第2页共12页编号:时间:2021年x月x日书山有路勤为径,学海无涯苦作舟页码:第3页共12页地装置上面敷设50~90mm厚度沥青层,其宽度应超过接地装置2m。3.2.6接地体(线)的连接应采用焊接,焊接处焊缝应饱满并有足够的机械强度,不得有夹渣、咬肉、裂纹、虚焊、气孔等缺陷,焊接处的药皮敲净后,刷沥青做防腐处理。3.2.7采用搭接焊时,其焊接长度如下:3.2.7.1镀锌扁钢不小于其宽度的2倍,三面施焊。(当扁钢宽度不同时,搭接长度以宽的为准)。敷设前扁钢需调直,煨弯不得过死,直线段上不应有明显弯曲,并应立放。3.2.7.2镀锌圆钢焊接长度为其直径的6倍并应双面施焊(当直径不同时,搭接长度以直径大的为准)。3.2.7.3镀锌圆钢与镀锌扁钢连接时,其长度为圆钢直径的6倍。3.2.7.4镀锌扁钢与镀锌钢管(或角钢)焊接时,为了连接可靠,除应在其接触部位两侧进行焊接外,还应直接将扁钢本弯成弧形(或直角形)与钢管(或角钢)焊接。3.2.8当接地线遇有白灰焦渣层而无法避开时,应用水泥砂浆全面保护。3.2.9采用化学方法降低土壤电阻率时,所用材料应符合下列要求:3.2.9.1对金属腐蚀性弱;3.2.9.2水溶性成分含量低。3.2.10所有金属部件应镀锌。操作时,注意保护镀锌法。3.3人工...

1、当您付费下载文档后,您只拥有了使用权限,并不意味着购买了版权,文档只能用于自身使用,不得用于其他商业用途(如 [转卖]进行直接盈利或[编辑后售卖]进行间接盈利)。
2、本站所有内容均由合作方或网友上传,本站不对文档的完整性、权威性及其观点立场正确性做任何保证或承诺!文档内容仅供研究参考,付费前请自行鉴别。
3、如文档内容存在违规,或者侵犯商业秘密、侵犯著作权等,请点击“违规举报”。

碎片内容

防雷及接地安装工艺标准

确认删除?
VIP
微信客服
  • 扫码咨询
会员Q群
  • 会员专属群点击这里加入QQ群
客服邮箱
回到顶部