电脑桌面
添加小米粒文库到电脑桌面
安装后可以在桌面快捷访问

石油天然气开采企业安全生产许可证VIP免费

石油天然气开采企业安全生产许可证_第1页
1/21
石油天然气开采企业安全生产许可证_第2页
2/21
石油天然气开采企业安全生产许可证_第3页
3/21
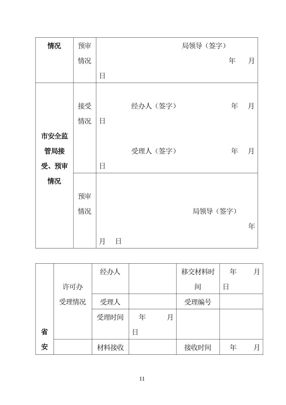
石油天然气开采企业安全生产许可证(延续)申请材料目录1、安全生产许可事项办理流程单2、安全生产许可证延期申请书3、审查书4、安全生产许可证原件5、工商营业执照副本复印件6、主要负责人和安全生产管理人员安全生产知识和管理能力考核的证明材料7、特种作业人员操作资格证书复印件8、为从业人员缴纳工伤保险费的证明材料9、企业安全生产事故应急救援预案审查备案表10、缴纳并存储安全生产风险抵押金的证明材料9附件1:陕西省安全生产监督管理局安全生产行政许可事项办理流程单申请企业基本情况法人法定代表人(负责人)企业类别□中、省属企业□市属企业□县属企业企业地址申请项目□非煤矿矿山□危险化学品(生产/经营)□烟花爆竹(生产/经营)□安全生产培训机构□安全评价机构□矿山救护队□职业健康□新办证□延期换证□延续□变更□其它县(市、区)安全监管局接受、预审接受情况经办人(签字)年月日受理人(签字)年月日10情况预审情况局领导(签字)年月日市安全监管局接受、预审情况接受情况经办人(签字)年月日受理人(签字)年月日预审情况局领导(签字)年月日省安许可办受理情况经办人移交材料时间年月日受理人受理编号受理时间年月日材料接收接收时间年月11全监管局许可办理情况业务处审查、审核情况人日审查意见审查人(签字)年月日审核意见处长(签字)年月日局长办公会审定情况局领导(签字)年月日许可复核情况反馈材料接收人接收时间年月日复核意见主任(签字)年月日领导意局领导(签字)12见年月日说明1、此流程单随企业申报材料同步运行并逐级上报,省局归档保存。2、如实准确填写相关内容和受理、预审、审查、审核时间。3、此流程单由安监部门向企业提供。附件2:申请编号:受理编号:申请日期:受理日期:非煤矿矿山企业安全生产许可证延期申请书申请单位取证单位13联系人联系电话填写日期陕西安全生产监督管理局制样14填写说明一、本申请书适用于非煤矿矿山企业申请安全生产许可证延期,由申请单位用钢笔、签字笔填写或用计算机打印,要求字迹清楚、工整。二、申请书封面的“申请编号”、“申请日期”、“受理编号”、“受理日期”由发证机关填写,其余各项由申请单位填写。其中,“联系人”是指申请单位指定办理申请事宜人员。三、申请书表格中申请单位栏“名称”,应当填写工商登记名称;“地址”应当填写工商登记地址;“经济类型”,应当按照《关于划分企业登记注册类型的规定》填写。四、申请书表格中取证单位栏加粗框内内容所有取证单位均需填写,取证单位栏“名称”,应当填写全称;“地址”应当填写所在地详细地址;“单位类型”应当按照取证单位业务分别填写金属非金属矿山企业、尾矿库、地质勘探单位、采掘施工企业、石油天然气企业。取证单位栏加粗框外内容按照取证单位类型分别填写。五、申请书表格中“申请许可范围”栏,应当按照取证单位类型分别填写:1.金属非金属矿山企业填写:××(开采矿种,名称应与《采矿许可证》一致)露天开采、××(开采矿种,名称应与《采矿许可证》一致)地下开采;2.尾矿库填写:尾矿库运行;3.地质勘探单位填写:金属非金属矿产资源地质勘探;4.采掘施工企业填写:金属非金属矿山采掘施工作业;5.石油天然气企业填写:陆上采油(气)、海上采油(气)、钻井、物探、测井、录井、井下作业、油建、管道储运、海油工程。六、申请书表格中“取证单位意见”和“申请单位意见”栏内,必须由主要负责人和法定代表人用钢笔或签字笔签字。15申请单位名称地址邮政编码从业人数专职安全管理人员数量工商注册号登记日期登记机关经济类型法定代表人办公室电话移动电话安全负责人办公室电话移动电话取证单位名称地址邮政编码单位类型主要负责人办公室电话移动电话安全负责人办公室电话移动电话从业人数专职安全管理人员数量以下由金属非金属矿山企业填写采矿许可证发证机关证号有效期年月日—年月日开采矿种开采方式设计服务年限设计生产能力实际生产能力独立生产系统安全现状评价/安全标准化评价/评定单位评价/评定时间评价结论/评定等级原安全生产许可证发证机关证号有效期年月日—年月日以下由地质勘探单位填写...

1、当您付费下载文档后,您只拥有了使用权限,并不意味着购买了版权,文档只能用于自身使用,不得用于其他商业用途(如 [转卖]进行直接盈利或[编辑后售卖]进行间接盈利)。
2、本站所有内容均由合作方或网友上传,本站不对文档的完整性、权威性及其观点立场正确性做任何保证或承诺!文档内容仅供研究参考,付费前请自行鉴别。
3、如文档内容存在违规,或者侵犯商业秘密、侵犯著作权等,请点击“违规举报”。

碎片内容

石油天然气开采企业安全生产许可证

确认删除?
VIP
微信客服
  • 扫码咨询
会员Q群
  • 会员专属群点击这里加入QQ群
客服邮箱
回到顶部