电脑桌面
添加小米粒文库到电脑桌面
安装后可以在桌面快捷访问

小型露天采石场安全生产标准化评审得分明细表VIP免费

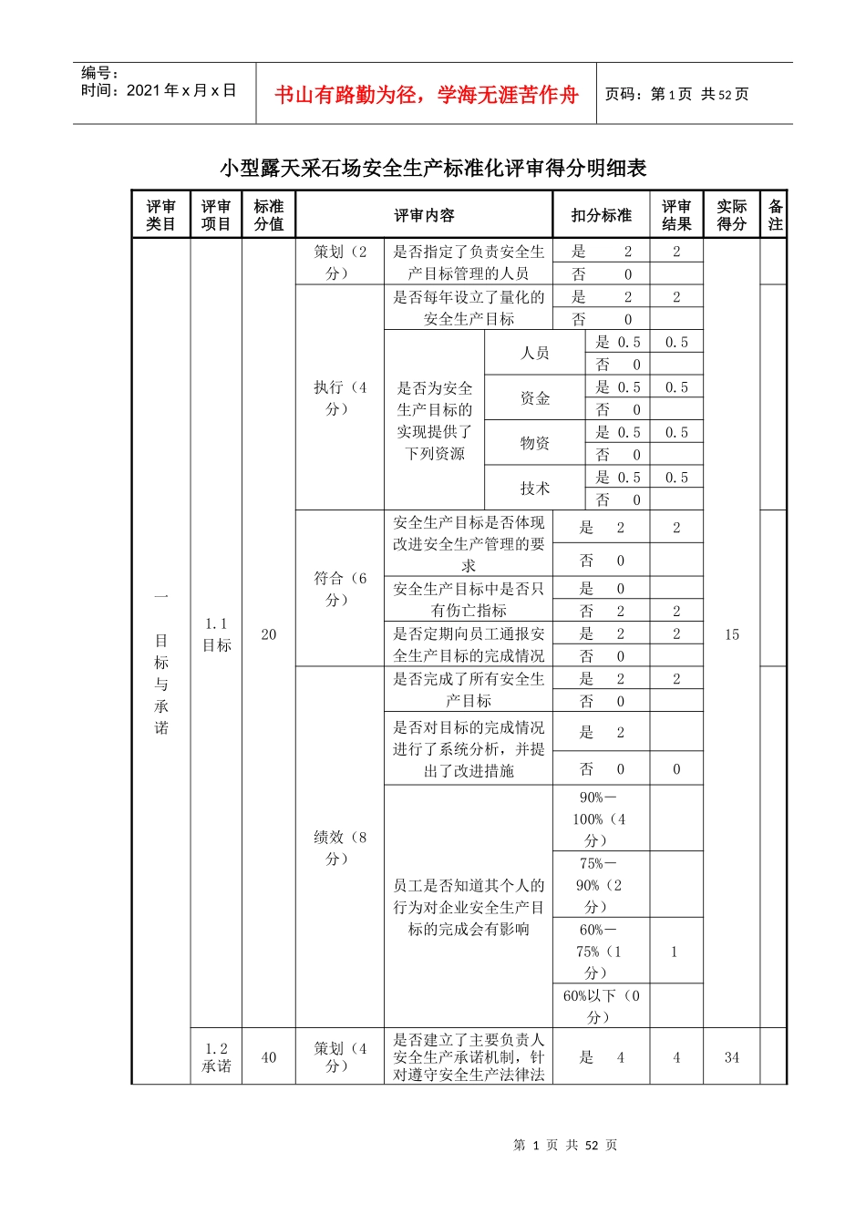
小型露天采石场安全生产标准化评审得分明细表_第1页
1/52
小型露天采石场安全生产标准化评审得分明细表_第2页
2/52
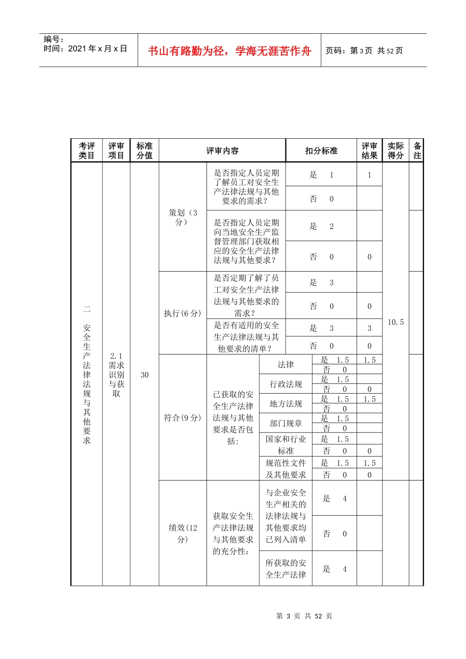
小型露天采石场安全生产标准化评审得分明细表_第3页
3/52
第1页共52页编号:时间:2021年x月x日书山有路勤为径,学海无涯苦作舟页码:第1页共52页小型露天采石场安全生产标准化评审得分明细表评审类目评审项目标准分值评审内容扣分标准评审结果实际得分备注一目标与承诺1.1目标20策划(2分)是否指定了负责安全生产目标管理的人员是2215否0执行(4分)是否每年设立了量化的安全生产目标是22否0是否为安全生产目标的实现提供了下列资源人员是0.50.5否0资金是0.50.5否0物资是0.50.5否0技术是0.50.5否0符合(6分)安全生产目标是否体现改进安全生产管理的要求是22否0安全生产目标中是否只有伤亡指标是0否22是否定期向员工通报安全生产目标的完成情况是22否0绩效(8分)是否完成了所有安全生产目标是22否0是否对目标的完成情况进行了系统分析,并提出了改进措施是2否00员工是否知道其个人的行为对企业安全生产目标的完成会有影响90%-100%(4分)75%-90%(2分)60%-75%(1分)160%以下(0分)1.2承诺40策划(4分)是否建立了主要负责人安全生产承诺机制,针对遵守安全生产法律法是4434第2页共52页第1页共52页编号:时间:2021年x月x日书山有路勤为径,学海无涯苦作舟页码:第2页共52页规和改进安全绩效向全体员工做出承诺?否0执行(8分)是否有主要负责人针对遵守安全生产法律法规和改进安全绩效做出的书面承诺?是4否00是否建立了确保员工了解并监督主要负责人履行承诺的渠道和平台?是44否0符合(12分)主要负责人的承诺是否体现遵守法律法规的要求是22否0提供足够的安全生产所需的人员、资金、物资、技术等资源是22否0按规定开展持续风险评价是22否02持续改进安全生产绩效是2否0员工是否了解主要负责人的承诺?是4部分22否0绩效(16分)主要负责人履行承诺的有效性无违章指挥或强令冒险作业现象是22否0保证安全生产投入有效实施是22否0组织开展员工的安全生产教育培训是22否0组织开展安全生产检查与隐患排查,及时整改事故隐患是22否0听取员工的安全生产意见和建议,并做出积极响应是22否0及时组织研究和解决安全生产问题是22否0保障员工劳动防护用品的配备符合法定要求是22否0按规定做好员工的健康监护工作是22否0小计得分小计49第3页共52页第2页共52页编号:时间:2021年x月x日书山有路勤为径,学海无涯苦作舟页码:第3页共52页考评类目评审项目标准分值评审内容扣分标准评审结果实际得分备注二安全生产法律法规与其他要求2.1需求识别与获取30策划(3分)是否指定人员定期了解员工对安全生产法律法规与其他要求的需求?是1110.5否0是否指定人员定期向当地安全生产监督管理部门获取相应的安全生产法律法规与其他要求?是2否00执行(6分)是否定期了解了员工对安全生产法律法规与其他要求的需求?是3否00是否有适用的安全生产法律法规与其他要求的清单?是33否00符合(9分)已获取的安全生产法律法规与其他要求是否包括:法律是1.51.5否0行政法规是1.5否00地方法规是1.51.5否0部门规章是1.5否0国家和行业标准是1.5否00规范性文件及其他要求是1.51.5否00绩效(12分)获取安全生产法律法规与其他要求的充分性:与企业安全生产相关的法律法规与其他要求均已列入清单是4否0所获取的安全生产法律是4第4页共52页第3页共52页编号:时间:2021年x月x日书山有路勤为径,学海无涯苦作舟页码:第4页共52页法规与其他要求均为现行有效的版本否00在员工有需求时,能及时提供相应的安全生产法律法规与其他要求文本是44否02.2融入40策划(4分)是否指定人员负责安全生产法律法规与其他要求的融入工作?是415否00执行(8分)是否已将获取的安全生产法律法规与其他要求融入标准化系统?是5否00是否根据员工的需求为其提供了相关安全生产法律法规与其他要求的培训?是33否0符合(12分)获取的安全生产法律法规与其他要求融入标准化系统的比例:90%-100%(6分)75%-90%(3分)60%-75%(1分)160%以下(0分)相关员工接受安全生产法律法规与其他要求培训的比例:90%-100%(6分)75%-90%(3分)360%-75%(1分)60%以下(0分)绩效(16分)安全生产法律法规与其他要求融入的有效性:将其规定融入安全生产责任制与规章制度是44否0将其规定融入作业指导是44第5页共52页第...

1、当您付费下载文档后,您只拥有了使用权限,并不意味着购买了版权,文档只能用于自身使用,不得用于其他商业用途(如 [转卖]进行直接盈利或[编辑后售卖]进行间接盈利)。
2、本站所有内容均由合作方或网友上传,本站不对文档的完整性、权威性及其观点立场正确性做任何保证或承诺!文档内容仅供研究参考,付费前请自行鉴别。
3、如文档内容存在违规,或者侵犯商业秘密、侵犯著作权等,请点击“违规举报”。

碎片内容

小型露天采石场安全生产标准化评审得分明细表

确认删除?
VIP
微信客服
  • 扫码咨询
会员Q群
  • 会员专属群点击这里加入QQ群
客服邮箱
回到顶部