XX 爆 破 有 限 公 司设 计 方 案工 程 名 称∶XX 工贸有限公司石料厂爆破工程 设 计 者∶安 全 负 责 人∶总 工 程...
生产安全事故管理制度一、仔细贯彻《劳动法》、《安全生产法》,严格执行国家有关政策。二、根据企业的实际,建立劳动、安全保障体系,保证...
露天开采考试复习试题名词解释工作帮:就是指由正在进行与将要进行开采得台阶所组成得边帮.非工作帮:就是指由非工作台阶组成得采场边帮顶...
安全管理制度汇编 编制人: 审 核: 审 批: 20 1 6 年 10 月 1 日发布 20 1 6 年 10 月 1 日实施XX有限责任公司 ...
露天采石场安全生产管理制度为仔细贯彻国家“安全第一,预防为主”的安全生产方针,预防和控制生产事故的发生,特制订如下安全生产管理制度...
安全管理制度汇编 编制人: 审 核: 审 批: 2016 年 10 月 1 日发布 2016 年 10 月 1 日实施XX 有限责任公司 目 录批准...
《金属矿床露天开采课程设计》课程设计题 目 大木冲 水泥 石灰岩矿 露天开采设计 学院名称 核资源与核燃料工程学院 指导老师 杨仕...
目录安全管理制度一、安全生产检查制度二、职业危害预防管理制度三、安全生产教育培训制度四、生产安全事故管理制度五、重大危险源监控及重...
锋 电 能 源 技 术 有 限 公 司 文件编号:NMFD-(MD-N)-SGZD(DC G L GF)-S-D-2 01 1-0001露天堆场管理规定编 制: 石...
中华人民共与国国家标准煤矿科技术语露天开采1 主题内容与适用范围本标 准 规 定了基本术语、采场要素、开拓开采、生产工艺、技术经济...
技 术 交 底 记 录编号: 工程名称满洲里市科技馆、露天展厅工程施工部位模板工程施工图号G-01-16施工班组木工组日期2025.4.07交底内...
筠连县筠连镇白马采石场安全生产标准化自评报告(三 级)二 O 一二年十一月目录前言 11.企业基本情况 21.1 概述 21.2 生产工艺流程...
小型露天非金属矿产资源开发利用方案编写内容及审查大纲本文档由【中文 word 文档库 】www.wordwendang.com 提供,转载分发敬请保留本...
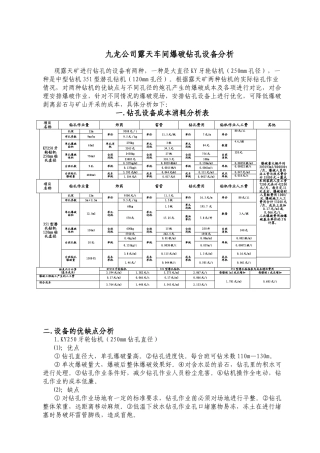
九龙公司露天车间爆破钻孔设备分析现露天矿进行钻孔的设备有两种,一种是大直径 KY 牙轮钻机(250mm 孔径),一种是中型钻机 351 型潜...
风险分级管控及隐患排查治理体系建设方案K)#rT* rjw .卜 rTw .. eT^ elw ejw rT^ rTw rjw rTw rT> rjw•ejw ejw rTw rTw二...
露天采石场风险分级管控和隐患排查治理体系建设方案风 险 分 级 管 控 及 隐 患 排 查治 理 体 系 建 设 方 案**********...
露天采矿石场事故预防及处理一、事故预防1、建立健全企业主要负责人、安全生产管理人员及各种岗位人员、职能机构职责制,制定作业人员安全...
XXXXXXXXXXXXXX 安全管理手册 2025-03-08 批 准 2025-03-10 实 施 XXXXXX目 录总 则.............................................
职业病危害防治责任制度1、仔细贯彻国家有关职业病防治的法律法规、政策和标准,落实各级职业病防治责任制,确保劳动者在劳动过程中的健康...
露天采煤安全技术进展与展望1958 年后,国家大力进展露天采煤,并着手开始平朔、元宝山、霍林河等大型露天煤矿的筹建工作。为适应露天采煤...

