电脑桌面
添加小米粒文库到电脑桌面
安装后可以在桌面快捷访问

大偏压柱实验报告VIP免费

大偏压柱实验报告_第1页
1/19
大偏压柱实验报告_第2页
2/19
大偏压柱实验报告_第3页
3/19
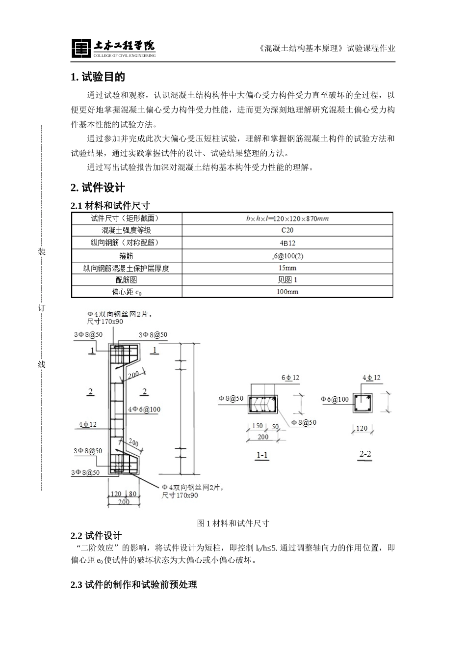
COLLEGEOFCIVILENGINEERING《混凝土结构基本原理》试验课程作业《混凝土结构基本原理》试验课程作业COLLEGEOFCIVILENGINEERING混凝土构件试验报告试验名称柱大偏压破坏试验试验日期2015-12-3试件编号ZB2姓名王鸣宇学号1350740手机号15221537783试验课教师赵勇基本原理课教师谢强┊┊┊┊┊┊┊┊┊┊┊┊┊装┊┊┊┊┊订┊┊┊┊┊线┊┊┊┊┊┊┊┊┊┊┊┊┊COLLEGEOFCIVILENGINEERING《混凝土结构基本原理》试验课程作业1.试验目的通过试验和观察,认识混凝土结构构件中大偏心受力构件受力直至破坏的全过程,以便更好地掌握混凝土偏心受力构件受力性能,进而更为深刻地理解研究混凝土偏心受力构件基本性能的试验方法。通过参加并完成此次大偏心受压短柱试验,理解和掌握钢筋混凝土构件的试验方法和试验结果,通过实践掌握试件的设计、试验结果整理的方法。通过写出试验报告加深对混凝土结构基本构件受力性能的理解。2.试件设计2.1材料和试件尺寸图1材料和试件尺寸2.2试件设计“二阶效应”的影响,将试件设计为短柱,即控制l0/h≤5.通过调整轴向力的作用位置,即偏心距e0使试件的破坏状态为大偏心或小偏心破坏。2.3试件的制作和试验前预处理┊┊┊┊┊┊┊┊┊┊┊┊┊装┊┊┊┊┊订┊┊┊┊┊线┊┊┊┊┊┊┊┊┊┊┊┊┊COLLEGEOFCIVILENGINEERING《混凝土结构基本原理》试验课程作业按照计算的设计进行配筋,制作模板,绑扎钢筋,浇灌混凝土,在20度左右的温度和相对湿度90%以上的潮湿空气中养护28d。3.材性试验3.1混凝土材性试验混凝土抗压强度试验国家标准《混凝土结构设计规范》(GB50010-2002)规定:混凝土强度等级应按立方体抗压强度标准确定;立方体抗压强度标准值系指标准方法制作养护的边长为150mm的立方体试件,在28d龄期用标准试验方法测得的具有95%保证率的抗压强度。因此立方体抗压强度标准值是《混凝土结构设计规范》中混凝土各种力学指标的基本代表值,根据混凝土强度等级,可以查阅《混凝土结构设计规范》的有关表格,以确定混凝土的轴心抗压、轴心抗拉强度标准值和设计值以及混凝土的弹性模量等。国家标准《普通混凝土力学性能试验方法》(GB/T50081-2002)规定:以边长为150mm的立方体为标准试件,将标准立方体试件在203℃的温度和相对湿度90%以上的潮湿空气中养护28d,按照标准试验方法测得的抗压强度作为混凝土的立方体抗压强度,单位为N/mm2(MPa)。混凝土立方体抗压强度试验步骤应按下列方法进行:(1)试件从养护地点取出后应及时进行试验,将试件表面与上下承压板面擦干净;(2)将试件安放在试验机的下压板或垫板上,试件的承压面应与成型时的顶面垂直。试件的中心应与试验机下压板中心对准,开动试验机,当上压板与试件接近时,调整球座,使接触均衡;(3)在试验过程中应连续均匀地加荷,混凝土强度等级

1、当您付费下载文档后,您只拥有了使用权限,并不意味着购买了版权,文档只能用于自身使用,不得用于其他商业用途(如 [转卖]进行直接盈利或[编辑后售卖]进行间接盈利)。
2、本站所有内容均由合作方或网友上传,本站不对文档的完整性、权威性及其观点立场正确性做任何保证或承诺!文档内容仅供研究参考,付费前请自行鉴别。
3、如文档内容存在违规,或者侵犯商业秘密、侵犯著作权等,请点击“违规举报”。

碎片内容

大偏压柱实验报告

您可能关注的文档

确认删除?
微信客服
  • 扫码咨询
会员Q群
  • 会员专属群点击这里加入QQ群