电脑桌面
添加小米粒文库到电脑桌面
安装后可以在桌面快捷访问

最好的6S管理资料VIP免费

最好的6S管理资料_第1页
1/31
最好的6S管理资料_第2页
2/31
最好的6S管理资料_第3页
3/31
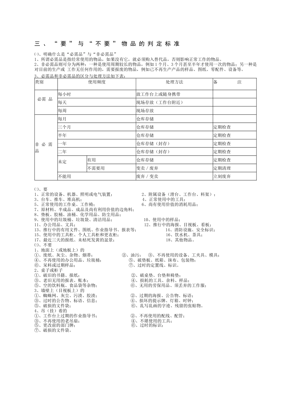
全系列6S管理资料一、6S的定义及目的6S是指整理(SEIRI)、整顿(SEITON)、清扫(SEISO)、清洁(SEIKETSU)、素养(SHITSUKE),因其日语的罗马拼音均以“S”开头,因此简称为“6S”,这里我们又添加了另一个S――安全(SAFE),统称6S。1S——整理定义:区分“要”与“不要”的东西,对“不要”的东西进行处理。目的:腾出空间,提高生产效率。2S——整顿定义:要的东西依规定定位、定量摆放整齐,明确标识。目的:排除寻找的浪费。3S——清扫定义:清除工作场所内的脏污,设备异常马上修理,并防止污染的发生。目的:使不足、缺点明显化,是品质的基础。4S——清洁定义:将上面3S的实施制度化、规范化,并维持效果。目的:通过制度化来维持成果,并显现“异常”之所在。6S——素养(又称修养、心灵美)定义:人人依规定行事,养成好习惯。目的:提升“人的品质”,养成对任何工作都持认真态度的人。6S——安全(SAFE)保证工作现场安全及产品质量安全。目的﹕杜绝安全事故、规范操作、确保产品质量。记住﹕现场无不安全因素,即整理、整顿取得了成果﹗二、6s推行步骤步骤一:建立6S推行机构,成立推行小组1、公司生产经理及总经办主任是6.S推进小组负责人。2、总经办是归口管理部门,主持日常工作。3、公司各部门(或车间)必须指派一位员工为现场管理(联络)员。4、各部门领导是本部门6.S推进的第一责任人。步骤二:推进方针、目标及口号6s方针:规范、保持、自律、提高6s目标:对内:营造一个整洁、优美、有序、高效的工作环境对外:树立良好的企业形象、成为让客户感动的公司6s口号:全员参与、全情投入、精益求精、持续改进步骤三:1、选定样板区。对公司整个现场进行诊断,选定一个样板区。2、实施改善。集中精锐力量,对样板区进行现场改善,对改善前后的状况对比。3、效果确认,经验交流。总结经验,克服缺点,让其他部门进行参观学习。4、经验推广,推广样板区推行6S的先进经验。5、制定评比检查表:制定一个详尽的检查表,设立检查项目、内容及应达到的标准。扣分事项,每一项目均须定期或不定期检查,对检查出的问题加以控制。通过检查,能准确掌握过程的进度、质量、效率等,并能及时发现过程存在的异常问题,同时每月对各部门6S检查情况排名,采取纠正措施,使问题得到及时的解决、处理。6、制定奖惩制度:在每月经营分析会上,取得第一名的授予本月“6S优胜部门”、“6S优胜车间”,发放流动红旗,综合考核成绩与工资挂钩,对达不到要求的部门(车间)进行处罚,以鞭策后进,各车间(班组)的实际成绩及时在公司公告栏(或目视板上、网站)上进行公布。7、锦旗的发放由总经理颁发。所颁锦旗于下月经营分析管理会前收回。8、连续二个季度获得第一名,作为年终评选优秀部门、车间及班组提供有利的条件之一。9、所颁发锦旗必须悬挂于指定位置。三、“要”与“不要”物品的判定标准㈠、明确什么是“必需品”与“非必需品”1、所谓必需品是指经常使用的物品,如果没有它,就必须购入替代品,否则影响正常工作的物品。2、非必需品则可分为两种:一种是使用周期较长的物品,例如1个月、3个月甚至半年才使用一次的物品;另一种是对目前的生产或工作无任何作用的,需要报废的物品,例如已不再生产产品的样品、图纸、零配件、设备等。3、必需品和非必需品的区分与处理方法如下表:类别使用频度处理方法备注必需品每小时放工作台上或随身携带每天现场存放(工作台附近)每周现场存放非必需品每月仓库存储三个月仓库存储定期检查半年仓库存储定期检查一年仓库存储(封存)定期检查二年仓库存储(封存)定期检查未定有用仓库存储定期检查不需要用变卖/废弃定期清理不能用废弃/变卖立刻废弃㈡、要1、正常的设备、机器、照明或电气装置;2、附属设备(滑台、工作台、料架);3、台车、推车、堆高机;4、正常使用中的工具;5、正常使用的工作桌、工作椅;6、尚有使用价值的消耗用品;7、原材料、半成品、成品及尚有利用价值的边角料;8、垫板、胶桶、油桶、化学用品、防尘用品;9、使用中的垃圾桶、垃圾袋、清洁用品;10、使用中的样品;11、办公用品、文具;12、推行中的海报、...

1、当您付费下载文档后,您只拥有了使用权限,并不意味着购买了版权,文档只能用于自身使用,不得用于其他商业用途(如 [转卖]进行直接盈利或[编辑后售卖]进行间接盈利)。
2、本站所有内容均由合作方或网友上传,本站不对文档的完整性、权威性及其观点立场正确性做任何保证或承诺!文档内容仅供研究参考,付费前请自行鉴别。
3、如文档内容存在违规,或者侵犯商业秘密、侵犯著作权等,请点击“违规举报”。

碎片内容

最好的6S管理资料

确认删除?
VIP
微信客服
  • 扫码咨询
会员Q群
  • 会员专属群点击这里加入QQ群
客服邮箱
回到顶部