电脑桌面
添加小米粒文库到电脑桌面
安装后可以在桌面快捷访问

注水井常规生产管柱设计试题及答案VIP免费

注水井常规生产管柱设计试题及答案_第1页
1/11
注水井常规生产管柱设计试题及答案_第2页
2/11
注水井常规生产管柱设计试题及答案_第3页
3/11
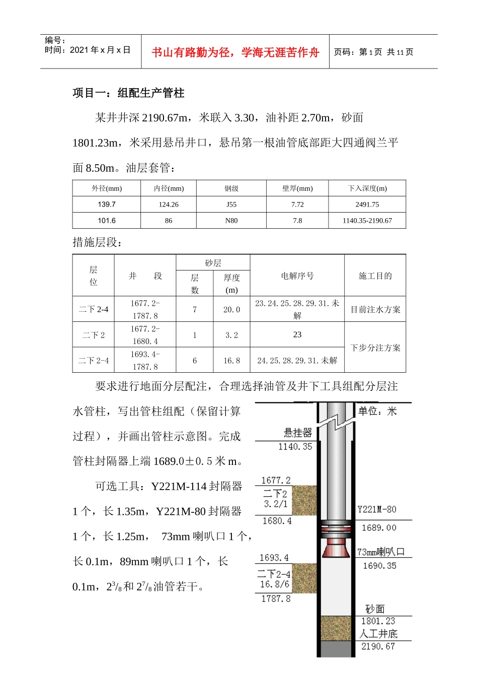
第1页共11页编号:时间:2021年x月x日书山有路勤为径,学海无涯苦作舟页码:第1页共11页项目一:组配生产管柱某井井深2190.67m,米联入3.30,油补距2.70m,砂面1801.23m,米采用悬吊井口,悬吊第一根油管底部距大四通阀兰平面8.50m。油层套管:外径(mm)内径(mm)钢级壁厚(mm)下入深度(m)139.7124.26J557.722491.75101.686N807.81140.35-2190.67措施层段:层位井段砂层电解序号施工目的层数厚度(m)二下2-41677.2-1787.8720.023.24.25.28.29.31.未解目前注水方案二下21677.2-1680.413.223下步分注方案二下2-41693.4-1787.8616.824.25.28.29.31.未解要求进行地面分层配注,合理选择油管及井下工具组配分层注水管柱,写出管柱组配(保留计算过程),并画出管柱示意图。完成管柱封隔器上端1689.0±0.5米m。可选工具:Y221M-114封隔器1个,长1.35m,Y221M-80封隔器1个,长1.25m,73mm喇叭口1个,长0.1m,89mm喇叭口1个,长0.1m,23/8和27/8油管若干。第2页共11页第1页共11页编号:时间:2021年x月x日书山有路勤为径,学海无涯苦作舟页码:第2页共11页解:该井分层工具在4寸套内,选Y221M-80封隔器,73mm喇叭口。封隔器位置:预置封隔器上平面1689.00米;喇叭口位置:封下直接接73mm喇叭口,故喇叭口位置1689.00m+1.25m(封长)=1690.25m,喇叭口下平面位置:1690.25m+0.1m=1690.35m;封上共需下入油管长度(除上发兰所接1根油管):1690.00m(封隔器位置)-2.70m(油补距)-8.50m(发兰接头及所带第一根油管长度)=1679.80m;由于该井4寸套开始于1140.35m,故设计下入23/8加大油管长度:1690.00m-1140.35m=549.65m,加上悬挂器以上23/8加大油管,共设计下入23/8加大油管600.00m;27/8加大油管长度约:1679.80m-600m=1079.80m校深后调整管柱深度选用27/8油管短节。项目二:组配生产管柱上题井其他条件、可选工具不变,配注要求该为笼注,请设计组配管柱,画出管柱图,写出计算过程,要求设计管柱满足配注要求。第3页共11页第2页共11页编号:时间:2021年x月x日书山有路勤为径,学海无涯苦作舟页码:第3页共11页解:笼注井喇叭口下于油层顶界以上10m左右,或油层低界以下10m左右,该井由于砂面较高,故喇叭口设计在油层顶界以上,现预置喇叭口位置1670.00m;油管选用27/8加大油管和23/8平式油管。所下油管总长(除上发兰所接1根油管):1670.00m-2.70m-8.50m=1659.80m;23/8平式油管长度:由于笼注井需要进行冲砂,探砂面,洗井等作业工序,故加深后喇叭口应该到达砂面。故设计下入23/8平式油管1801.23m-1140.35m=660.88m,加上预留23/8平式油管长度,共下入23/8平式油管长度约700.00m;27/8加大油管长度:1659.80m-700.00m=959.80m。若需微调喇叭口位置,下入27/8加大油管短节。第4页共11页第3页共11页编号:时间:2021年x月x日书山有路勤为径,学海无涯苦作舟页码:第4页共11页项目三:组配生产管柱某井人工井底3000.00m,联顶节方入3.90m,套管接箍上平面至顶丝法兰面的距离为0.65m,悬挂器及短节长度为0.35m,注水层位如下:油层Ⅰ2824.10-2834.30m,油层Ⅱ2865.0-2895.20m,油层Ⅲ2924.70-2935.90m要求封1,2839m±0.5m;封2,2900m±0.5m,配水器下到油层中部。按要求组配分层注水管柱,画出完井管柱示意图(保留计算过程)。可选工具如下:KPX-114配水器0.95m×3个,双球座1套,装配长度0.45m,丝堵0.10m×1个,筛管2.50m×1个,Y341-114封隔器1.20m×2个(中胶筒以上0.52m,中胶筒以下0.68m);Y221MX-114封隔器1.35m×2个(中胶筒以上0.55m,中胶筒以下0.80m),89mm喇叭口0.1m×1个。工具位置可选油管单根:序号油管序号油管序号油管序号油管19.5669.57119.55169.5429.6679.35129.60178.7339.6889.52139.58181.00第5页共11页第4页共11页编号:时间:2021年x月x日书山有路勤为径,学海无涯苦作舟页码:第5页共11页49.3499.59149.48191.5059.56109.64159.59202.00解:由于工具窜下入较深,设计封1采用Y221封隔器,封2采用Y341封隔器,采用偏配+封隔器+双球座+筛管+丝堵可洗井分层注水管柱。1、封隔器1位置要求封隔器1位置2839m±0.5m,设计封隔器1位置2839m(中胶筒位置),上端位置28...

1、当您付费下载文档后,您只拥有了使用权限,并不意味着购买了版权,文档只能用于自身使用,不得用于其他商业用途(如 [转卖]进行直接盈利或[编辑后售卖]进行间接盈利)。
2、本站所有内容均由合作方或网友上传,本站不对文档的完整性、权威性及其观点立场正确性做任何保证或承诺!文档内容仅供研究参考,付费前请自行鉴别。
3、如文档内容存在违规,或者侵犯商业秘密、侵犯著作权等,请点击“违规举报”。

碎片内容

注水井常规生产管柱设计试题及答案

您可能关注的文档

确认删除?
VIP
微信客服
  • 扫码咨询
会员Q群
  • 会员专属群点击这里加入QQ群
客服邮箱
回到顶部