电脑桌面
添加小米粒文库到电脑桌面
安装后可以在桌面快捷访问

起重设备相关资料VIP免费

起重设备相关资料_第1页
1/23
起重设备相关资料_第2页
2/23
起重设备相关资料_第3页
3/23
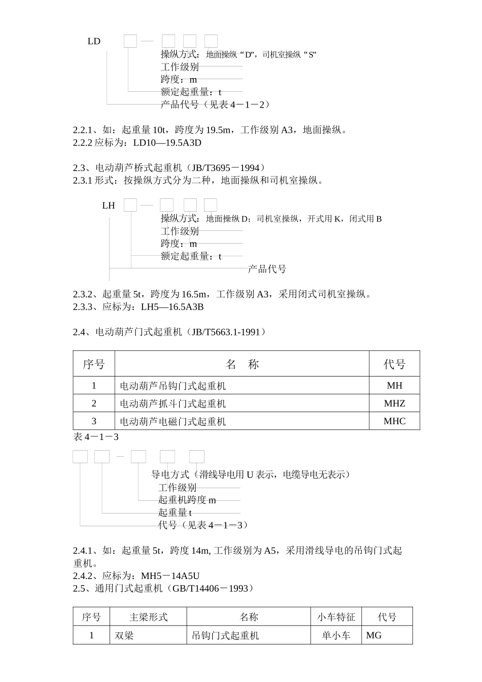
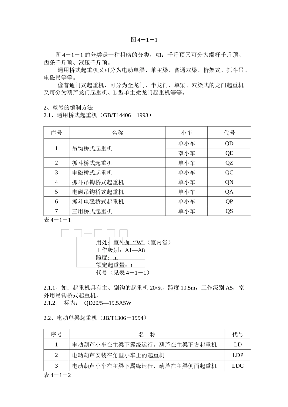
第四章起重设备第一节起重机械分类及型号编制方法1、起重机械分类手板葫芦手拉葫芦电动葫芦绞车单轨葫芦复合滑轮组通用桥式起重机冶金桥式起重机壁行起重机门式起重机装卸桥缆索起重机轮胎式集装箱装卸桥定柱转臂起重机固定桅杆动臂起重机塔式起重机汽车起重机轮胎起重机履带起重机铁路起重机门座起重机浮式起重机叉车仓储堆垛系统起重机械桥架型起重机轻小起重设备臂架型起重机升降机千斤顶手拉葫芦电动葫芦绞车单轨葫芦复合滑轮组梁式起重机通用桥式起重机冶金桥式起重机壁行起重机门式起重机装卸桥缆索起重机轮胎式集装箱装卸桥固定式回转起重机定柱转臂起重机固定桅杆动臂起重机塔式起重机汽车起重机轮胎起重机履带起重机门座起重机浮式起重机轮胎式集装箱起重机垂直电梯叉车仓储堆垛系统图4-1-1图4-1-1的分类是一种粗略的分类,如:千斤顶又可分为螺杆千斤顶、齿条千斤顶、液压千斤顶。通用桥式起重机又可分为电动单梁、单主梁、普通双梁、桁架式、抓斗吊、电磁吊等等。像普通门式起重机,可分为全龙门、半龙门、单梁、双梁式的龙门起重机又可分为葫芦龙门起重机、L型单主梁龙门起重机等等。2、型号的编制方法2.1、通用桥式起重机(GB/T14406-1993)序号名称小车代号1吊钩桥式起重机单小车QD双小车QE2抓斗桥式起重机单小车QZ3电磁桥式起重机单小车QC4抓斗吊钩桥式起重机单小车QN5电磁吊钩桥式起重机单小车QA6抓斗电磁桥式起重机单小车QP7三用桥式起重机单小车QS表4-1-1用处:室外加“W”(室内省)工作级别:A1—A8跨度:m额定起重量:t代号(见表4-1-1)2.1.1、如:起重机具有主、副钩的起重机20/5t,跨度19.5m,工作级别A5,室外用吊钩桥式起重机,2.1.2、标为:QD20/5—19.5A5W2.2、电动单梁起重机(JB/T1306-1994)序号名称代号1电动葫芦小车在主梁下翼缘运行,葫芦在主梁下方起重机LD2电动葫芦安装在角型小车上的起重机LDP3电动葫芦小车在主梁下翼缘运行,葫芦在主梁侧面起重机LDC表4-1-2LD操纵方式:地面操纵“D”,司机室操纵“S”工作级别跨度:m额定起重量:t产品代号(见表4-1-2)2.2.1、如:起重量10t,跨度为19.5m,工作级别A3,地面操纵。2.2.2应标为:LD10—19.5A3D2.3、电动葫芦桥式起重机(JB/T3695-1994)2.3.1形式:按操纵方式分为二种,地面操纵和司机室操纵。LH操纵方式:地面操纵D;司机室操纵,开式用K,闭式用B工作级别跨度:m额定起重量:t产品代号2.3.2、起重量5t,跨度为16.5m,工作级别A3,采用闭式司机室操纵。2.3.3、应标为:LH5—16.5A3B2.4、电动葫芦门式起重机(JB/T5663.1-1991)序号名称代号1电动葫芦吊钩门式起重机MH2电动葫芦抓斗门式起重机MHZ3电动葫芦电磁门式起重机MHC表4-1-3导电方式(滑线导电用U表示,电缆导电无表示)工作级别起重机跨度m起重量t代号(见表4-1-3)2.4.1、如:起重量5t,跨度14m,工作级别为A5,采用滑线导电的吊钩门式起重机。2.4.2、应标为:MH5-14A5U2.5、通用门式起重机(GB/T14406-1993)序号主梁形式名称小车特征代号1双梁吊钩门式起重机单小车MG2双小车ME3抓斗门式起重机单小车MZ4电磁门式起重机MC5抓斗吊钩门式起重机MN6抓斗电磁门式起重机MP7三用桥式起重机MS8单主梁吊钩门式起重机单小车MDG9双小车MDE10抓斗门式起重机单小车MDZ11电磁门式起重机MDC12抓斗吊钩门式起重机MDN13抓斗电磁门式起重机MDP14三用桥式起重机MDS表4-1-4工作级别跨度:m额定起重量:t代号(见表4-1-4)2.4.1、如:起重机具有主、副钩的起重机20/5t,跨度19.5m,工作级别A5,室外用吊钩门式起重机,2.4.2、应标为:MDG20/5—19.5A52.6、电动单梁悬挂起重机(JB/T2630-1994)序号名称代号1电动葫芦小车在主梁下翼缘运行,葫芦在主梁下方起重机LX2电动葫芦小车在主梁下翼缘运行,葫芦在主梁侧面起重机LXC表4-1-5工作级别跨度:m额定起重量:t代号(见表4-1-5)2.6.1、如:起重量为2t,跨度11m,工作级别A52.6.2、标为:LX2-11A52.7、防爆钢丝绳电动葫芦(JB/T10222-2001)HB防爆标志起升高度:m额定起重量:t防爆葫芦代号2.7.1、如:起重量为2...

1、当您付费下载文档后,您只拥有了使用权限,并不意味着购买了版权,文档只能用于自身使用,不得用于其他商业用途(如 [转卖]进行直接盈利或[编辑后售卖]进行间接盈利)。
2、本站所有内容均由合作方或网友上传,本站不对文档的完整性、权威性及其观点立场正确性做任何保证或承诺!文档内容仅供研究参考,付费前请自行鉴别。
3、如文档内容存在违规,或者侵犯商业秘密、侵犯著作权等,请点击“违规举报”。

碎片内容

起重设备相关资料

您可能关注的文档

确认删除?
VIP
微信客服
  • 扫码咨询
会员Q群
  • 会员专属群点击这里加入QQ群
客服邮箱
回到顶部