电脑桌面
添加小米粒文库到电脑桌面
安装后可以在桌面快捷访问

摩托车和轻便摩托车尺寸和质量参数的测定方法概要VIP免费

摩托车和轻便摩托车尺寸和质量参数的测定方法概要_第1页
1/21
摩托车和轻便摩托车尺寸和质量参数的测定方法概要_第2页
2/21
摩托车和轻便摩托车尺寸和质量参数的测定方法概要_第3页
3/21
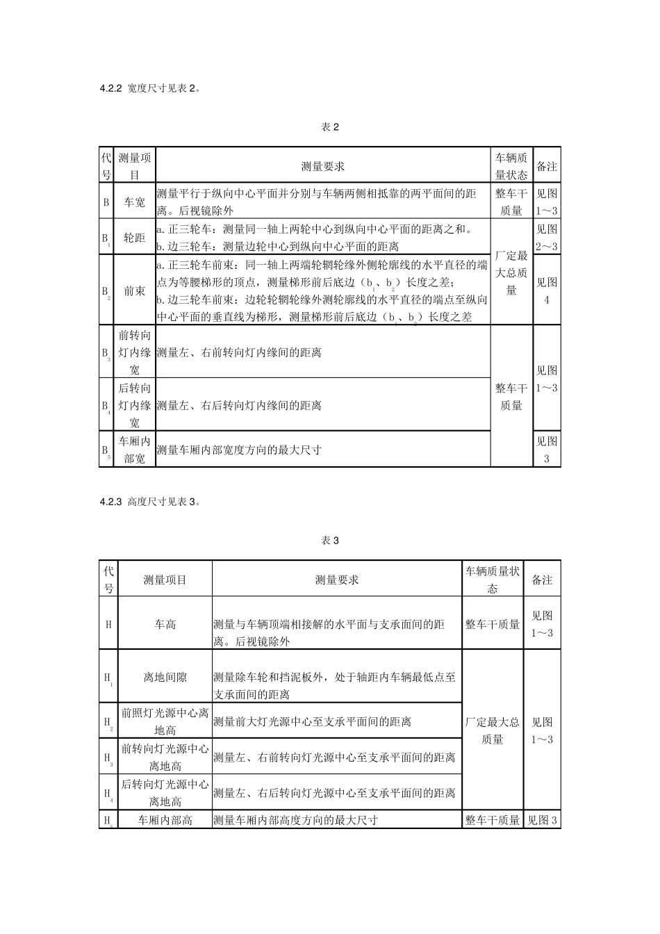
摩托车和轻便摩托车尺寸和质量参数的测定方法标准号:GB/T5373-94替代标准号:GB5373-85发布单位:国家技术监督局起草单位:江西赣江机械厂发布日期:实施日期:点击数:1412更新日期:2008年03月07日-1主题内容与适用范围本标准规定了摩托车和轻便摩托车的尺寸和质量参数的测量条件、测量方法和取值规则。本标准适用于摩托车和轻便摩托车的尺寸和质量参数的测定。2引用标准GB/T5359.3-1996摩托车和轻便摩托车术语两轮车尺寸GB/T5359.5-1996摩托车和轻便摩托车术语三轮车质量GB/T5359.6-1996摩托车和轻便摩托车术语两轮车质量GB/T5359.7-1996摩托车和轻便摩托车术语三轮车尺寸GB/T8170数值修约规则3一般测量条件3.1被测车辆必须清洁(无油污、泥土),装备应齐全,轮胎气压应符合车辆技术条件的要求。3.2测量尺寸用的支承平面应是呈水平状态的测量平台或水磨石地面。3.3车辆静置于支承平面上,车轮处于直线行驶位置,两轮车处于铅垂状态,正三轮车的门、窗应关闭,边三轮车边风档应置于工作位置。3.4测量仪器和设备a.钢卷尺:读数分辨力1mm;b.角度尺:读数分辨力5';c.高度尺:读数分辨力0.5mm;d.重锤或直角尺;e.三维坐标装置;f.电子秤或杠杆增砣式台秤,读数分辨为0.2kg;g.垫块;h.可调整式水平仪;i.悬架锁紧工具。3.5车辆装载质量按制造厂的规定。驾驶员(乘员)及其装备的总质量规定为75kg,不足75kg者,应在相应的乘座位置上加配重,货物应装在规定的位置上。4尺寸参数的测量方法4.1测量条件4.1.1车辆尺寸的定义应符合GB/T5359.3、GB/T5359.7的规定,置于三维正交坐标系中,确定其测量基准平面和纵向中心平面。4.1.2测量转弯圆、转弯通道圆直径和车轮滚动半径用的场地和道路应是清洁、平坦、干燥的混凝土或沥清地面。4.2测量项目及测量要求4.2.1长度尺寸见表1。表1代号L测量项目车长测量要求车辆质量状态量备注测量垂直于纵向中心平面、并分别与车辆前、后端相抵靠整车干质的两铅垂面间的距离。备用轮、后视镜除外见图1~3L1前、后轴测量通过两车轮中心并垂直于纵向中心平面及支承平面的轴距L2前、边轴两垂面间距离L3L4L5前伸距前悬后悬测量通过方向柱轴线与支承面的相交点至前轮中心铅垂线间的距离测量前轮中心至抵靠车辆最前端(包括附加刚性零件)并厂定最大垂直于纵向中心平面的铅垂面间的距离测量后轮中心至抵靠车辆最后端(包括附加刚性零件)并垂直于纵向中心平面的铅垂面间的距离总质量见图7见图1~3整车干质见图量3离地间隙点至后轮测量离地间隙点至后轮轴线间的距离。当最低离地点并不L6轴线间距离止一点时,应取靠近两轮中心部位处测量L7车厢内部长测量车厢内部长度方向的最大尺寸4.2.2宽度尺寸见表2。表2代测量项号目B车宽B1轮距离。后视镜除外测量要求测量平行于纵向中心平面并分别与车辆两侧相抵靠的两平面间的距a.正三轮车:测量同一轴上两轮中心到纵向中心平面的距离之和。b.边三轮车:测量边轮中心到纵向中心平面的距离a.正三轮车前束:同一轴上两端轮辋轮缘外侧轮廓线的水平直径的端点为等腰梯形的顶点,测量梯形前后底边(b1、b2)长度之差;b.边三轮车前束:边轮轮辋轮缘外测轮廓线的水平直径的端点至纵向中心平面的垂直线为梯形,测量梯形前后底边(b1、b2)长度之差车辆质量状态备注整车干见图质量1~3见图厂定最大总质量2~3见图4B2前束前转向B3灯内缘测量左、右前转向灯内缘间的距离宽后转向B4灯内缘测量左、右后转向灯内缘间的距离宽B5车厢内部宽测量车厢内部宽度方向的最大尺寸见图3质量见图整车干1~34.2.3高度尺寸见表3。表3代号H测量项目测量要求车辆质量状态整车干质量备注见图1~3车高测量与车辆顶端相接解的水平面与支承面间的距离。后视镜除外H1离地间隙前照灯光源中心离地高前转向灯光源中心离地高后转向灯光源中心离地高车厢内部高测量除车轮和挡泥板外,处于轴距内车辆最低点至支承面间的距离H2H3H4H5测量前大灯光源中心至支承平面间的距离测量左、右前转向灯光源中心至支承平面间的距离测量左、右后转向灯光源中心至支承平面间的距离测量车厢内部高度方向的最大尺寸整车干质量见图3厂定最大总见图质量1~3注:前、后转灯光源中心离...

1、当您付费下载文档后,您只拥有了使用权限,并不意味着购买了版权,文档只能用于自身使用,不得用于其他商业用途(如 [转卖]进行直接盈利或[编辑后售卖]进行间接盈利)。
2、本站所有内容均由合作方或网友上传,本站不对文档的完整性、权威性及其观点立场正确性做任何保证或承诺!文档内容仅供研究参考,付费前请自行鉴别。
3、如文档内容存在违规,或者侵犯商业秘密、侵犯著作权等,请点击“违规举报”。

碎片内容

摩托车和轻便摩托车尺寸和质量参数的测定方法概要

您可能关注的文档

爱的疯狂+ 关注
实名认证
内容提供者

该用户很懒,什么也没介绍

确认删除?
VIP
微信客服
  • 扫码咨询
会员Q群
  • 会员专属群点击这里加入QQ群
客服邮箱
回到顶部