电脑桌面
添加小米粒文库到电脑桌面
安装后可以在桌面快捷访问

飞机场焊接工艺评定报告VIP免费

飞机场焊接工艺评定报告_第1页
1/50
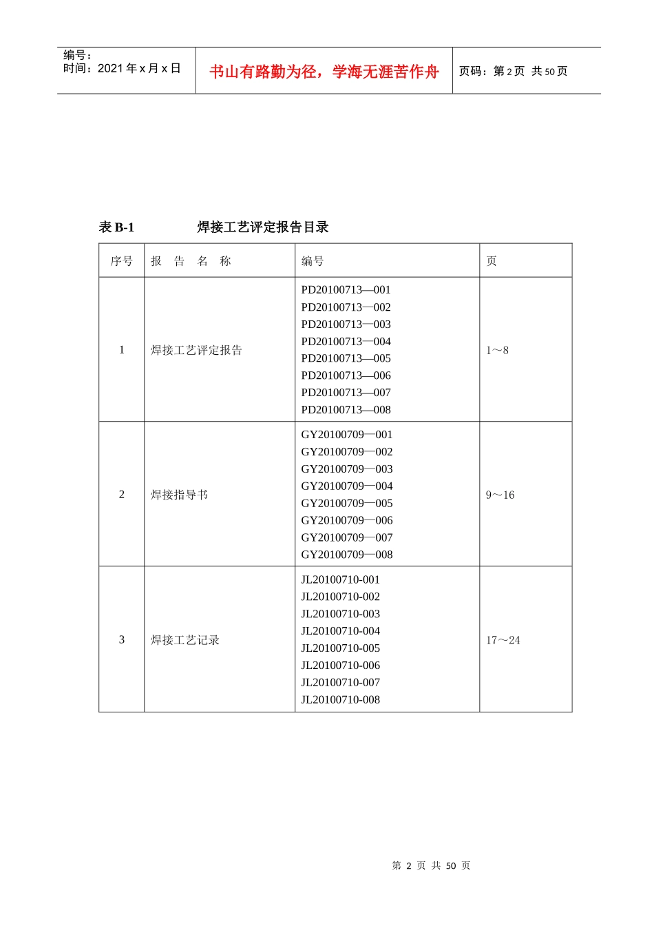
飞机场焊接工艺评定报告_第2页
2/50
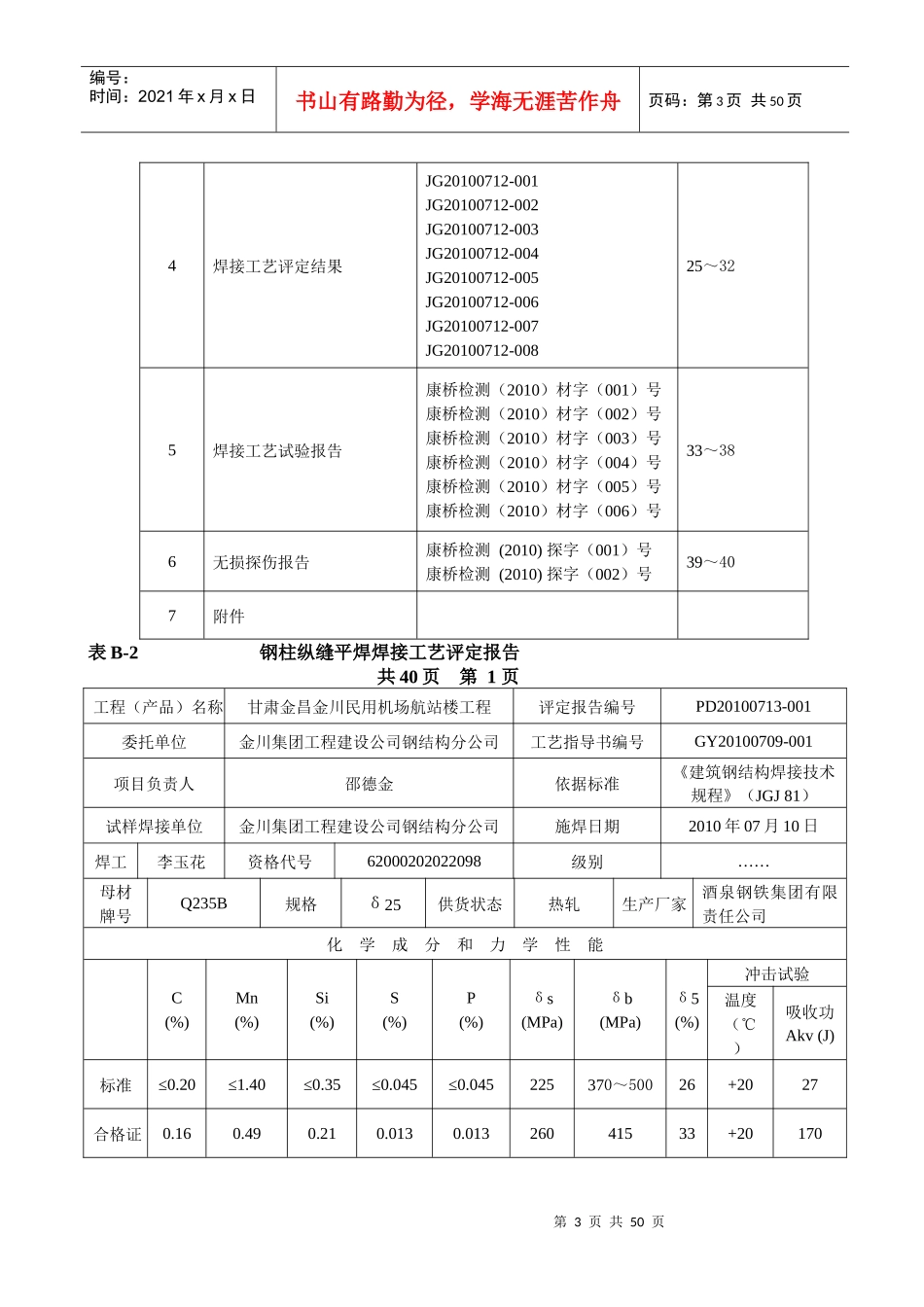
飞机场焊接工艺评定报告_第3页
3/50
第1页共50页编号:时间:2021年x月x日书山有路勤为径,学海无涯苦作舟页码:第1页共50页甘肃金昌金川民用机场项目航站楼工程钢结构焊接工艺评定编号:HJGYPD2010—001编制:宋武焊接责任技术人员:金启安批准:岳月单位:北京康桥隆盛工程质量检测有限责任公司日期:2010年07月15日第2页共50页第1页共50页编号:时间:2021年x月x日书山有路勤为径,学海无涯苦作舟页码:第2页共50页表B-1焊接工艺评定报告目录序号报告名称编号页1焊接工艺评定报告PD20100713—001PD20100713—002PD20100713—003PD20100713—004PD20100713—005PD20100713—006PD20100713—007PD20100713—0081~82焊接指导书GY20100709—001GY20100709—002GY20100709—003GY20100709—004GY20100709—005GY20100709—006GY20100709—007GY20100709—0089~163焊接工艺记录JL20100710-001JL20100710-002JL20100710-003JL20100710-004JL20100710-005JL20100710-006JL20100710-007JL20100710-00817~24第3页共50页第2页共50页编号:时间:2021年x月x日书山有路勤为径,学海无涯苦作舟页码:第3页共50页4焊接工艺评定结果JG20100712-001JG20100712-002JG20100712-003JG20100712-004JG20100712-005JG20100712-006JG20100712-007JG20100712-00825~325焊接工艺试验报告康桥检测(2010)材字(001)号康桥检测(2010)材字(002)号康桥检测(2010)材字(003)号康桥检测(2010)材字(004)号康桥检测(2010)材字(005)号康桥检测(2010)材字(006)号33~386无损探伤报告康桥检测(2010)探字(001)号康桥检测(2010)探字(002)号39~407附件表B-2钢柱纵缝平焊焊接工艺评定报告共40页第1页工程(产品)名称甘肃金昌金川民用机场航站楼工程评定报告编号PD20100713-001委托单位金川集团工程建设公司钢结构分公司工艺指导书编号GY20100709-001项目负责人邵德金依据标准《建筑钢结构焊接技术规程》(JGJ81)试样焊接单位金川集团工程建设公司钢结构分公司施焊日期2010年07月10日焊工李玉花资格代号62000202022098级别……母材牌号Q235B规格δ25供货状态热轧生产厂家酒泉钢铁集团有限责任公司化学成分和力学性能C(%)Mn(%)Si(%)S(%)P(%)δs(MPa)δb(MPa)δ5(%)冲击试验温度(℃)吸收功Akv(J)标准≤0.20≤1.40≤0.35≤0.045≤0.045225370~50026+2027合格证0.160.490.210.0130.01326041533+20170第4页共50页第3页共50页编号:时间:2021年x月x日书山有路勤为径,学海无涯苦作舟页码:第4页共50页复验0.150.500.200.0140.01226542033+2099碳含量……公式……焊接材料生产厂牌号类型直径(mm)烘干制度(℃×h)备注焊丝自贡大西洋焊丝制品有限公司CHW-50c6ER50-6φ1.2…………气体公司自制……………………纯度95%焊丝锦州金泰金属工业有限公司JW—2H08Aφ4.0…………焊剂四川大西洋焊接材料股份有限公司CHF431F4A2—H08A8~40200×2……焊接方法GC+SC焊接位置圆柱、钢板卷管合口焊接接头接头形式BX-2焊接工艺参数见焊接工艺评定指导书清根工艺采取碳弧气刨清根焊接设备型号ZP7—500电源及极性气保焊时用平特性的直流电源反接评定结论:本评定按《建筑钢结构焊接技术规程》(JGJ81)规定,根据工程情况编制工艺评定指导书、焊接试件、制取并检验试样、测定性能,确认试验记录正确,评定结果为:合格。焊接条件及工艺参数范围按本评定指导书执行。评定宋武2010年07月13日评定单位:(签章)2010年07月14日审核王雁嵩2010年07月13日技术负责岳月2010年07月13日表B-2钢柱环缝焊接工艺评定报告共40页第2页工程(产品)名称甘肃金昌金川民用机场项目航站楼工程评定报告编号PD20100713-002委托单位金川集团工程建设公司钢结构分公司工艺指导书编号GY20100709-002项目负责人邵德金依据标准《建筑钢结构焊接技术规程》(JGJ81)试样焊接单位金川集团工程建设公司钢结构施焊日期2010年07月10日焊工彭东社资格代号62000202022227级别……母材钢号Q235B规格δ25供货状态热轧生产厂家新疆八一钢铁股份有限公司化学成分和力学性能第5页共50页第4页共50页编号:时间:2021年x月x日书山有路勤为径,学海无涯苦作舟页码:第5页共50页C(%)Mn(%)...

1、当您付费下载文档后,您只拥有了使用权限,并不意味着购买了版权,文档只能用于自身使用,不得用于其他商业用途(如 [转卖]进行直接盈利或[编辑后售卖]进行间接盈利)。
2、本站所有内容均由合作方或网友上传,本站不对文档的完整性、权威性及其观点立场正确性做任何保证或承诺!文档内容仅供研究参考,付费前请自行鉴别。
3、如文档内容存在违规,或者侵犯商业秘密、侵犯著作权等,请点击“违规举报”。

碎片内容

飞机场焊接工艺评定报告

您可能关注的文档

确认删除?
VIP
微信客服
  • 扫码咨询
会员Q群
  • 会员专属群点击这里加入QQ群
客服邮箱
回到顶部