电脑桌面
添加小米粒文库到电脑桌面
安装后可以在桌面快捷访问

001金属风管制作工艺(DOC7页)VIP免费

001金属风管制作工艺(DOC7页)_第1页
1/8
001金属风管制作工艺(DOC7页)_第2页
2/8
001金属风管制作工艺(DOC7页)_第3页
3/8
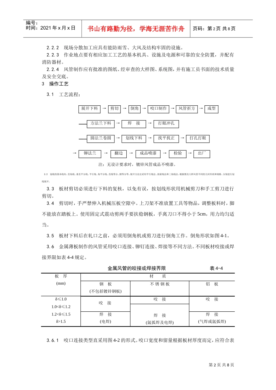
第1页共8页编号:时间:2021年x月x日书山有路勤为径,学海无涯苦作舟页码:第1页共8页金属风管制作1范围本工艺标准适用于普通薄钢板、镀锌薄钢板、不锈钢板及铝板的风管制做。2施工准备2.1材料要求及主要机具:2.1.1所使用板材、型钢的主要材料应具有出厂合格证明书或质量鉴定文件。2.1.2制作风管及配件的钢板厚度应符合表4-1的规定。2.1.3镀锌薄钢板表面不得有裂纹、结疤及水印等缺陷,应有镀锌层结晶花纹。2.1.4制作不锈钢板风管和配件的板材厚度应符合表4-2的规定。不锈钢板风管和配件板材厚度表4-2圆形风管直径或矩形风管大边长(mm)不锈钢板厚度(mm)100~5000.5560~11200.751250~20001.002500~40001.22.1.5不锈钢板材应具有高温下耐酸耐碱的抗腐蚀能力。板面不得有划痕、刮伤、锈斑和凹穴等缺陷。2.1.6制作铝板风管和配件的板材厚度应符合表4-3的规定。铝板风管和配件板材厚度表4-3圆形风管直径或矩形风管大边长(mm)铝板厚度(mm)100~3201.0360~6301.5700~20002.02500~40002.52.1.7铝板材应具有良好的塑性、导电、导热性能及耐酸腐蚀性能,表面不得有划痕及磨损。2.1.8龙门剪板机、电冲剪、手用电动剪倒角机、咬口机、压筋机、折方机、合缝机、振动式曲线剪板机、卷圆机、圆弯头咬门机、型钢切割机、角(扁)钢卷圆机、液压钳钉钳、电动拉柳枪、台钻、手电钻、冲孔机、插条法兰机、螺旋卷管机、电、气焊设备、空气压缩机油漆喷枪等设备及不锈钢板尺、钢直尺、角尺量角器、划规、划针、洋冲、铁锤、不锤、拍板等小型工具。排烟系统钢板厚度可参照高压系统。2.2作业条件:2.2.1集中加工应具有宽敞、明亮、洁净、地面平整、不潮湿的厂房。第2页共8页编号:时间:2021年x月x日书山有路勤为径,学海无涯苦作舟页码:第2页共8页2.2.2现场分散加工应具有能防雨雪、大风及结构牢固的设施。2.2.3作业地点要有相应加工工艺的基本机具、设施及电源和可靠的安全防置,并配有消防器材。2.2.4风管制作应有批准的图纸、经审查的大样图、系统图,并有施工员书面的技术质量及安全交底。3操作工艺3.1工艺流程:展开下料→剪切→倒角→咬口制作→风管折方→成型方法兰下料→焊接→打眼冲孔圆法兰卷圆→划线下料→找平找正→打孔打眼→铆法兰→翻边→成品喷漆→检验→出厂注:无设计要求时,镀锌风管成品不喷漆。3.2划线的基本线有:直角线、垂直平分线、平行线、角平分线、直线等分、圆等分等。展开方法宜采用平行线法、放射线法和三角线法。根据图及大样风管不同的几何形状和规格、分别进行划线展开。3.3板材剪切必须进行下料的复核,以免有误,按划线形状用机械剪刀和手工剪刀进行剪切。3.4剪切时,手严禁伸入机械压板空隙中。上刀架不准放置工具等物品,调整板料时,脚不能放在踏板上。使用固定式震动剪两手要扶稳钢板,手离刀口不得小于5cm,用力均匀适当。3.5板材下料后在轧口之前,必须用倒角机或剪刀进行倒角工作。倒角形状如图4-1。3.6金属薄板制作的风管采用咬口连接、铆钉连接、焊接等不同方法。不同板材咬接或焊接界限如表4-4规定。金属风管的咬接或焊接界限表4-4板厚(mm)材质钢板(不包括镀锌钢板)不锈钢板铝板δ≤1.0咬接咬接1.0<δ≤1.21.2<δ≤1.5焊接焊接焊接δ>1.5(电焊)(氩弧焊及电焊)(气焊或氩弧焊)3.6.1咬口连接类型直采用图4-2的形式。咬口宽度和留量根据板材厚度而定,应符合表咬接第3页共8页编号:时间:2021年x月x日书山有路勤为径,学海无涯苦作舟页码:第3页共8页4-5的要求。3.6.2焊接时可采用气焊、电焊或接触焊,焊缝形式应根据风管的构造和焊接方法而定,可选图4-3几种形式。3.6.3铆钉连接时,必须使铆钉中心线垂直于板面,铆钉头应把板材压紧,使板缝密合并且铆钉排列整齐、均匀。咬口宽度表(mm)表4-5钢板厚度平咬口宽B角咬口宽B0.7以下6~86~70.7~0.828~107~80.9~1.210~129~10板材之间铆接,一般中间可不加垫料,设计有规定时,按设计要求进行。3.7咬口连接根据使用范围选择咬口形式。适用范围可参照表4-6。常用咬口及其适用范围表4-6型式名称适用范围单咬口用于板材的拼接和圆形风管的闭合咬口立咬口用于圆形弯管或直接的管节咬口联合角咬口用于矩...

1、当您付费下载文档后,您只拥有了使用权限,并不意味着购买了版权,文档只能用于自身使用,不得用于其他商业用途(如 [转卖]进行直接盈利或[编辑后售卖]进行间接盈利)。
2、本站所有内容均由合作方或网友上传,本站不对文档的完整性、权威性及其观点立场正确性做任何保证或承诺!文档内容仅供研究参考,付费前请自行鉴别。
3、如文档内容存在违规,或者侵犯商业秘密、侵犯著作权等,请点击“违规举报”。

碎片内容

001金属风管制作工艺(DOC7页)

中小学文库+ 关注
实名认证
内容提供者

精品资料应用尽有

相关文档

确认删除?
VIP
微信客服
  • 扫码咨询
会员Q群
  • 会员专属群点击这里加入QQ群
客服邮箱
回到顶部